No power to ignition switch

2001 MITSUBISHI ECLIPSE
150,000 MILES • 3.0L • 2WD • MANUAL
Avatar
LUKAS BAILEY
  • MEMBER
  • 14 POSTS
I have a Spyder gt and It’s the 3.0 6g72 SOHC. It randomly stalled out in my driveway about two weeks ago and I cannot figure out what’s wrong with it. It’s not getting spark or fuel. I first replaced the fuel pump, Then distributor cap and rotor and almost every relay, and then replaced the crank sensor. Yesterday I just discovered I have no power going to my ignition switch but I do to my alarm system. I’m stumped.
Jan 25, 2020 at 7:17 AM
Advertisement
Avatar
94 TRANSAM
  • CERTIFIED EXPERT
  • 680 POSTS
I would start with testing all your fuses and breakers as well as your battery ground to the motor body and frame. You should have 0.00 ohms to each of those from the battery.

You likely either have a blown fuse, bad breaker or bad ground.

https://www.2carpros.com/articles/how-to-use-a-test-light-circuit-tester

https://www.2carpros.com/articles/how-to-use-a-voltmeter

Rich
Jan 25, 2020 at 6:33 PM
Avatar
LUKAS BAILEY
  • MEMBER
  • 14 POSTS
I’ve checked all the fuses with a test light, and then all the relays with a rig I made from a 9v battery (to click it over) and then used a voltmeter to test the resistance. all were good. I’ve even taken all the grounds off that I could find in the car and scrubbed them to bare metal with some 80 grit.
Jan 26, 2020 at 2:46 PM
Advertisement
Avatar
94 TRANSAM
  • CERTIFIED EXPERT
  • 680 POSTS
Exactly what circuits are dead? Is the whole car dead? If not list all the things that don't work.
Jan 26, 2020 at 6:05 PM
Avatar
LUKAS BAILEY
  • MEMBER
  • 14 POSTS
No, I can turn the key on and it’ll power up everything in the car; dash lights, headlights. If I want, it will crank over, interior lights, and I’m sure the radio would work if I didn’t have it taken out right now. I just replaced the ignition switch as well thinking maybe just a few of the terminals were burnt. It has no cranking rpm's on dash. Could it be an ignition coil?
Jan 30, 2020 at 3:42 AM
Avatar
94 TRANSAM
  • CERTIFIED EXPERT
  • 680 POSTS
Okay, before I get into what to test and check I would like to back up because we have conflicting info.

Title says no power to ignition switch but you say you can turn on the key a everything works which means you have power to the switch.

Next, how do you know you have no power to the fuel pump?

The car does turn over correct?

Last have you actually tested for spark at the spark plug?

Please respond to these 4 questions and I will know where to start.

Rich
Jan 30, 2020 at 7:38 PM
Avatar
LUKAS BAILEY
  • MEMBER
  • 14 POSTS
I tested for spark using a test light and got nothing. Used to be able to always hear the fuel pump kicking on and it does nothing now. I replaced the ignition switch thinking maybe only 2/6 prongs would be burnt because it looked a little rough anyways. I’m so ready to roll this darn thing off a cliff seeing as I’ve basically redone the whole ignition system.
Jan 30, 2020 at 8:25 PM
Avatar
94 TRANSAM
  • CERTIFIED EXPERT
  • 680 POSTS
I know this can be frustrating. We will figure it out with a few tests.

First you can't test for spark with a test light, it wont work. Please follow the instructions in this guide to test the spark:

https://www.2carpros.com/articles/how-to-test-an-ignition-system

Let me know what you find out and we can go from there. I don't want to bury you in tests you may not need to do and complicate this. So lets take it a step at a time and we will get this running again.

PS. please be aware the test light used in this to test the spark has an inductive bulb in it. Not a filament bulb. The first will work the second will not. If you have plug wires and not a coil pack for each plug you will find it easier to just plug in a spark plug and hold it to the block while cranking and watch for a spark in the spark plug.

Rich
Jan 30, 2020 at 10:17 PM
Avatar
LUKAS BAILEY
  • MEMBER
  • 14 POSTS
Even if it wasn’t a test light it should still light up a spark like a screwdriver right? I just always heard never crank it with any spark plugs out that it could and would cause damage.
Jan 30, 2020 at 10:44 PM
Avatar
LUKAS BAILEY
  • MEMBER
  • 14 POSTS
Could I have a bad MAP sensor by chance?
Jan 30, 2020 at 10:44 PM
Avatar
94 TRANSAM
  • CERTIFIED EXPERT
  • 680 POSTS
No that is not true. There are a number of test that require cranking a motor over with no plugs in it.

I don't know if it could be a bad MAP because at this point I don't even know what is working and what isn't.

Please follow the instructions above and tell me if you have spark.

Rich
Jan 31, 2020 at 6:04 PM
Avatar
LUKAS BAILEY
  • MEMBER
  • 14 POSTS
No spark.
Feb 2, 2020 at 3:55 PM
Avatar
94 TRANSAM
  • CERTIFIED EXPERT
  • 680 POSTS
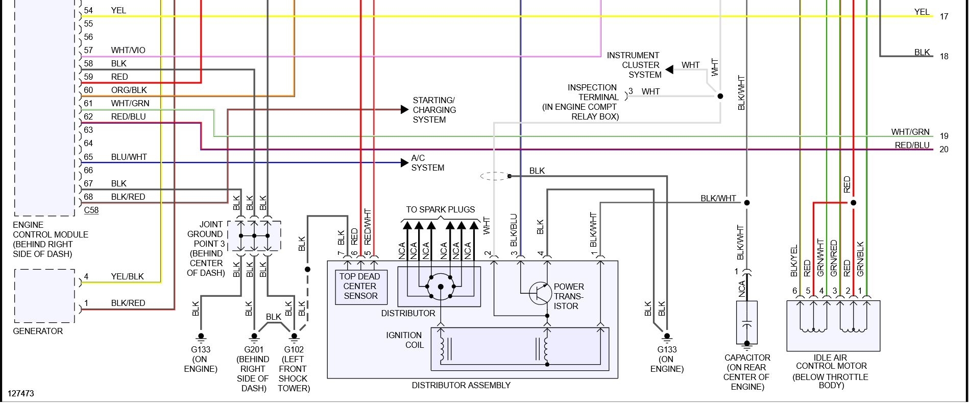
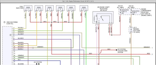
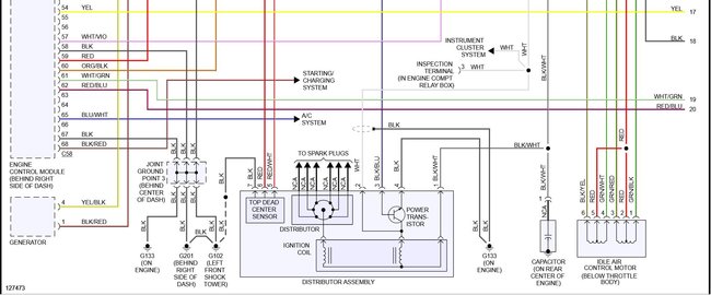
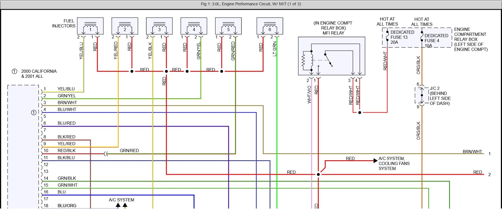
Here is the complete wiring diagram for the ignition system. You will need the first and last page for testing.

On first page test the following.

Fuse #13 and fuse #4.

On last page test.

G133, G201, G102. Test these to the battery, to the body, to the motor and to the frame. You should read 0.04 ohms to each location. Anything over that is a bad ground.

TDC sensor should have 12 volts at the red wire.

Power transistor should have 12 volts on black/blue wire.

Replace the capacitor coming off the power transistor.

If all this checks out I would say the power transistor or the coil has failed.

Rich
Feb 2, 2020 at 9:10 PM
Avatar
LUKAS BAILEY
  • MEMBER
  • 14 POSTS
Sorry to take so long to reply had a hiccup with family health. but I have yet to test these yet. but I did a cam sensor test and it may be useful information but I got 12v from the hot wire on the distributor plug and then I did the ground which was supposed to be around a 2ohmns and it read around 15. I do not know what would cause that other than a bad ground and I cannot figure out where to look for it.
Feb 22, 2020 at 2:23 AM
Avatar
94 TRANSAM
  • CERTIFIED EXPERT
  • 680 POSTS
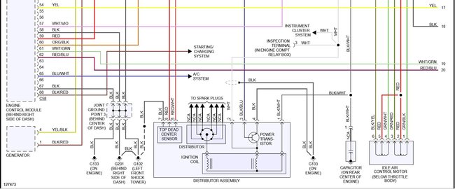
See diagram below. Ground locations are circled in red.

Rich
Feb 22, 2020 at 9:10 AM