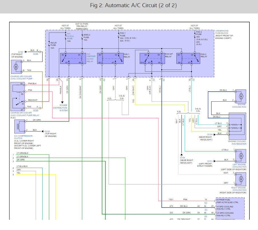
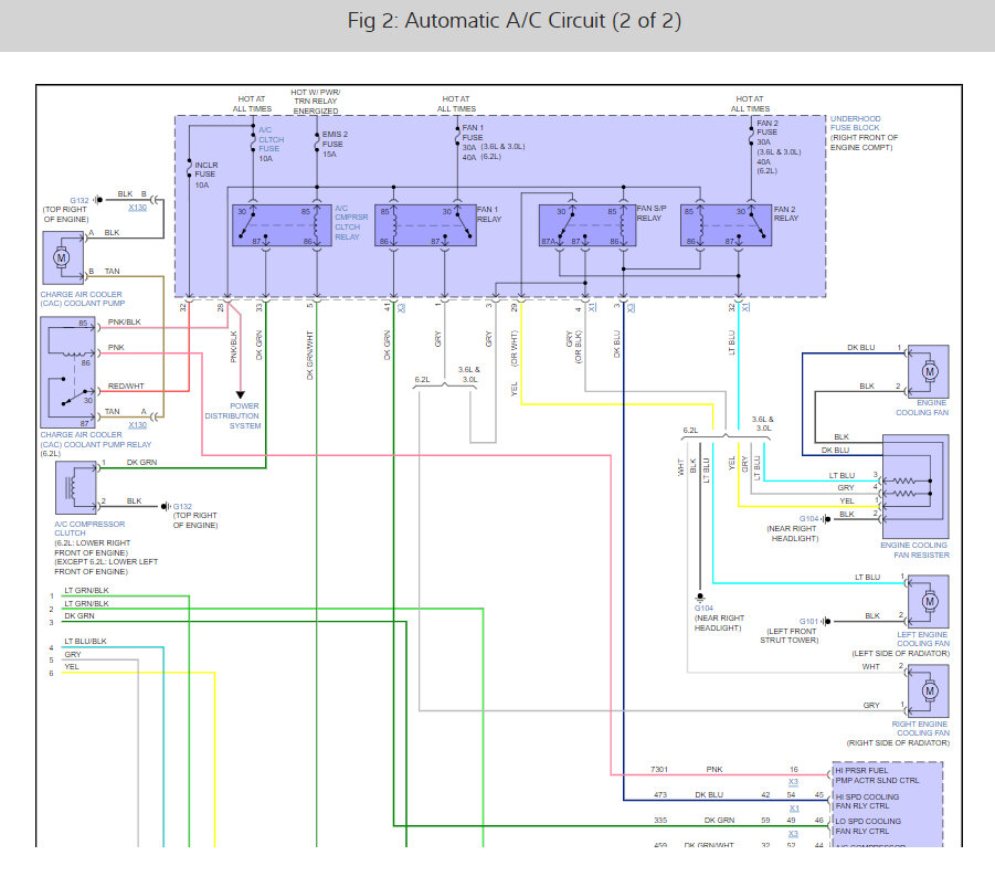
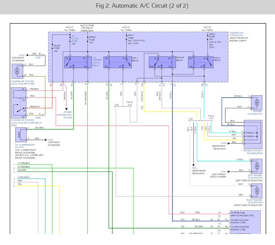
My water pump went a couple weeks ago on my CTS4. The water pump has been replaced and the car has been driven and is not overheat anymore. However, I have a squeal I believe from the serpentine belt. Probably from the fluids when the pump went. I have no power, no lights to the panel where you turn the defroster on or the heat, I also have no power to the heated seats. To the left and right of the air controls. Please help???
Mar 9, 2023 at 12:49 PM












