No power to fuel pump relay

2006 DODGE DURANGO
130,000 MILES • 4.7L • V8 • 4WD • AUTOMATIC
Avatar
BIG PHIL
  • MEMBER
  • 1 POST
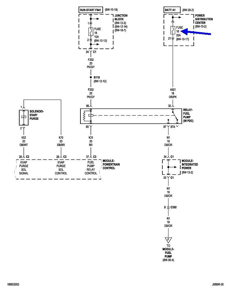
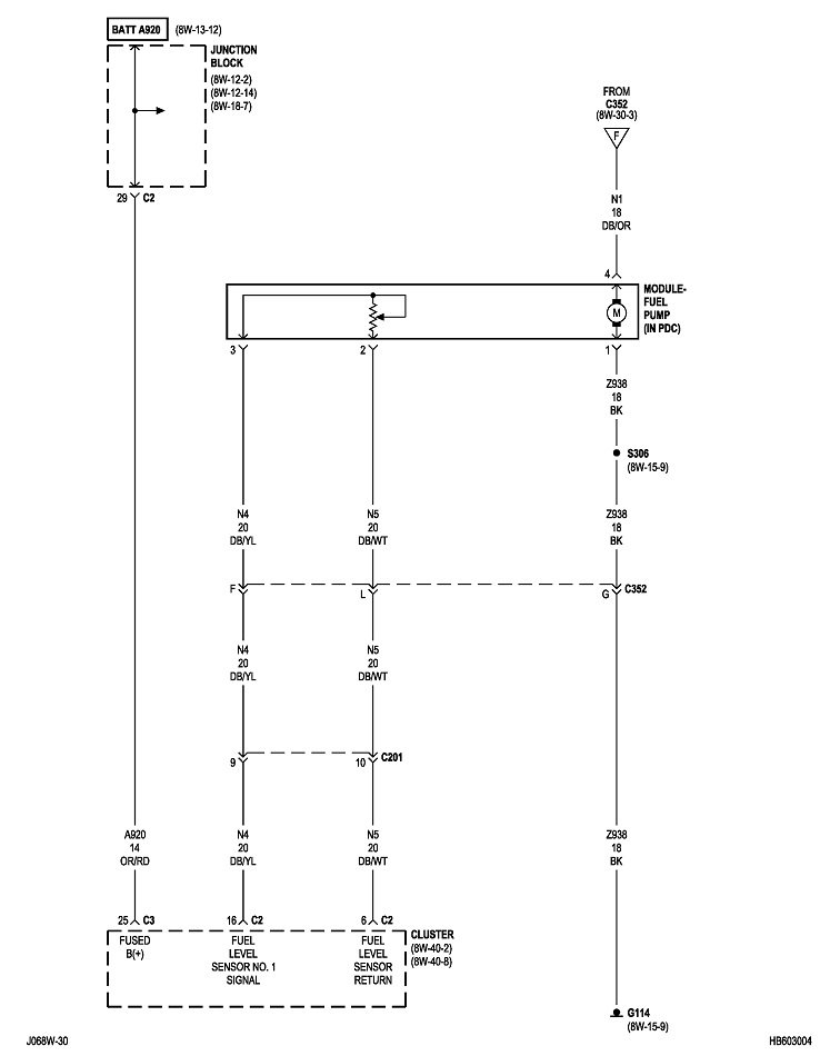
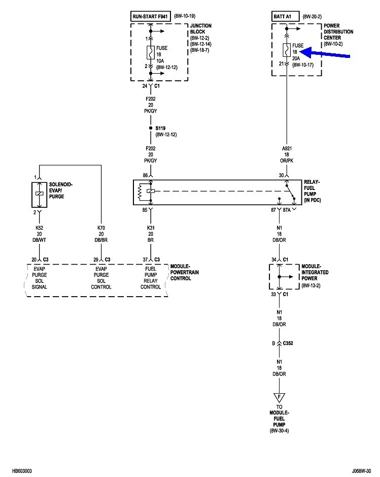
Vehicle was running fine. Went to start it, and it cranked over, but wouldn't run. Noticed I didn't hear the fuel pump when I turned key. The connector for the pump assembly has 4 terminals. Was getting power to 2. Assumed these were for the fuel level indicator. Checked the fuel pump relay for proper operation, okay. Checked fuses before relay,okay. Not getting power to fuel pump relay When initially turning key or when continuing to crank to start. Does some one have electrical diagram of circuit before the fuel pump relay?
May 12, 2020 at 3:19 PM
Advertisement
Avatar
CARADIODOC
  • CERTIFIED EXPERT
  • 34,306 POSTS
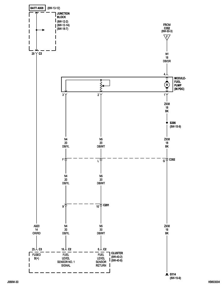
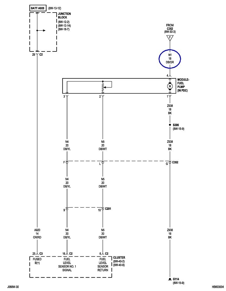
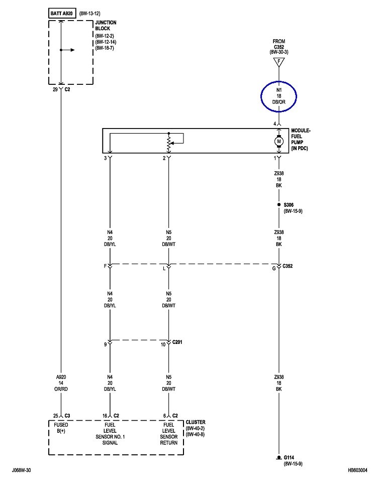
Overlook the second diagram. I wasn't able to delete it.

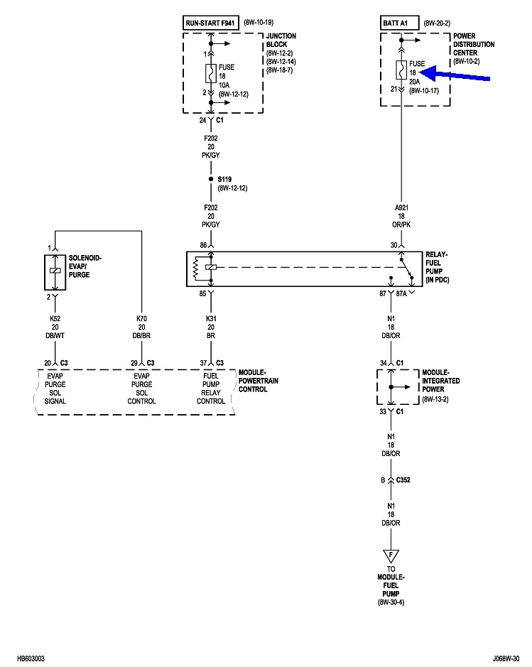
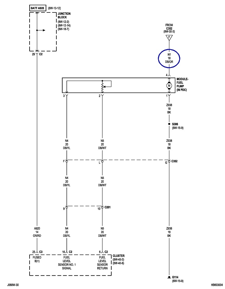
A lot of people don't understand the two times there should be 12 volts to the fuel pump. You have that covered already. Concentrate on the dark blue / orange wire. That's the 12-volt feed for the fuel pump. Terminal 30 in the fuel pump relay's socket should have 12 volts all the time.

For these tests, a test light can be more accurate than a digital voltmeter. If there is a high-resistance break in the circuit, a voltmeter can falsely show there is 12 volts at a point, if you have the plug disconnected to take voltage readings. The readings are valid only when everything is connected, but when that is not practical, the test light completes the circuit and causes current to want to flow. That current is what forces the high-resistance break to show its results.
May 12, 2020 at 4:28 PM