No power to fuel pump

2007 CHEVROLET MONTE CARLO
140,000 MILES • 3.5L • 6 CYL • 2WD • AUTOMATIC
Avatar
DANROL
  • MEMBER
  • 1 POST
Relay and fuse good. Is there a fuel shut off and where is it?
Sep 24, 2018 at 10:01 AM
Advertisement
Avatar
ASEMASTER6371
  • CERTIFIED EXPERT
  • 52,796 POSTS
Good morning.

No, there is no fuel shut off.

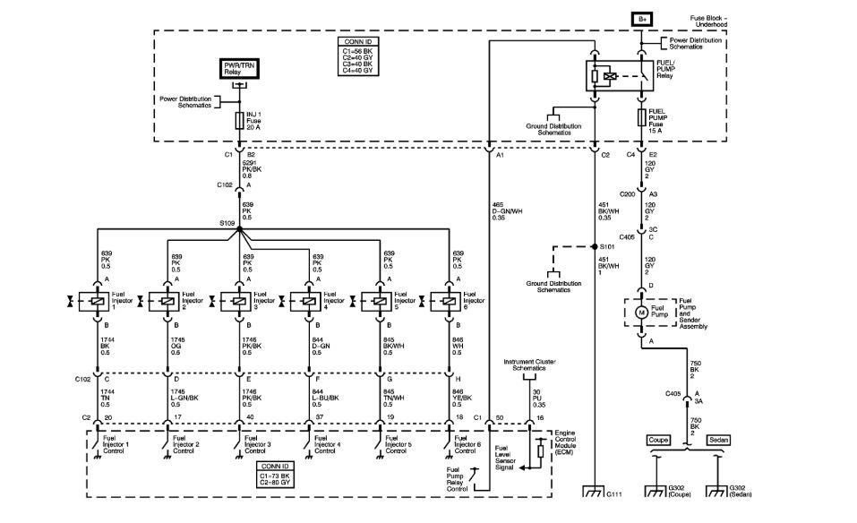
I will attach a wire diagram for you to view. Check for power on both sides of the fuse with the key cranking.

There will be power there for two seconds with the key on, engine off.

Roy
Sep 24, 2018 at 10:42 AM