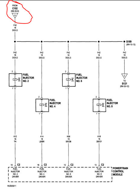
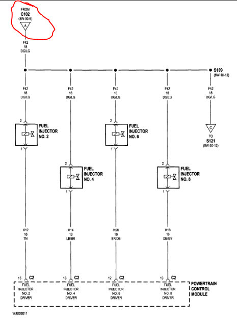
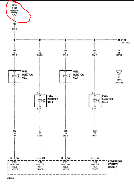
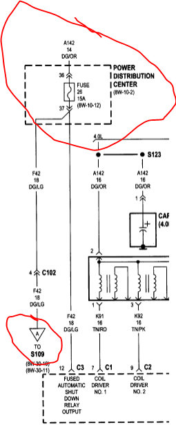
I have pulse but no power feed to just one injector when testing the connector. Are there any diagrams available showing an exploded view of just the route the injector follows to power? A regular wiring diagram isn't working for me. I'm not familiar on how to read them exactly. It would be helpful to actually see the route so I could look for areas that might cause a break in the circuit without opening up all the different ones feeding off of each other going in every direction.
Thanks
Thanks
May 11, 2019 at 6:32 PM

