No power to EFI fuse

1993 TOYOTA 4RUNNER
190,000 MILES • 3.0L • V6 • 4WD • AUTOMATIC
Avatar
COOKJ6927
  • MEMBER
  • 3 POSTS
Was driving up and it shut off. Cranks but no start. Fuse is good for EFI but no power to it.
Aug 20, 2018 at 9:12 AM
Advertisement
Avatar
STEVE W.
  • CERTIFIED EXPERT
  • 15,113 POSTS
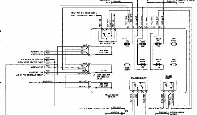
If there is no power to either leg of the EFI fuse itself check the AM2 fusible link in the same box for power. It powers the EFI fuse and relay. If it has power and tests good then it could be a bad connection between the terminals of the fuses through the white/red stripe wire under the fuse box, or a bad connection terminal in the box itself. If you wanted to test that you could make a fused jumper wire using a 15 amp fuse and connect it between battery positive and the EFI fuse terminal. If it starts then the wiring is suspect.
Aug 20, 2018 at 10:12 AM
Avatar
COOKJ6927
  • MEMBER
  • 3 POSTS
I jumped it with a fused jumper fired right up, ran maybe ten minutes then shut off again. I am tracing wires now thanks for the help.
Aug 20, 2018 at 1:18 PM
Advertisement
Avatar
STEVE W.
  • CERTIFIED EXPERT
  • 15,113 POSTS
That sounds like there is another issue as well as the fuse box. Perhaps a short. Do you have a wiring diagram?
Aug 21, 2018 at 2:34 PM
Avatar
COOKJ6927
  • MEMBER
  • 3 POSTS
No, I do not have the diagram. It is a 3vze motor.
Aug 23, 2018 at 7:39 AM
Avatar
STRAILER
  • CERTIFIED EXPERT
  • 53,854 POSTS
Hello,

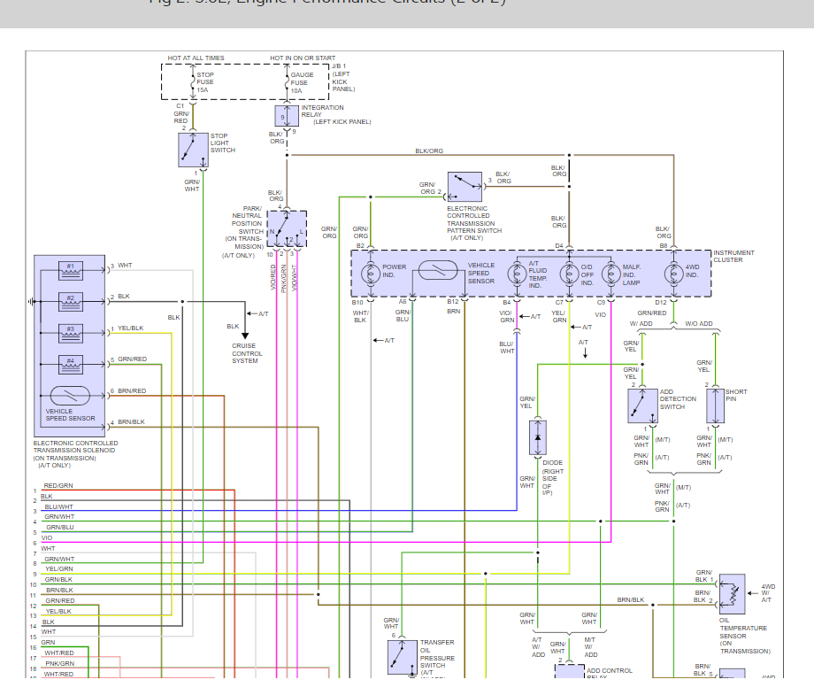
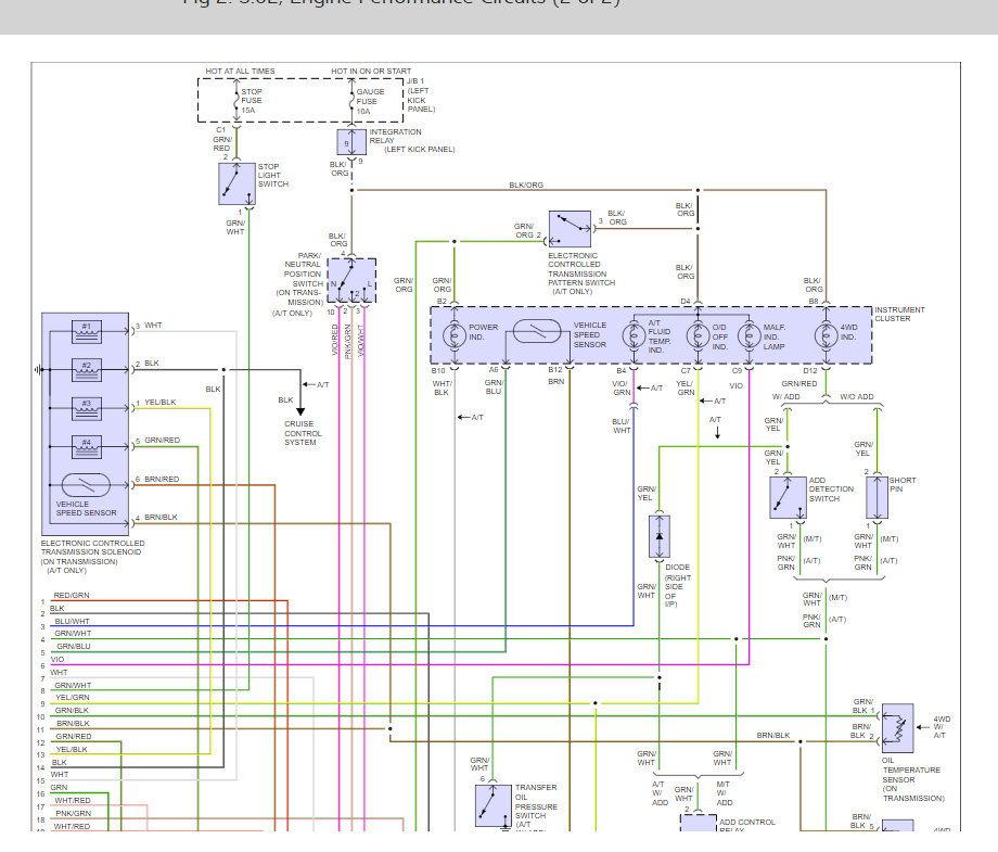
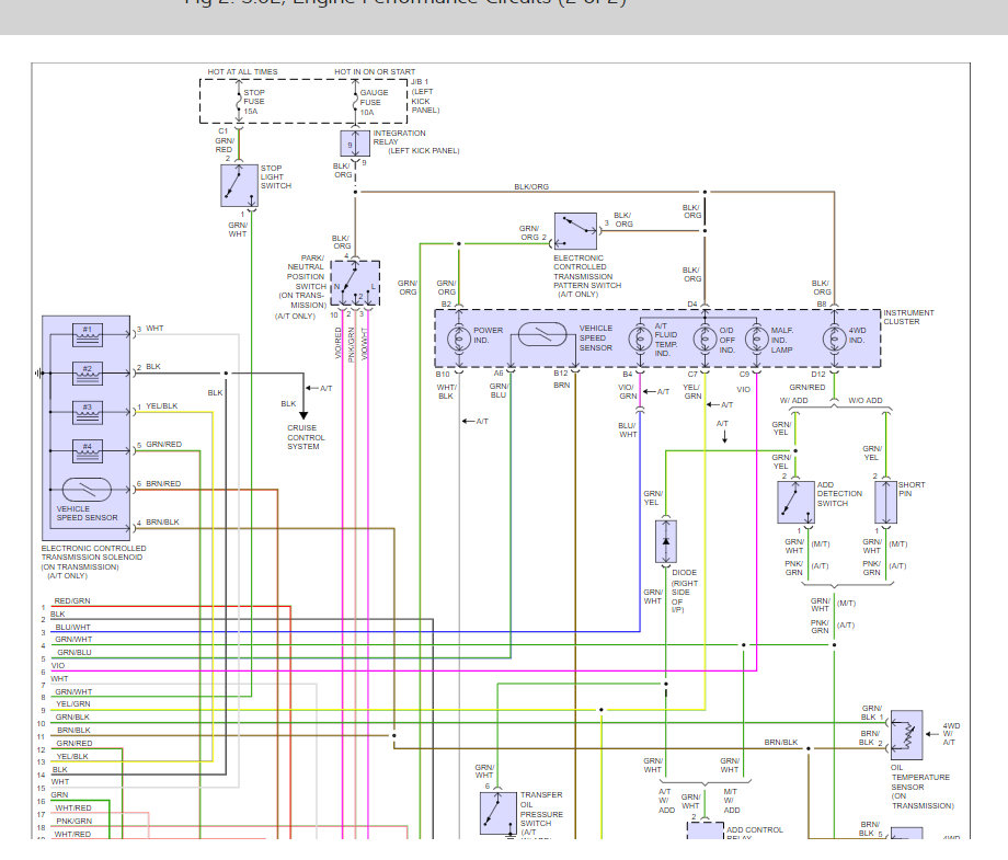
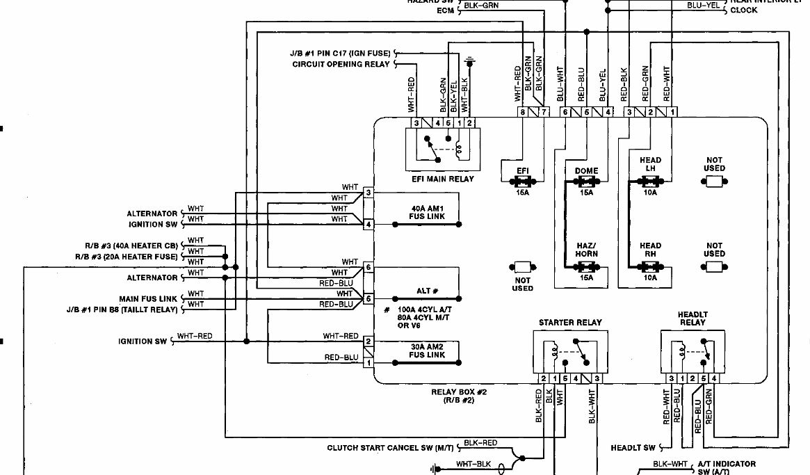
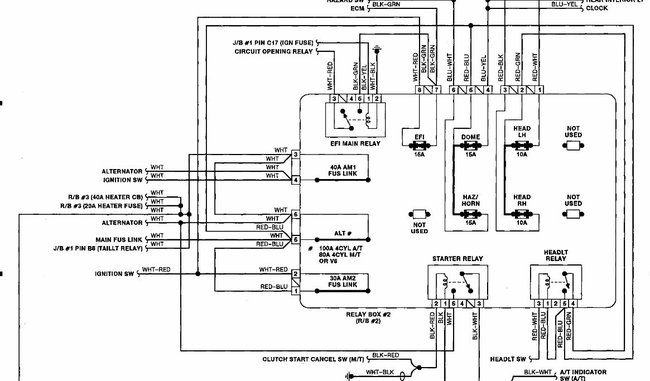
Here is the engine and EFI relay wiring diagrams which is powered by the IGN fuse 7.5 amp. Here is a guide to help you test the fuse and the location of the fuse as well:

https://www.2carpros.com/articles/how-to-check-a-car-fuse

Check out the diagrams (below). Please let us know what you find. We are interested to see what it is.

Cheers, Ken
Aug 25, 2018 at 3:06 PM