fuel pump?

2003 KIA SORENTO
123,000 MILES • 3.5L • 6 CYL • 2WD • AUTOMATIC
Avatar
JASON WATSON
  • MEMBER
  • 16 POSTS
Fuel pump went bad. I changed it and now there is no power to it. I can bypass the fuel relay and it works. checked fuses and cut off switch, and no power to either side of switch.
Nov 10, 2017 at 4:53 PM
Advertisement
Avatar
WRENCHTECH
  • CERTIFIED EXPERT
  • 20,761 POSTS
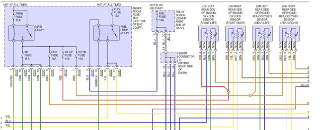
Do you realize that is only powers for two seconds when the key is first turned on? You need two people to test this properly. If so lets check the fuses first here is a guide to help check the fuses and the fuse location below.

https://www.2carpros.com/articles/how-to-check-a-car-fuse


Check out the diagrams (Below). Please let us know what you find.
Nov 10, 2017 at 6:19 PM
Avatar
JASON WATSON
  • MEMBER
  • 16 POSTS
No I did not know that. will test that. do you have any idea of what else it could be?
Nov 10, 2017 at 6:36 PM
Advertisement
Avatar
STRAILER
  • CERTIFIED EXPERT
  • 53,854 POSTS
Hello,

It sounds like you may have a fuse (fuel fuse) that could be out. Lets check for power at the fuel pump relay and then test the relay.

Here is a guide to show you how to do the test:

https://www.2carpros.com/articles/how-to-check-an-electrical-relay-and-wiring-control-circuit

and

https://www.2carpros.com/articles/how-to-use-a-test-light-circuit-tester

Please recheck the fuses as well.

https://www.2carpros.com/articles/how-to-check-a-car-fuse

Here are the fuse panel and engine with fuel pump wiring diagrams so you can do some simple tests (below).

Let us know what happens and please upload pictures or videos of the problem.

Cheers, Ken
Nov 13, 2017 at 3:05 PM
Avatar
JASON WATSON
  • MEMBER
  • 16 POSTS
Ok 30 85 when the switch is off I have 12volts and when the switch is on only have 3.5and 30 86 is hot saltines don't have anything from the rest this is with the relay out,u have tryed changing them no difference
Nov 13, 2017 at 3:22 PM
Avatar
JASON WATSON
  • MEMBER
  • 16 POSTS
I meant 30 86 is hot al time
Nov 13, 2017 at 3:22 PM
Avatar
STRAILER
  • CERTIFIED EXPERT
  • 53,854 POSTS
It sounds like the computer is not triggering the relay to operate. Can you check the ignition system for spark? This will tell us if the computer is seeing the engine rotation.

Here is a guide.

https://www.2carpros.com/articles/how-to-test-an-ignition-system

Please let us know what happens.

Cheers, Ken
Nov 14, 2017 at 9:38 AM
Avatar
JASON WATSON
  • MEMBER
  • 16 POSTS
I have spark,it will run if I bypass the relay,ok I have a question fuel cut off switch, yellow and red wire one goes to the pump right,I hook power at the switch and still no power at the pump,I put it on diagnosis and there are no codes,getting power to every plug on the fuel pump but the red and black
Nov 14, 2017 at 10:10 AM
Avatar
STRAILER
  • CERTIFIED EXPERT
  • 53,854 POSTS
You need to have power at the red wire. It looks like the fuel fuse is what supplies power through the fuel cut off switch. Can you see if there is power at the switch?
Nov 14, 2017 at 11:58 AM
Avatar
JASON WATSON
  • MEMBER
  • 16 POSTS
No power at switch either side
Nov 14, 2017 at 1:24 PM
Avatar
JASON WATSON
  • MEMBER
  • 16 POSTS
Fuse iOS good guess I will have to trace it down,don't know what else to do
Nov 14, 2017 at 5:52 PM
Avatar
STRAILER
  • CERTIFIED EXPERT
  • 53,854 POSTS
Use the test light to see where you lose power. Take you time and follow the power on the wiring diagram and you will find the problem.
Nov 15, 2017 at 10:32 AM
Avatar
WRENCHTECH
  • CERTIFIED EXPERT
  • 20,761 POSTS
Don't forget what I posted earlier. This relay only powers for 2 seconds when the key is first turned on and doesn't resume until the engine is cranking and the computer sees a tach signal.
Nov 15, 2017 at 11:34 AM
Avatar
JASON WATSON
  • MEMBER
  • 16 POSTS
Ok ,hunting it down,thanks
Nov 15, 2017 at 2:15 PM
Avatar
JASON WATSON
  • MEMBER
  • 16 POSTS
Okay, I checked the fuel relay I got from 30-86i have twelve volts 30-85 I have. 24 85-86 I have twelve. no difference after crank up and it sits there with the switch on.
Dec 28, 2020 at 12:25 PM (Merged)
Avatar
STEVE W.
  • CERTIFIED EXPERT
  • 15,113 POSTS
Pin 87 should be the power feed from the relay to the pump. Pins 85/86 are both sides of the coil. Pin 30 is twelve volts from the pump fuse.

If you jump from pin 30 to pin 87 in the socket the pump should run if the pump is good. If you want a quick test of the circuit put a test light in as a jumper. If the pump circuit is good the light should turn on.

There is a fuel cut sensor shown in the power line to the pump. That is in the right hand side of the engine compartment with a yellow wire and red wire in its connector. If it fails or opens no power gets to the pump. But other than telling where it is there is no other information in the service information

The pump ground wire is a black wire behind the right taillight.

Dec 28, 2020 at 12:25 PM (Merged)
Avatar
JASON WATSON
  • MEMBER
  • 16 POSTS
Okay, yes it will jump. I tested the volts at the pump there are five wires at start it is twelve and after it is ten. the only wires getting anything from are the green and a black one. there is also blue, red, and another black. I have two pumps and neither one will make it run. I am lost and confused. please help.
Dec 28, 2020 at 12:25 PM (Merged)
Avatar
STEVE W.
  • CERTIFIED EXPERT
  • 15,113 POSTS
OK, you say the pump will turn on with it jumped? Correct?

When you say you have two pumps but neither makes it run, are you saying that they work but the engine won't run?

How about we back up a bit and give me a description of what this vehicle isn't doing, and how you determined it's a fuel problem?
Dec 28, 2020 at 12:25 PM (Merged)
Avatar
JASON WATSON
  • MEMBER
  • 16 POSTS
I can put gas in the breather or bypass the fuel relay and the car will run but hook it up the way it's supposed to be the car starving for gas until it won't start
Dec 28, 2020 at 12:25 PM (Merged)
Avatar
JASON WATSON
  • MEMBER
  • 16 POSTS
The only wires getting anything are green and black 12 at at start and 10,don't make any since to me to test the pump wires are blue and black
Dec 28, 2020 at 12:25 PM (Merged)
Avatar
STEVE W.
  • CERTIFIED EXPERT
  • 15,113 POSTS
So if you install the pump relay the engine doesn't get enough fuel but if you jump the relay out it does? And it runs like normal with the relay jumped out?

The only thing that changes is the control from the PCM.

Do you have a way to test the fuel pressure at the rail? A gauge tapped into the main line should show about 39 psi with the engine running at idle. If you see that with the relay jumped then the pump and lines are OK and the issue is likely the PCM itself has a problem controlling the relay.
Dec 28, 2020 at 12:25 PM (Merged)
Avatar
STEVE W.
  • CERTIFIED EXPERT
  • 15,113 POSTS
I don't see a blue as pump power, The pump power supply should be a red wire. Then a black for ground.
A full line trace shows the relay fed by the fuel fuse, then out of the relay as a yellow wire to the fuel cut sensor, out of the sensor the power is now on a red wire to the pump.

There should be a Green wire that goes to the fuel gauge from the sending unit in the tank and another Black which is the ground for the fuel gauge.

Green/black stripe, Brown and Red should be the colors on the tank pressure sensor and White and Black for the temperature sensor.

This is assuming that these are correct.
Dec 28, 2020 at 12:25 PM (Merged)
Avatar
JASON WATSON
  • MEMBER
  • 16 POSTS
Should I bypass the relay to check the pressure, only way it's going to run
Dec 28, 2020 at 12:25 PM (Merged)
Avatar
STEVE W.
  • CERTIFIED EXPERT
  • 15,113 POSTS
Yup. If it runs and the pressure is in spec then you have a relay control issue.
Dec 28, 2020 at 12:25 PM (Merged)
Avatar
JASON WATSON
  • MEMBER
  • 16 POSTS
Ok thanks I will check it tomorrow, thanks for the info, wonder what the blue wire is,will send u a pic tomorrow thanks
Dec 28, 2020 at 12:25 PM (Merged)
Avatar
JASON WATSON
  • MEMBER
  • 16 POSTS
Power to the green no power to red
Dec 28, 2020 at 12:25 PM (Merged)
Avatar
JASON WATSON
  • MEMBER
  • 16 POSTS
The first pic I have power on green and black ,2nd pic I have power 3rd power there to,I don't no I'm lost
Dec 28, 2020 at 12:25 PM (Merged)
Avatar
STEVE W.
  • CERTIFIED EXPERT
  • 15,113 POSTS
OK in those pictures the first picture is the wiring for the pump and fuel level sensor.
The second picture with the black and white wires is the fuel temperature sender and the third picture is the fuel tank pressure sensor.

Out of those you can ignore the second and third items, they only tell the PCM info, they don't control or work with the fuel pump.

In the first picture, you should have power on the RED wire, it feeds power to the pump.
There will also be power on the GREEN wire as it feeds the fuel level sending unit.

You say you have power on a black wire? Is it the larger black wire on the right next to the green and red wires? If so that is supposed to be a ground wire. If it wasn't grounded properly it will show power. Follow it and you should find it connects to either the middle of the car or runs up and behind the taillight. It is either broken or corroded off. I would simply run a test wire to a good ground and connect it to that wire. The pump should work then.
Dec 28, 2020 at 12:25 PM (Merged)
Avatar
TAKEISHA SHANDELL
  • MEMBER
  • 1 POST
I have someone that worked on my truck. The fuel pump was or is going bad. It will buzz sometimes and sometimes it won't. Before giving it to the guy it would crank and run. Now after fixing what I needed and paid him to fix he says that the vehicle won't start anymore. It'll crank but won't turn over. He says the fuel pump has completely gone out even though he said it started up after replacing my water pipe and pump. My question is, is it even possible for a fuel pump to go completely out even though the vehicle hasn't been ran or driven? I feel like he's trying to continue to get money out of me.
Dec 28, 2020 at 12:27 PM (Merged)
Avatar
SCGRANTURISMO
  • CERTIFIED EXPERT
  • 4,897 POSTS
Hello,

Fuel pumps are like being pregnant, they either work or they don't. When you turn your vehicle's key on you should hear the fuel pump come on a two or three seconds to prime the fuel system. So, let's see if you are getting battery voltage back to the fuel pump. With the multimeter already measuring the voltage, I need you to have an assistant turn the key to RUN. I want you to have the red lead of the multimeter backprobing pin #4 of the fuel pump connector(Red Wire) and the black lead good metal to metal contact on the vehicle body.I have included the wiring diagrams for your vehicle's fuel pump in the diagrams down below. Please get back to us with what you find out.

Thanks,
Alex
2CarPros
Dec 28, 2020 at 12:27 PM (Merged)
Avatar
TJ CRIDDLE
  • MEMBER
  • 1 POST
Fuel pump only runs in the start position.
Dec 28, 2020 at 12:27 PM (Merged)
Avatar
HMAC300
  • CERTIFIED EXPERT
  • 48,601 POSTS
check fuse and relay under hood fuse box then check to see if fuel cut sensor is telling pump to come on. See pictures and link.
https://www.2carpros.com/articles/how-to-check-an-electrical-relay-and-wiring-control-circuit
Dec 28, 2020 at 12:27 PM (Merged)