No power to cab after installing the battery backwards

1997 NISSAN HARDBODY
160,000 MILES • 2.4L • 4 CYL • 2WD • MANUAL
Avatar
  • MEMBER
  • 1 POST
No power to cab at all only the headlights and wipers work. I made mistake installed battery backwards it smoked. Truck still starts up though.
May 6, 2021 at 7:05 PM
Advertisement
Avatar
JACOBANDNICKOLAS
  • CERTIFIED EXPERT
  • 110,175 POSTS
Hi,

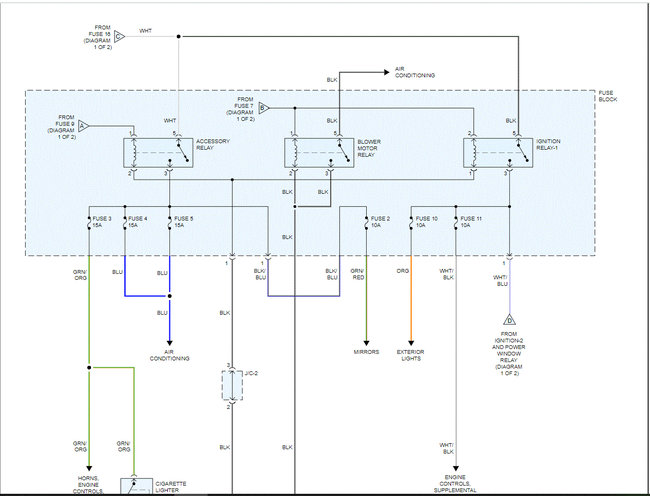
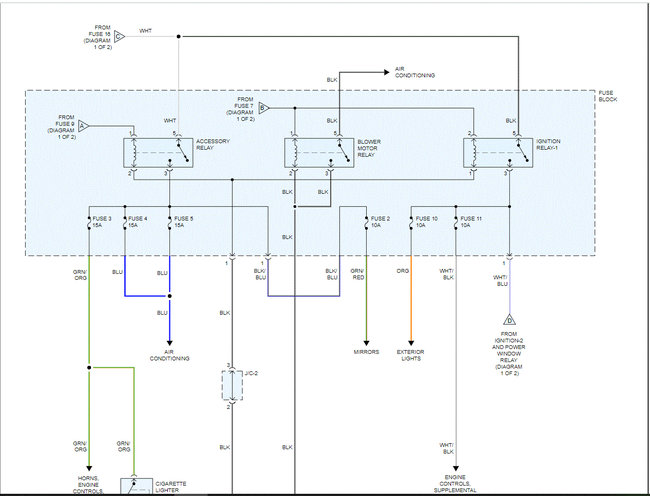
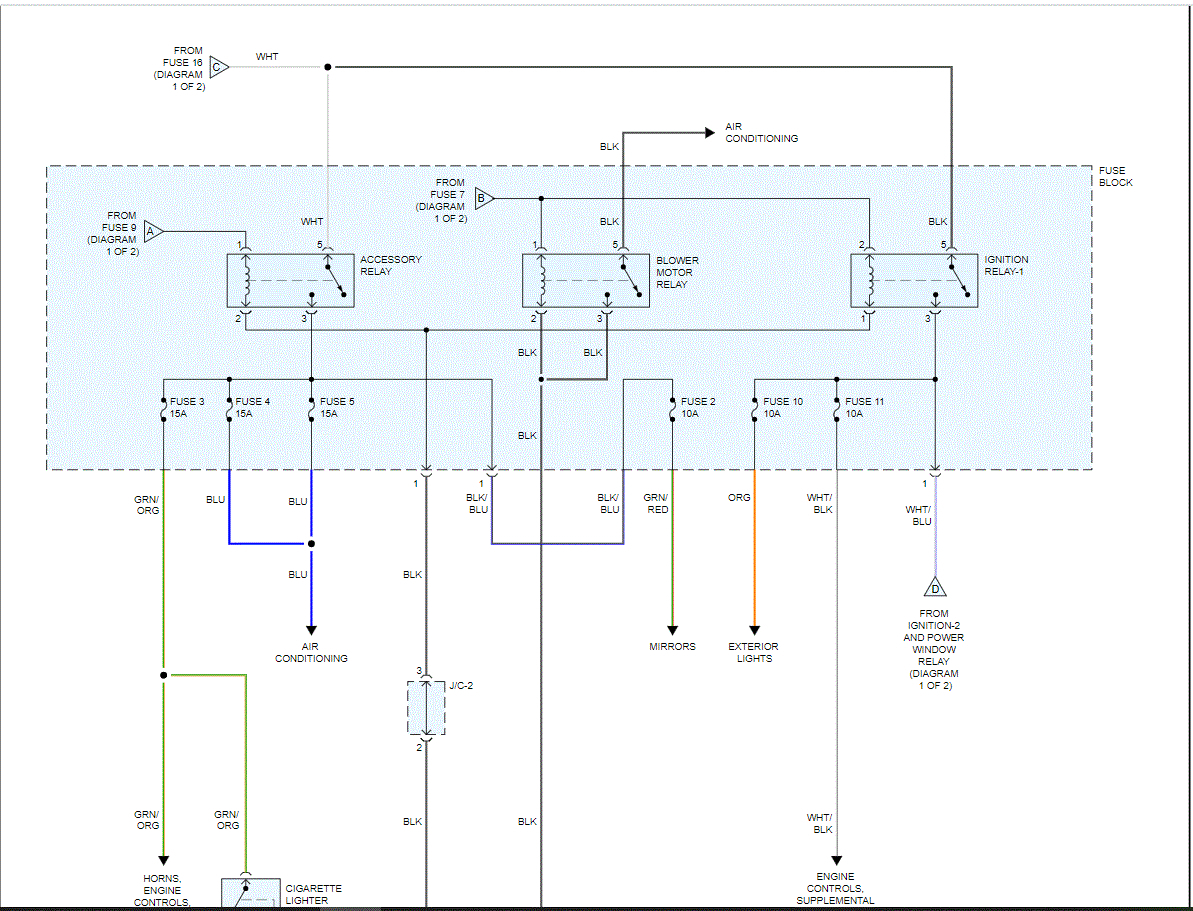
I looked through the power distribution schematics and there is nothing that just shuts off the interior. Do me a favor. Take a look through the schematics and let me know if you notice anything that correlates with what is not working. It's odd because I was thinking the ignition two relay may have been the issue, but you said the truck runs, and that powers not only several interior components but also the engine controls. I can't seem to find a break where things that are presently working break away from the non-working components.

Here is a link you may find helpful:

https://www.2carpros.com/articles/how-to-check-wiring

Also, let me know where you saw smoke. Could you tell what it was coming from?

Let me know.

Joe

See pics below.

May 7, 2021 at 8:55 PM
Avatar
DANNY L
  • CERTIFIED EXPERT
  • 5,648 POSTS
Hello, I'm Danny.

Due to hooking the battery incorrectly it sounds like you may have burnt the fusible link. This fusible link is protect all the electrical components any electrical circuitry in event of something like this happening. The fusible links are located near the positive battery cable. I've attached picture steps below of their location and replacement steps below for your truck and circled in red. Hope this helps and thanks for using 2CarPros.
May 7, 2021 at 9:00 PM
Advertisement