there was no power to the A/C controls

2015 NISSAN ROGUE
80,000 MILES
Avatar
  • MEMBER
  • 2 POSTS
I recently changed my battery to discover there was no power to the A/C controls. I checked the 10A fuse (it's okay) but could it be the relay that got fried when I changed the battery? The fuse I checked was for ACC (I assumed it was the A/C) behind the panel when you open the driver door. I did not check the one under the hood.
Sep 23, 2019 at 6:02 AM
Advertisement
Avatar
STRAILER
  • CERTIFIED EXPERT
  • 53,854 POSTS
Hello

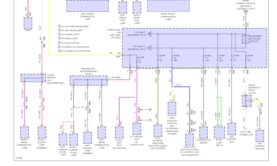
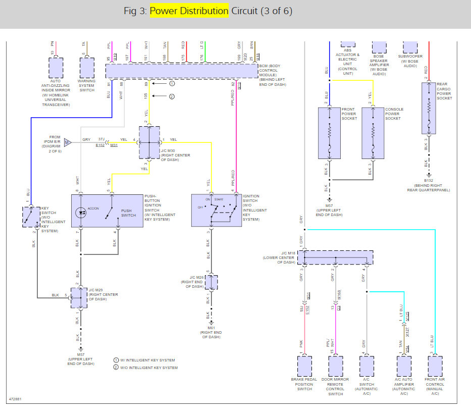
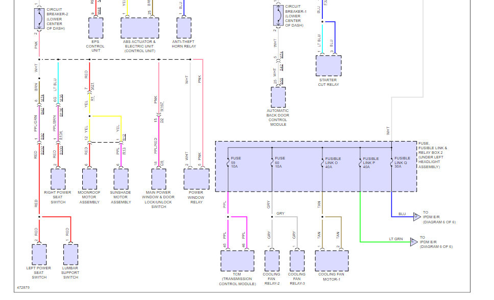
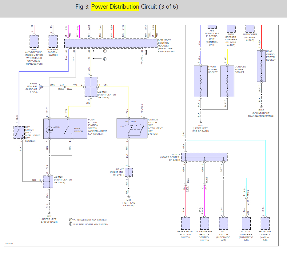
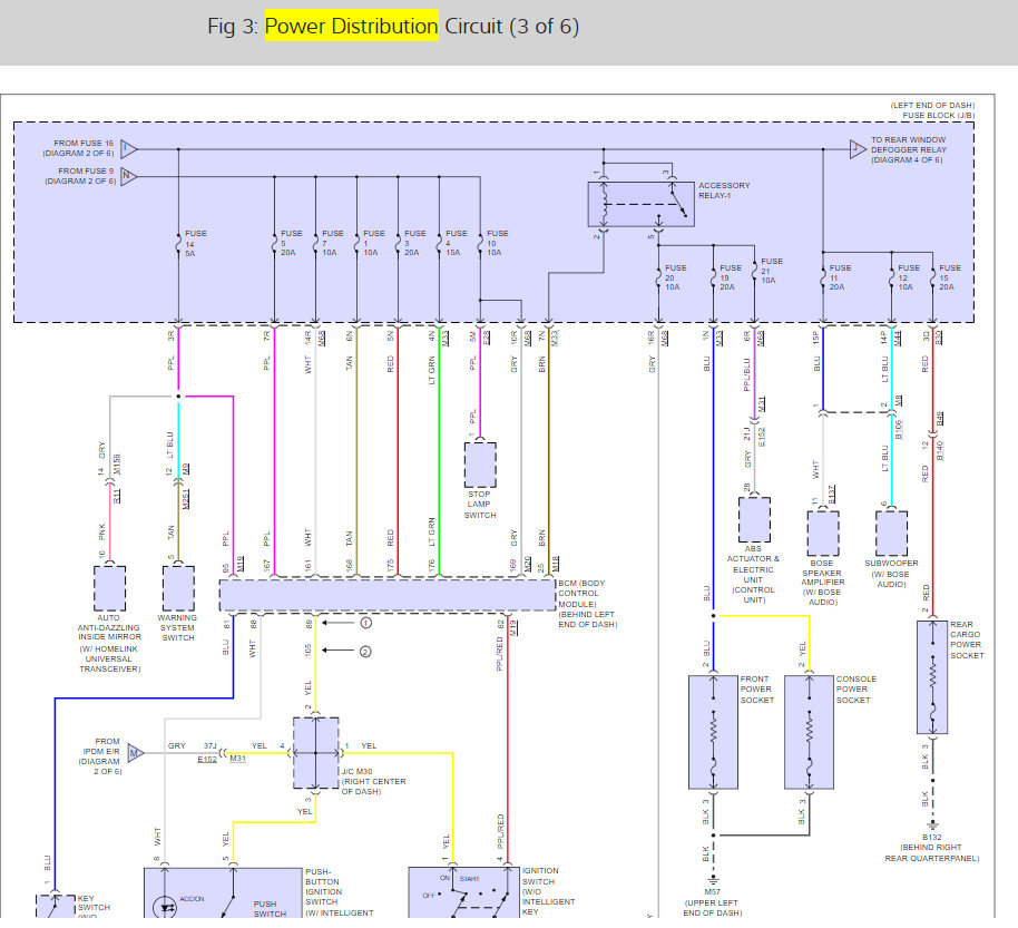
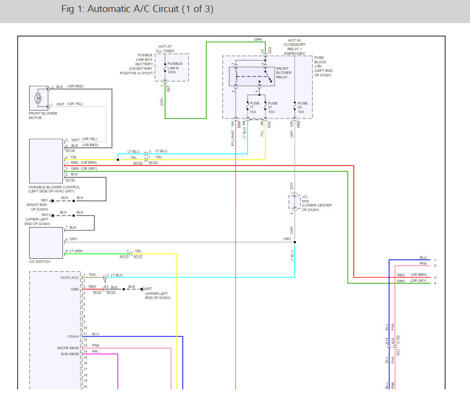
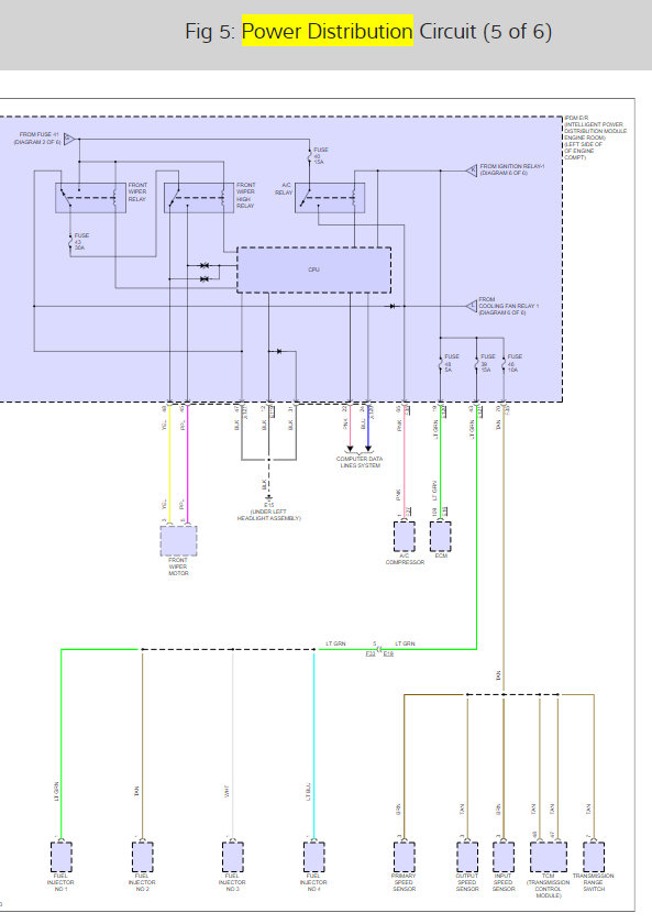
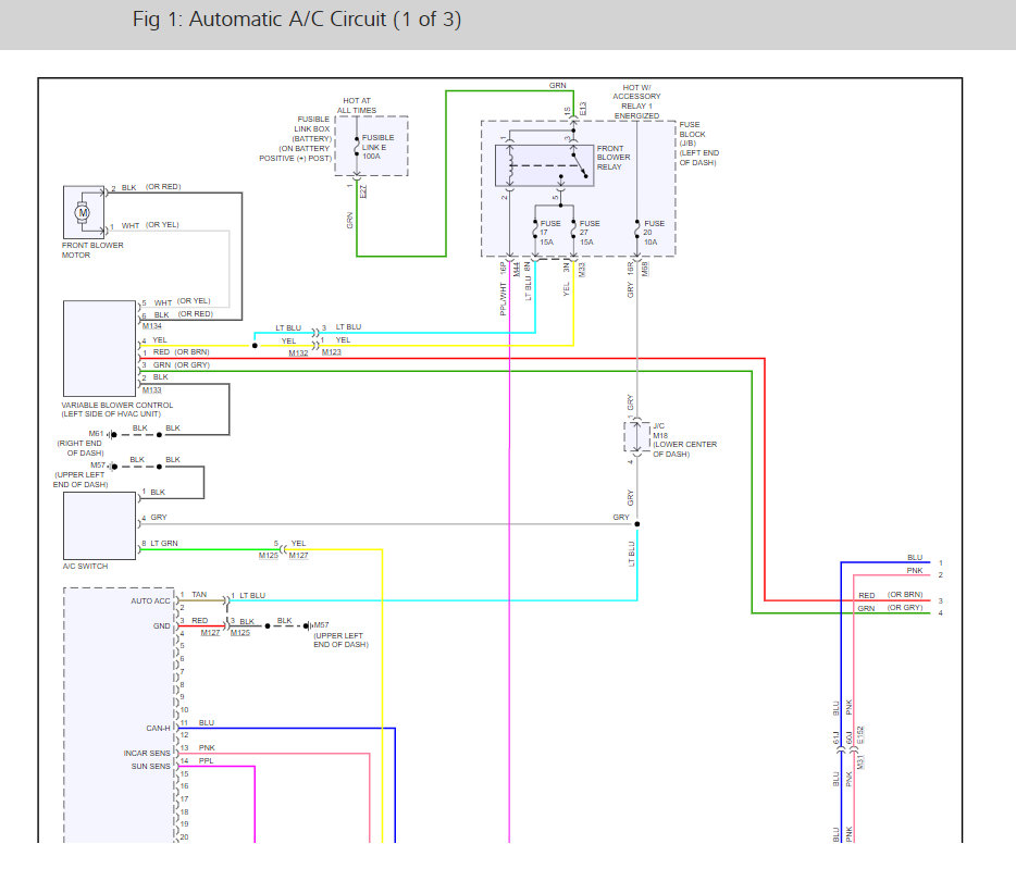
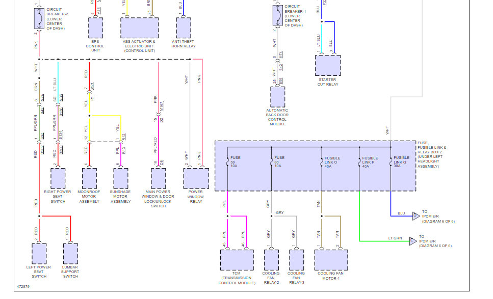
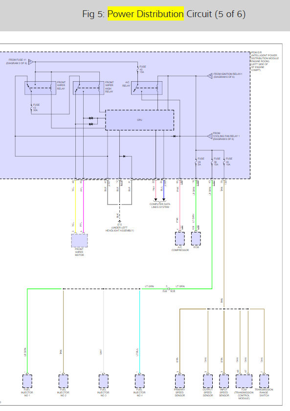
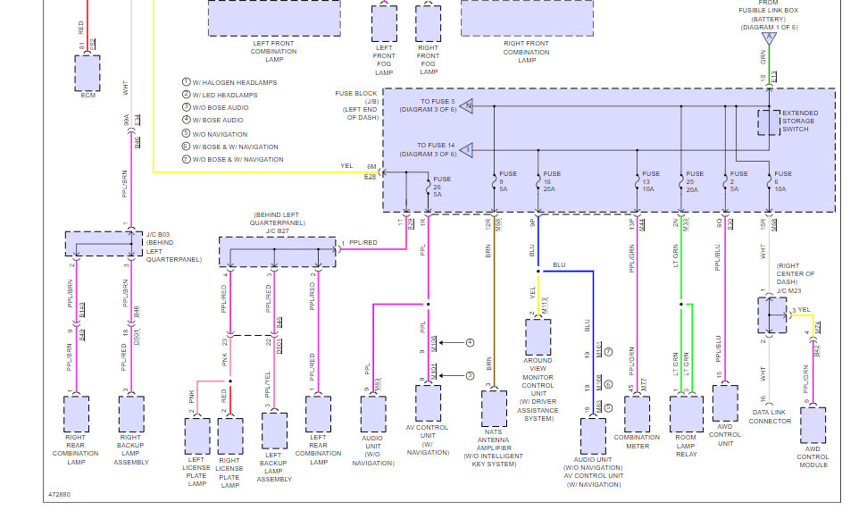
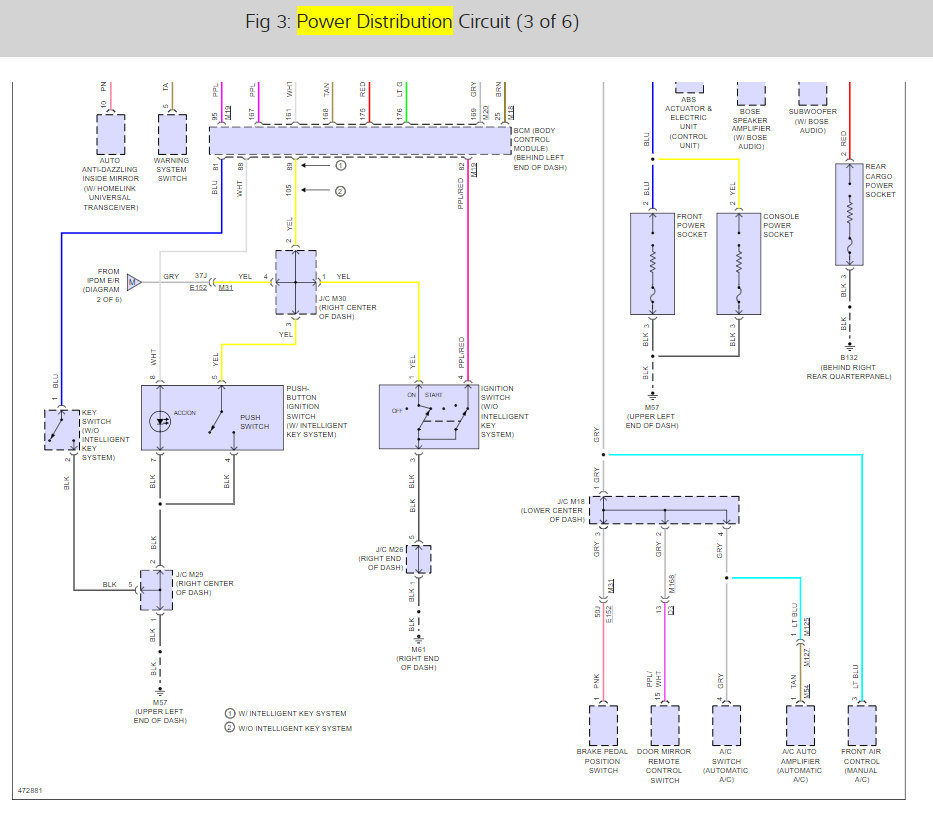
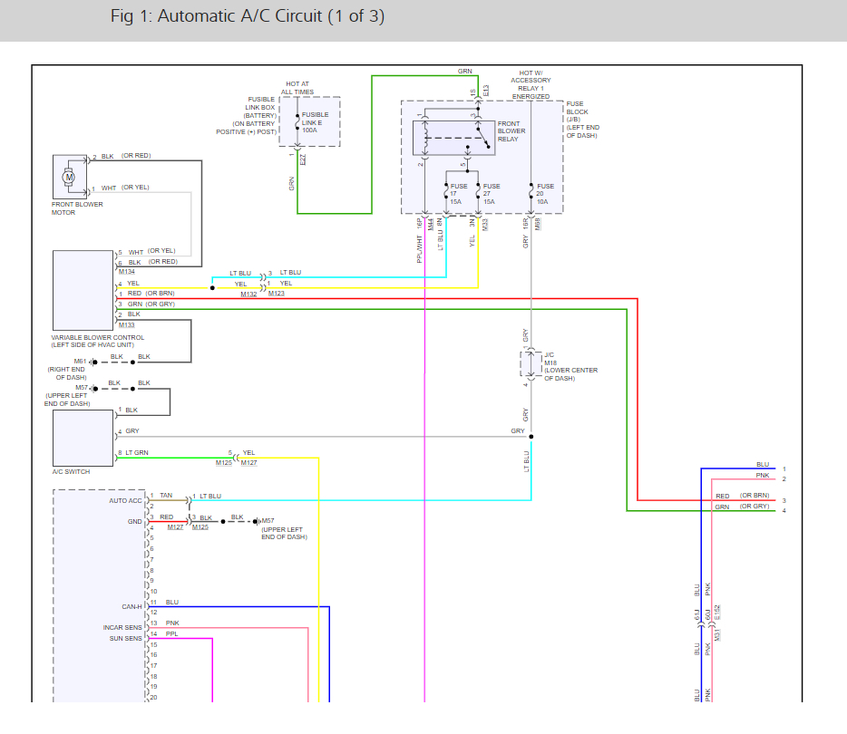
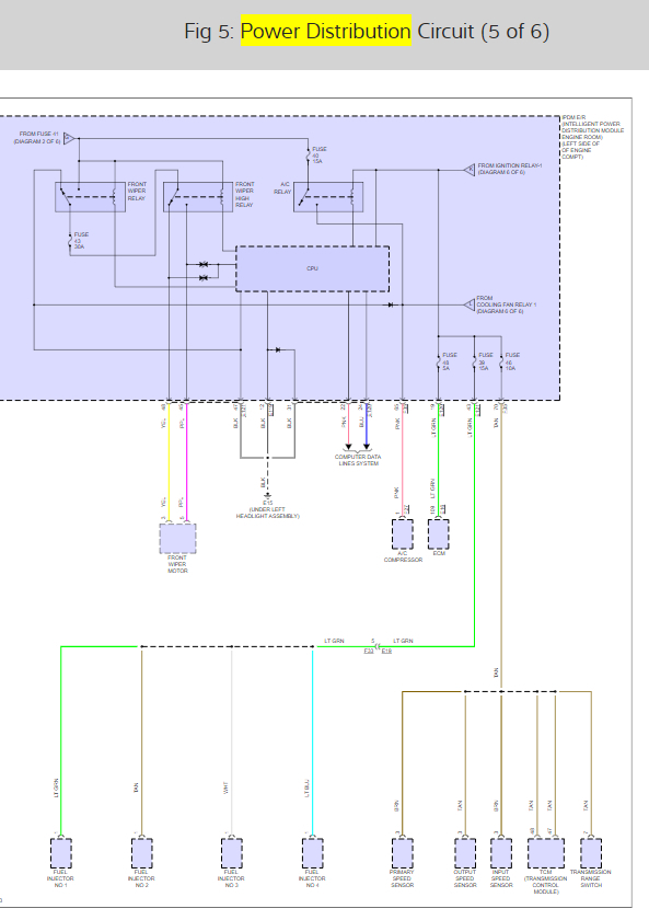
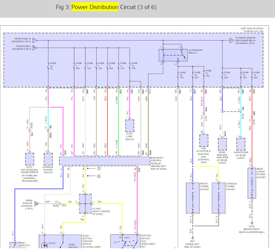
There are 7 fuses and three fusible links that need to be checked. can I ask if a set of jumpers was used backwards? if so it could have taking out a fusible. Here is a guide to help check the fuse and for power with the air conditioner heater wiring diagrams so you can see which fuses to check and how the system works. Also the fuse locations are below as well.

https://www.2carpros.com/articles/how-to-check-a-car-fuse

Check out the diagrams (below). Please let us know what you find. We are interested to see what it is.
Sep 24, 2019 at 11:59 AM