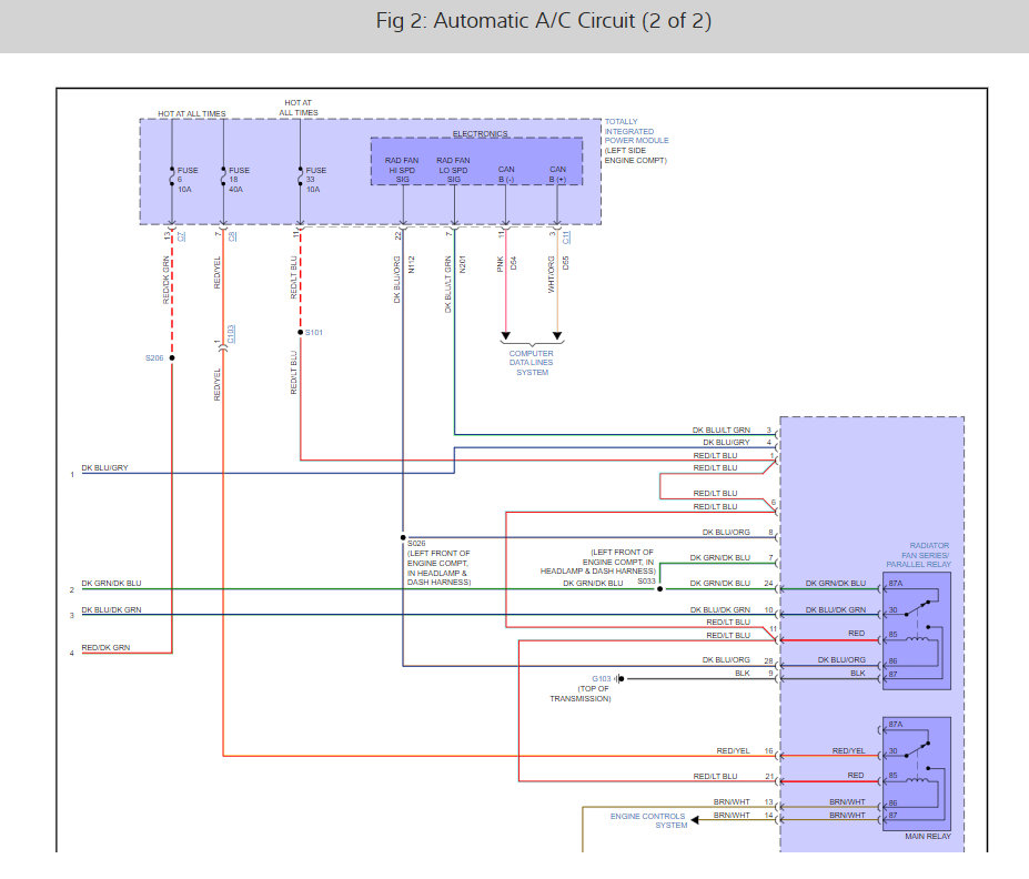
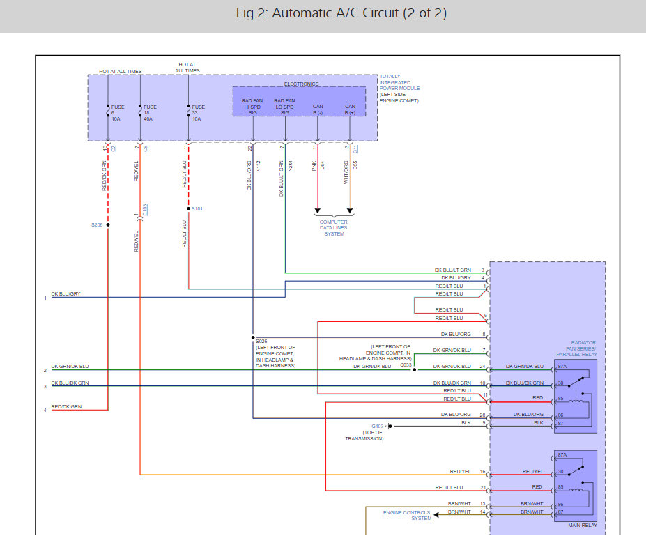
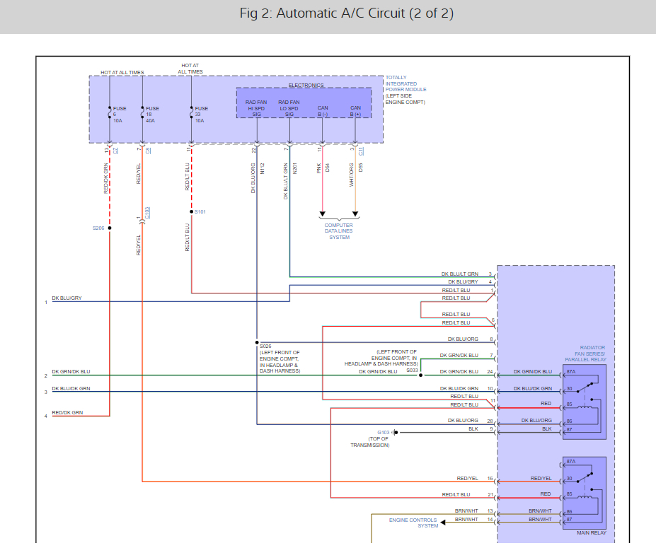
The fuse has been tested and TIPM replaced. Still no power to compressor. Checked hot side of fuse and have 12 volts. somewhere between TIPM and compressor it is losing power to compressor.
Any ideas?
Any ideas?
Sep 19, 2022 at 1:25 PM




