No power to A/C and no display

2003 SATURN L200
120,000 MILES • 4 CYL • 2WD • AUTOMATIC
Avatar
CBRANDI17
  • MEMBER
  • 2 POSTS
My daughter broke the driver side sun-visor lighted mirror. I disconnected the positive wire to give my self use of visor. I heard a sound as if something was shorting out when i moved part of the mirror component. That night i had no power to my map reading lights, or the light that comes on when you open the door. Also i noticed there is no display to the outside temperature or power to run the A/C. All the fuses i thought to look at were fine.
Aug 12, 2019 at 12:57 PM
Advertisement
Avatar
DANNY L
  • CERTIFIED EXPERT
  • 5,648 POSTS
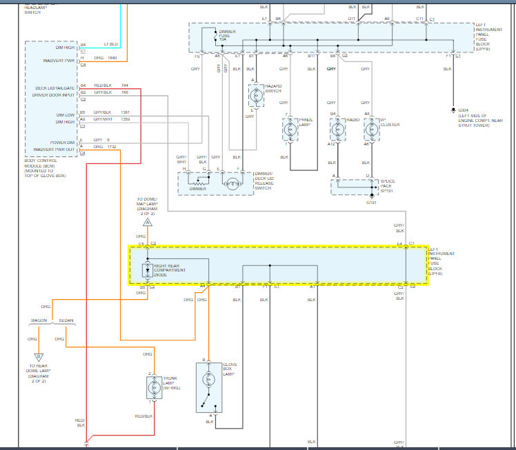
All of the dome/map/visor lights are fuses through the left instrument fuse panel block.Here are a few tutorials showing how to check fuses and wiring:

https://www.2carpros.com/articles/how-to-check-a-car-fuse

https://www.2carpros.com/articles/how-to-check-wiring

I've attached a wiring diagram below.Hope this helps and thanks for using 2CarPros.

Danny-
Aug 12, 2019 at 1:23 PM
Avatar
CBRANDI17
  • MEMBER
  • 2 POSTS
All of the fuses i have checked appeared to be fine. I am assuming the wire caused a short somewhere? Is it possible it ruined the whole A/C unit?
Aug 12, 2019 at 3:39 PM
Advertisement
Avatar
DANNY L
  • CERTIFIED EXPERT
  • 5,648 POSTS
Hello again,

I can send you a diagram but first I need to know if your A/C system is Automatic or Manual controls. Thanks again for using 2CarPros.
Danny-
Aug 13, 2019 at 1:52 PM