No power at some taillights bulbs?

2007 MERCEDES BENZ R350
58,567 MILES • V6 • 2WD • AUTOMATIC
Avatar
BLESSING EWOBOR
  • MEMBER
  • 754 POSTS
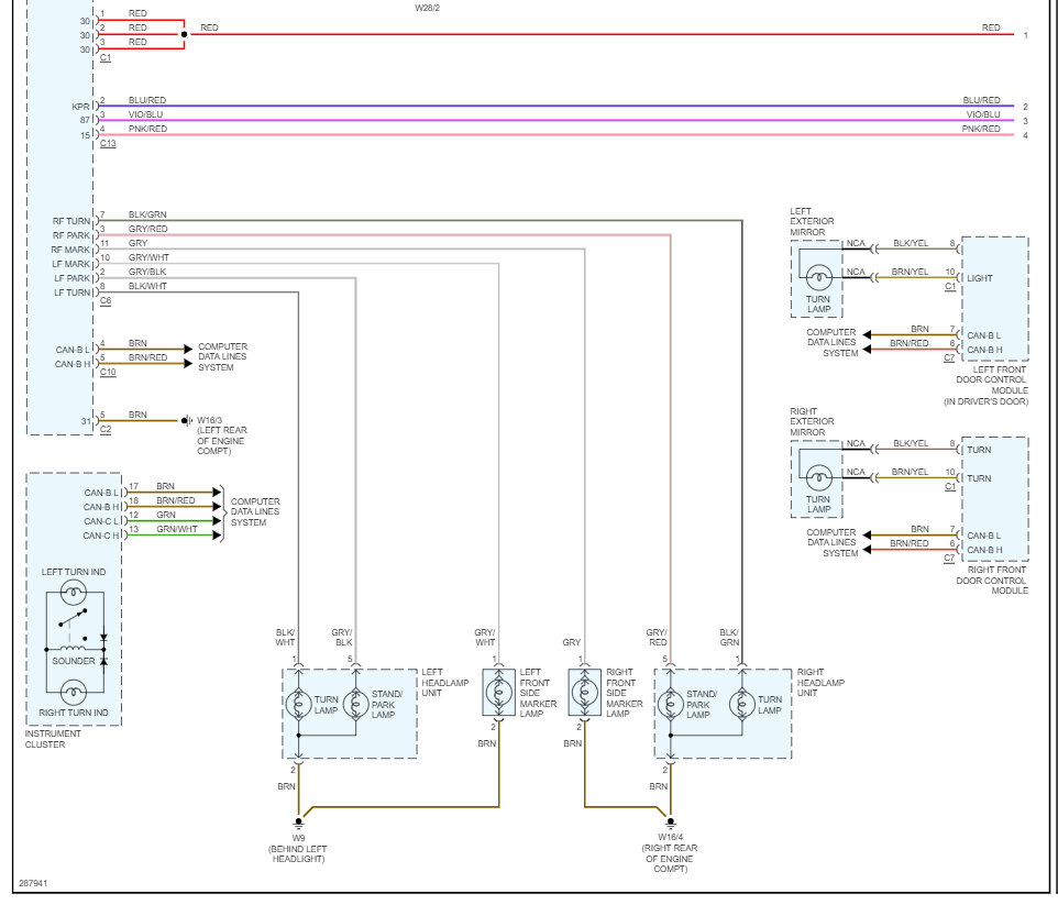
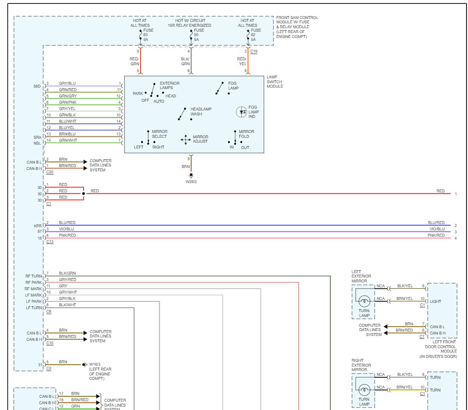
Hello, one reverse bulb and three other bulbs were not functioning, I replaced the bulb. The brake light and the reverse bulb came up but the two bulbs on the right and left indicated below did not light up. Testing with test light confirmed that there is no power at both sides for those particular bulbs.
Could I get a wire diagram?
And suggestions could be of help.
Thank you
Oct 12, 2023 at 9:51 AM
Advertisement
Avatar
STRAILER
  • CERTIFIED EXPERT
  • 53,854 POSTS
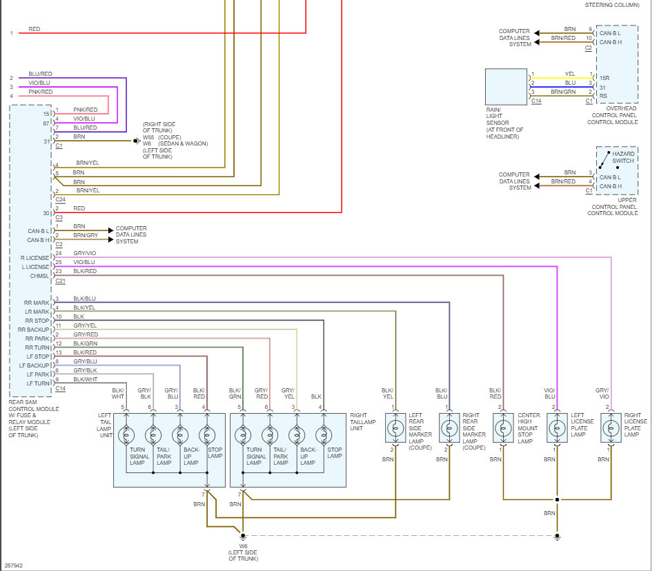
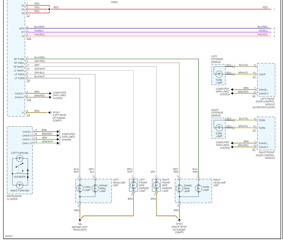
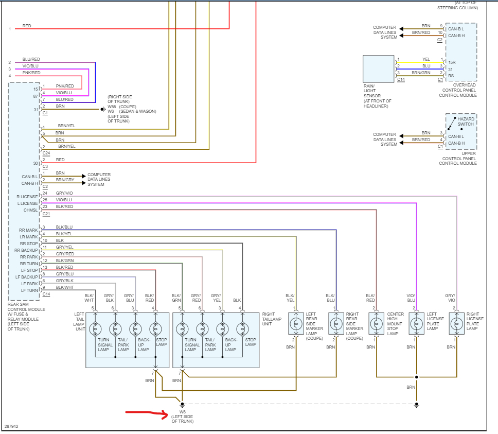
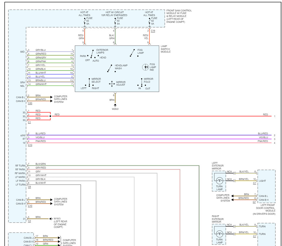
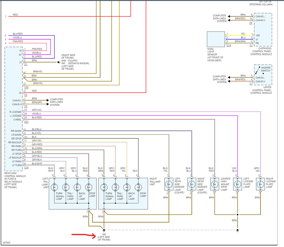
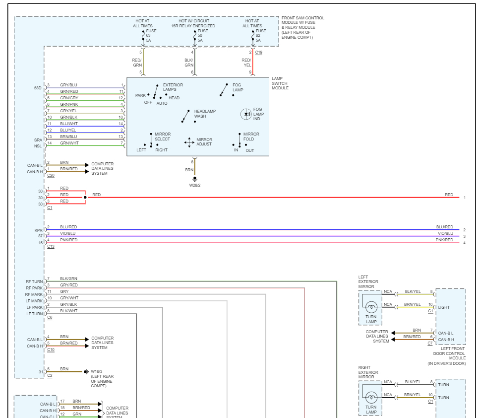
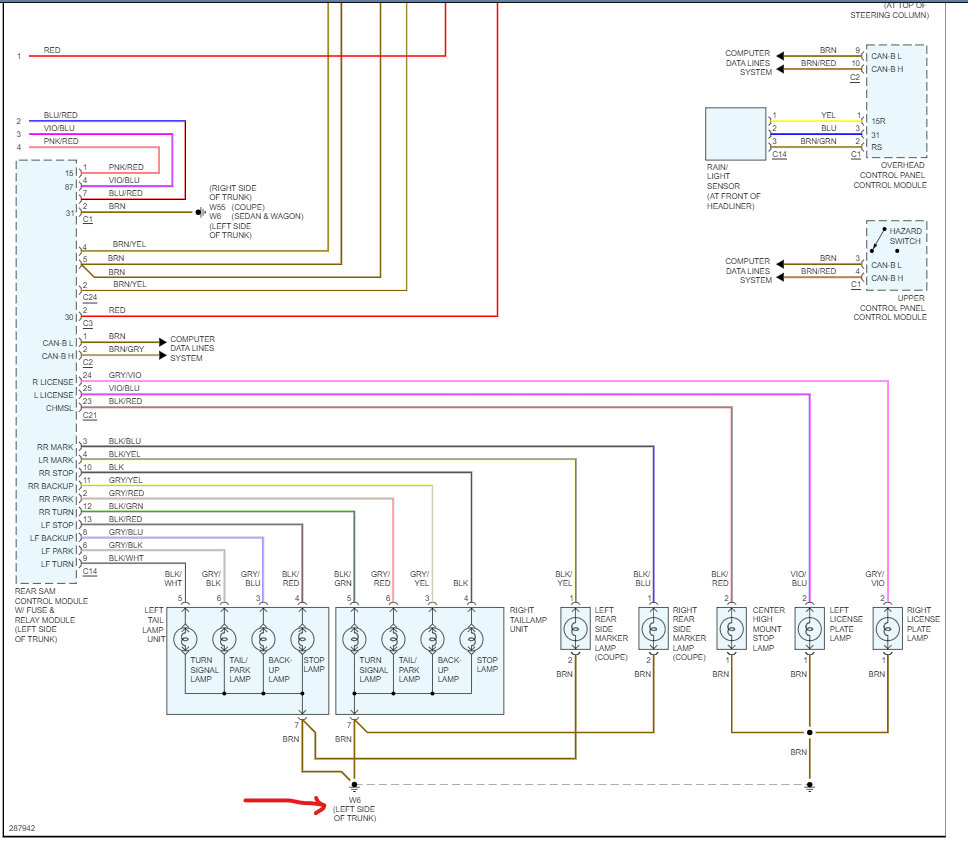
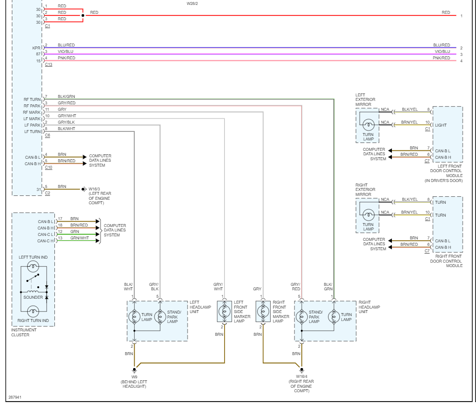
It sounds like the ground is bad, or the rear SAM module needs to be replaced. Here is the ground location and the rear light wiring diagrams as requested. Also, I have included how to change the rear SAM module out in case you need it. Check out the images (below). Let us know what happens and please upload pictures or videos of the problem so we can see what's going on.




Oct 12, 2023 at 11:44 AM