No power at HVAC Control Panel?

2015 RAM 1500
24,000 MILES • 3.0L • 6 CYL • 4WD • AUTOMATIC
Avatar
ANALYSTGUY
  • MEMBER
  • 7 POSTS
I have the truck listed above Laramie Longhorn equipped with a 3.0L ecoDiesel engine. Last 7 VIN S744599.

Everything worked fine until I replaced the battery the other day. After replacing it, have no power to any of the buttons located on the HVAC control panel (panel located immediately below the main center all in one screen). On the screen itself the climate control is off, and I cannot turn it on.

The check engine light was not illuminated.

I scanned all the modules with my Bluedriver scanner. The first scan revealed numerous errors as follows:

Scan Report Mar 09, 2023 02:21 PM
© BlueDriver 2019
2015 Ram 1500
Odometer: 39,118 km

3 Front Control Module (Central Gateway) Codes -
P1009-00
CONFIRMED
Humidity Sensor LIN Bus Assembly Internal : No Sub Type Information
B2183- 11
CONFIRMED
Ignition Unlock Run/Start Control Circuit : Circuit Short To Ground
U0164-00
CONFIRMED
Lost Communication With HVAC Control Module : No Sub Type Information.

1 Radio Frequency Hub Code
C0077- 00
CONFIRMED
Low Tire Pressure : No Sub Type Information

2 Electric Power Steering Codes
C2129-16
CONFIRMED
Battery Voltage : Circuit Voltage Below Threshold
C2128-00
CONFIRMED
ECU Reset/Recovery Occurred : No Sub Type Information

1 Parktronics Code
128F-25
CONFIRMED
PTS Sensor 2 : Signal Shape / Waveform Failure

With the ignition switch in run position (not started) I cleared the first scan, I stared the engine, turned it off, set the ignition to run position and re-scanned The results of the second scan are as follows -

P1009-00
Humidity Sensor LIN Bus Assembly Internal

U0164-00
Lost Communication With HVAC Control Module
--------------
I note that when placing the new battery into the vehicle, the battery inadvertently impacted the control panel that sits immediately behind the battery well next to the firewall. This was not a hard hit by any means, but I did mutter something to myself when it happened..

When removing the battery I removed the negative first then then positive. I folded the battery harness back and placed the protective battery cover between the harness and the battery to protect against the terminals touching the battery posts. I was concerned at the time as the harness wanted to maintain a positional state of connecting to the battery.

I replaced the battery with positive cable first, then negative.
------------------------------------

What I've done so far...
I've checked Fuse F99 visibly and with a multi-meter. It is ok. This is the fuse for the climate control.

I would be very appreciate of any help you can offer. If you need pictures of anything, please let me know.

Thanks
Mar 10, 2023 at 9:47 AM
Advertisement
Avatar
AL514
  • CERTIFIED EXPERT
  • 5,463 POSTS
Hello, thanks for reposting the question. If all this happened after the battery replacement and everything was fine before. I think I know what happened. On the Negative battery terminal, you have one of these current sensors, correct? This current sensor communicates on the Lin Bus data network. And with the codes you have it appears the Lin Bus network is either completely down or shorted out. It is a 0v to 7volt signal, but if all you did was change the battery, these little sensors are extremely sensitive to how much they are tightened down. As well as any corrosion there might have been on the negative post. The Humidity sensor is on the Lin Bus, this vehicle also has something called a "Private Bus". I have never heard of this one before to be honest. But the Heater control module is on it, and it looks like this Private network is communicated from the PCM which acts as a Gateway for certain modules. PCM talks on the can bus to other main modules and then out to smaller less important modules on slower networks. It also looks like the Body Control module is a gateway as well for 2 different Lin Bus networks, the Alternator is also on the Lin. I would try unplugging the Battery Current sensor harness plug, it should be a 2-wire plug on the sensor. Erase all codes, leave the Current sensor unplugged and rescan for codes. See what comes back. It might be that the current sensor is broken and pulling the network to ground (0volts) I will post the proper way to install a new sensor and the negative battery cable. If you removed that small nut on the negative cable it will break. You'll have to follow the instructions for this, they're pretty specific.
and what module did you hit with the Battery on installation?

Diagrams 2 to 7 are the removal process for the sensor. 8 to 13 are the Installation process for a new sensor. The M6 captive nut is not removeable. It will break if you try to remove it. It is only to be loosened enough to get the new sensor on the Battery post. You will need to clear all the codes as well; some systems may stay shut down if there are codes stored. Also noticed in the last installation step there is a torque spec of 16 Nm. 16 Newton meters is about 141 Inch lbs. It's barely anything. You can use an Inch lbs torque wrench for this.
The M6 nut torque spec is only 7mn (about 62 Inch lbs) that is the nut that clamps on to the Battery post. That's on page 1 of the Installation page.
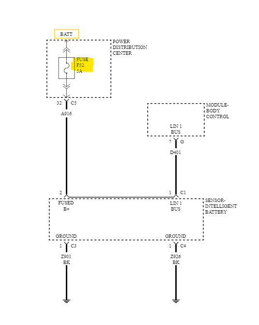
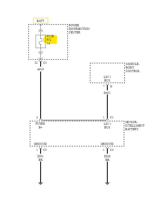
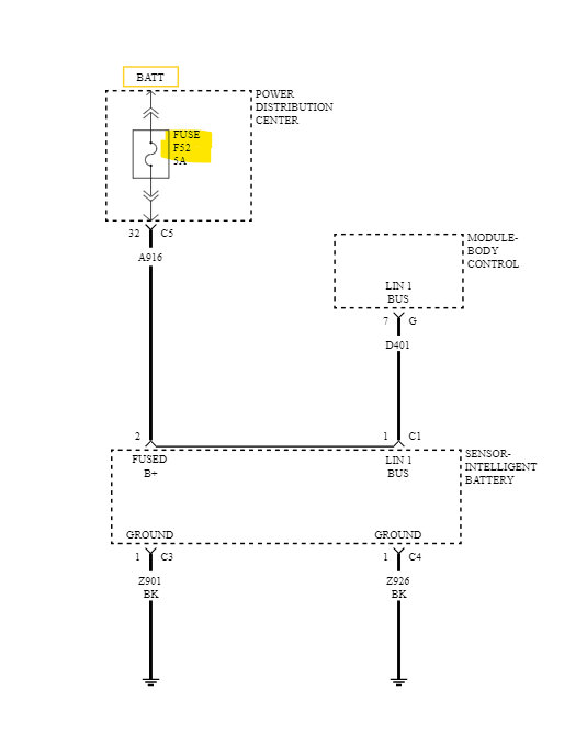
I would check this Fuse F52 5amp, it runs to Battery sensor. i will update this with any additional info I come across.
If the Fuse F52 is blown, don't just replace it, if it's blown then there is most likely a short to ground through the Battery Current sensor.
Mar 10, 2023 at 2:43 PM
Avatar
ANALYSTGUY
  • MEMBER
  • 7 POSTS
Hi AL514,

Fuse F52 is okay. I unplugged the battery sensor cable. The plastic clasp broke due to the cold when I removed it from the battery sensor. I placed the vehicle ignition in the run position and cleared all codes, then re-scanned all modules. Scan now shows 2 codes -

Scan Report Mar 11, 2023 10:49 AM
© BlueDriver 2019
2015 Ram 1500
xxxxxxxxxx744599
Odometer: 39,118 km
U113E- 00
CONFIRMED
Lost Communication With Intelligent Battery Sensor : No Sub Type Information
U0164-00
CONFIRMED
Lost Communication With HVAC Control Module : No Sub Type Information
Page 1 of 1
0 Confirmed Code Codes
0 Pending Code Codes
0 Permanent Code Codes
2 Front Control Module (Central Gateway) Codes

Below is an image of the battery connector top view and side view. The top view shows what appears to be a fuse box that sits between the battery and the firewall.
Mar 11, 2023 at 7:06 AM
Advertisement
Avatar
ANALYSTGUY
  • MEMBER
  • 7 POSTS
Looking at your picture of the IBS it seems to sit further down on the negative terminal post than what I show in my side view picture. Could it be that the connector is not properly situated on the post?
Mar 11, 2023 at 7:15 AM
Avatar
AL514
  • CERTIFIED EXPERT
  • 5,463 POSTS
I could be, it's actually a very important sensor, it relates current flow to and from the battery and also battery temperature to the ECM for specific charging, its supposed to be a smart charging system, but like all advancing technology it breaks too.
Sorry I just saw the rest of your post. The fact that you have a code for lost comms with IBS means the sensor most likely got damaged during the battery change over. You have to follow the unhooking of the cables and reattaching them in the sequence that is stated in the service info. The reason I think they're so specific with that is there is 12v positive running to that sensor as well as it acting as a Ground for the battery. Of the 2-wire connector, 1 is the Lin bus and the other is 12volt positive to power the sensor. So, it's like having an amp clamp on the negative battery cable. Hopefully it didn't short out and somehow damage the BCM in any way. What are the 2 Front Gateway codes you are getting with the IBS code?
Mar 11, 2023 at 10:13 AM
Avatar
ANALYSTGUY
  • MEMBER
  • 7 POSTS
AL514 - I fixed it!
I re-seated the connector onto the terminal post and torqued the M6 nut to 7NM and everything is working. (Except I now need to install a new connector). Thank you so much for all your help.
Mar 11, 2023 at 10:19 AM
Avatar
AL514
  • CERTIFIED EXPERT
  • 5,463 POSTS
That took care of all the codes. What I don't like about these sensors is the rust that builds up on them. That to me says that they're not built well. I've been trying to figure out why you would lose comms with the HVAC module and not anything else on that network because of the current sensor. It's a strange one, it's difficult to find definitive answers sometimes when it comes to network issues. But I would think it would pull the entire network down. This is the Lin bus that the IBS is on, and I can see the humidity sensor shutdown the HVAC module because I've seen that before, but maybe you just don't have these other modules in your vehicle. I'm not 100 percent sure on that one. The HVAC module is not on this network, but for whatever reason if the humidity sensor is not working weird stuff happens. And actually, after looking at the OEM diagrams, these aftermarket diagrams below are incorrect with the wiring labels.
Mar 11, 2023 at 10:24 AM
Avatar
ANALYSTGUY
  • MEMBER
  • 7 POSTS
All the codes are gone. My lesson from this is to follow the actual "correct" procedure to change out a battery and to make sure the negative terminal is properly seated on the post. For some reason if it's not, communication/power can be lost to the HVAC module due to a ground fault.
Mar 11, 2023 at 11:28 AM
Avatar
AL514
  • CERTIFIED EXPERT
  • 5,463 POSTS
It doesn't appear to be a Ground fault, it has something to do with that particular Lin Bus. This is almost the exact same situation with the other Dodge except with him we took the long route in the diagnoses. His Lin Bus connection was bad at another point also. And it was actually just a pin fitment issue in the bulk connector. The HVAC module is not on the can bus data network (high speed data), it is on a slower low speed type network. It really depends how each system is wired. But those little current sensors are really important. On most modern vehicles now you need to use a scan tool and do a Battery Reset so the ECM knows a new battery was installed. But everyday is learning experience in this industry.
Mar 12, 2023 at 9:50 AM
Avatar
ANALYSTGUY
  • MEMBER
  • 7 POSTS
What ever happened to the days of roll up windows and wing windows for A/C?

What I don't understand is why only the HVAC module lost communication and no other module on the LIN bus. Does the battery current sensor not also play a part in communicating to other modules along the bus? Would re-seating the negative terminal on the battery post affect the current measured in the sensor? Is there a way to measure that?
Mar 12, 2023 at 10:36 AM
Avatar
AL514
  • CERTIFIED EXPERT
  • 5,463 POSTS
It depends, there are a couple Lin Bus networks in this vehicle, and it doesn't have to be a total loss of the network, the information bus diagrams are shown with modules that your vehicle might not even have. They show the design of that entire data bus with every configuration it can come with and have some little labels here and there that say "Diesel" or "Except Diesel" if a section is not included. They are very in depth. But yes, if the negative terminal was not completely seated fully or just the nut or bolt for the current sensor or the connector pins internally were not fully seated, the sensor wouldn't read correctly. As you can see it's a cheap little plastic sensor, with a temperature sensor also built in, and plastic is dramatically affected by temperature. Pin fitment issues can be some of the most difficult issues to deal with. It can appear that a module has failed, but you back probe a connector and read what is supposed to be there for a correct voltage, but it's not actually making it into the module because of the connector. And after years of these connectors heating up and cooling down every drive cycle, eventually connectors will loosen up. Thats why on the other Dodge, all he had to do was reconnect the bulk connector and the issue was gone. We do pin drag tests on connectors to find loose pins.
And using a capable scantool you should be able to see the live data from the current sensor. It will read what the amperage is while the battery is being charged back up and being discharged on a cranking event. You can also use an oscilloscope to monitor the Lin bus signal on that one wire, since it's only a 1 wire network. It's a 0v to 12volt square wave signal that you can only see with a scope zoomed in on because of the speed. This is a Lin bus signal at 1milli second per division.
Sorry for the long post.
Mar 12, 2023 at 12:49 PM