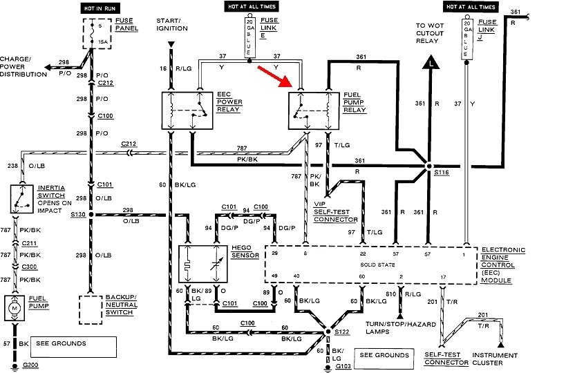
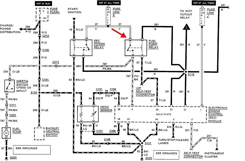
These are the diagrams for the engine controls. More than likely fuse link "E" is burned open. To verify that, when you tug on it, it will act like a rubber band. When that happens, the arcing leaves a trail of carbon tracking inside the wire's insulation. When you unplug the connector you mentioned, the resulting open circuit results in no current flow, so no voltage is dropped across the carbon track. You're left with full battery voltage all the way up to where you broke the circuit. That is what a digital voltmeter will pick up and falsely display.
A test light requires current flow to work, and that current causes some voltage to be dropped across the carbon track; in fact, almost all of the battery's voltage, leaving you with just about 0 volts at the pump. For this type of problem a test light is much more accurate than a digital voltmeter.
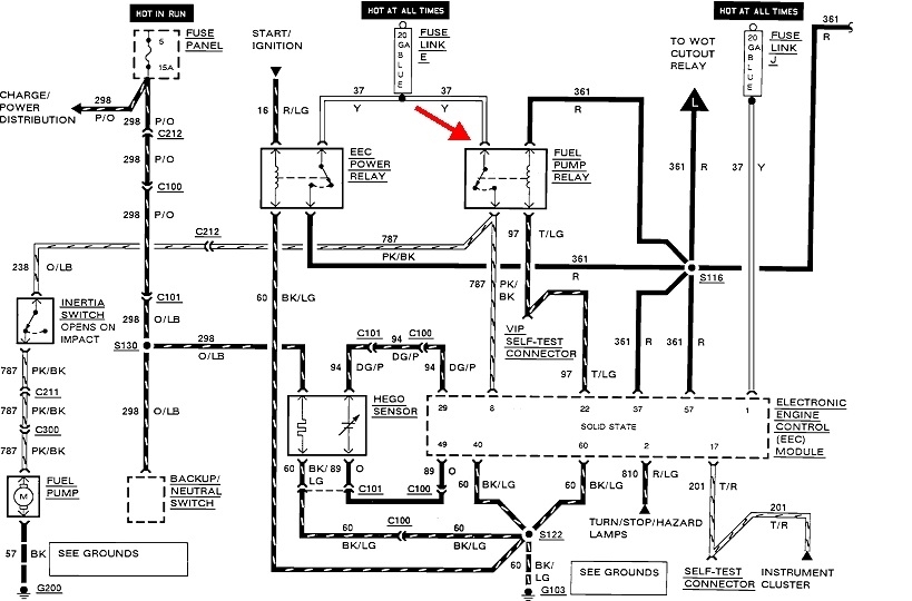
In the first diagram there's a red arrow pointing to the 12-volt feed terminal in the relay box. Remove the fuel pump relay, then check at all the terminals in the socket with your voltmeter. You'll find one with 12 volts. That tells you you're on the 12-volt feed terminal. Now check that one again with the test light and verify the light doesn't light up. If so, replace the fuse link wire. This is special wire that is smaller in diameter than the wires it protects, and the insulation is designed to not burn or melt. This is a short piece of wire spliced into the circuit, and will be a dull color. The color denotes the current rating. You can buy replacement fuse link wire at any auto parts store. You'll get a piece about a foot long. That is enough to be cut for two or three repairs.
If you do find you have 12 volts at the relay, but not back at the pump, we'll have to look further for the break in the circuit. The best suspects are arced or corroded contacts on the fuel pump relay or inside the inertia switch, but there could also be a break in the wire or connector terminals. You'll need to take voltage readings at multiple places in the circuit to locate the high-resistance break. You can use the voltmeter as long as you leave the fuel pump connected during these tests.
Don't forget, the fuel pump doesn't get turned on until the engine is being cranked. If you need to take readings after the relay, it doesn't make sense to do that while a helper is cranking the engine. Instead, find the yellow and the pink / black wires in the fuel pump relay's socket, and connect them together with a stretched-out paper clip or a piece of wire. That will energize the circuit without even having to have the ignition switch turned on.
Images (Click to enlarge)
Dec 24, 2019 at 1:39 PM