no power to the drivers door control module

2003 CHEVROLET 1500
200,398 MILES • 5.3L • V8 • 4WD • AUTOMATIC
Avatar
JGRABILL
  • MEMBER
  • 1 POST
I do not have any power to the drivers door control module all other doors work fine.
Aug 12, 2020 at 10:17 AM
Advertisement
Avatar
ASEMASTER6371
  • CERTIFIED EXPERT
  • 52,796 POSTS
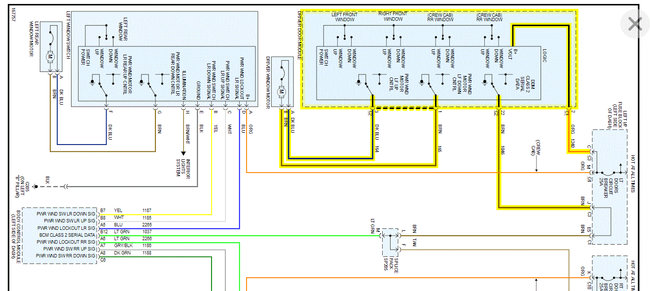
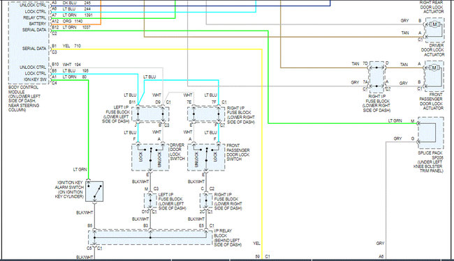
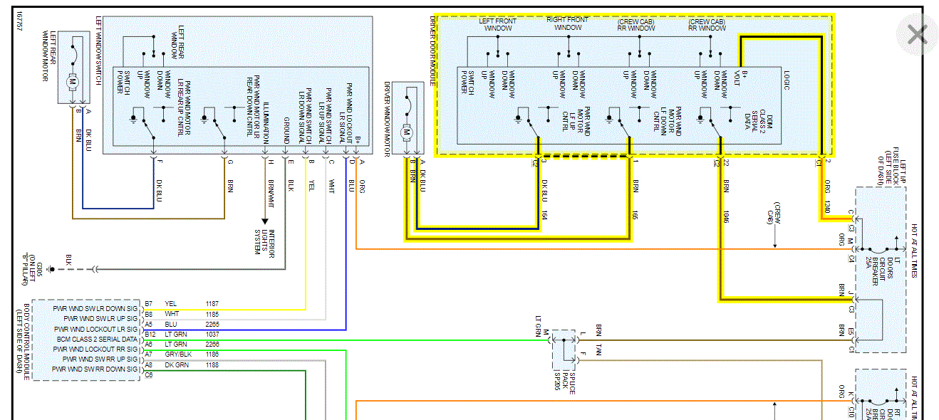
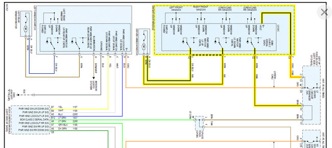
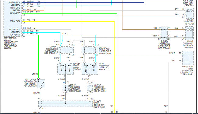
I attached the wiring diagram of the module for you along with the power locks.

Test the fuse listed for power on both sides. If that is okay, I would look at the boot from the body to the door. Inside the boot are the wires going to the module. It is common for the wires to flex over time and break inside that boot.

https://www.2carpros.com/articles/how-to-check-wiring

https://www.2carpros.com/articles/how-to-check-a-car-fuse

https://www.2carpros.com/articles/how-to-check-an-electrical-relay-and-wiring-control-circuit

Roy
Oct 12, 2020 at 6:14 AM