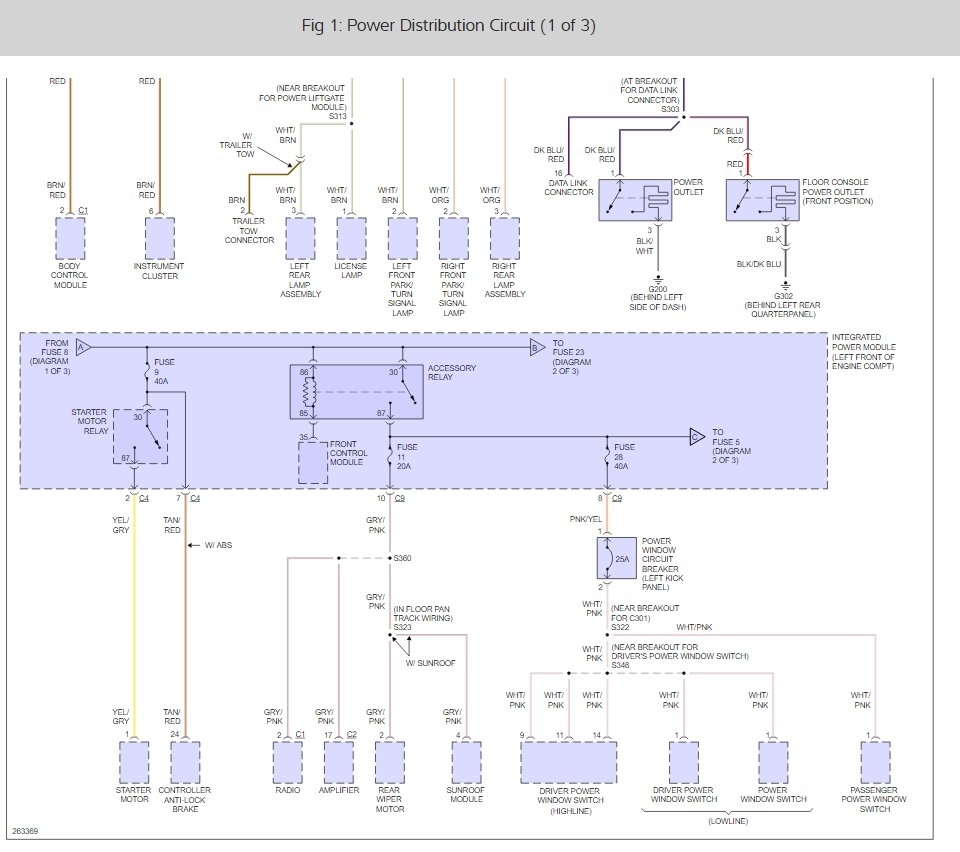
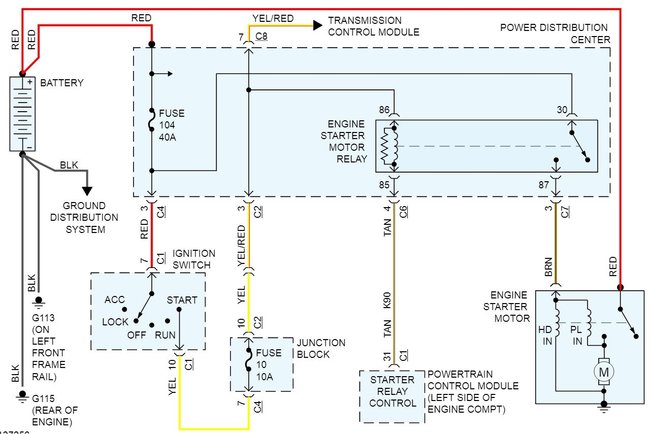
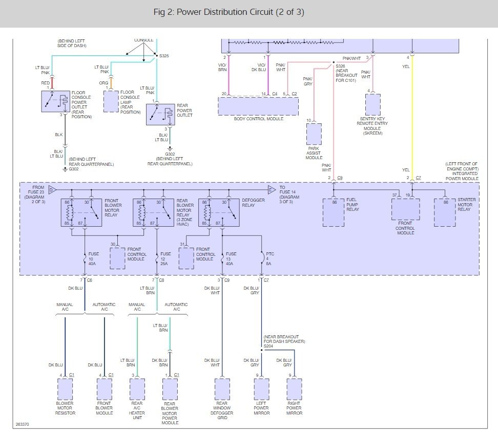
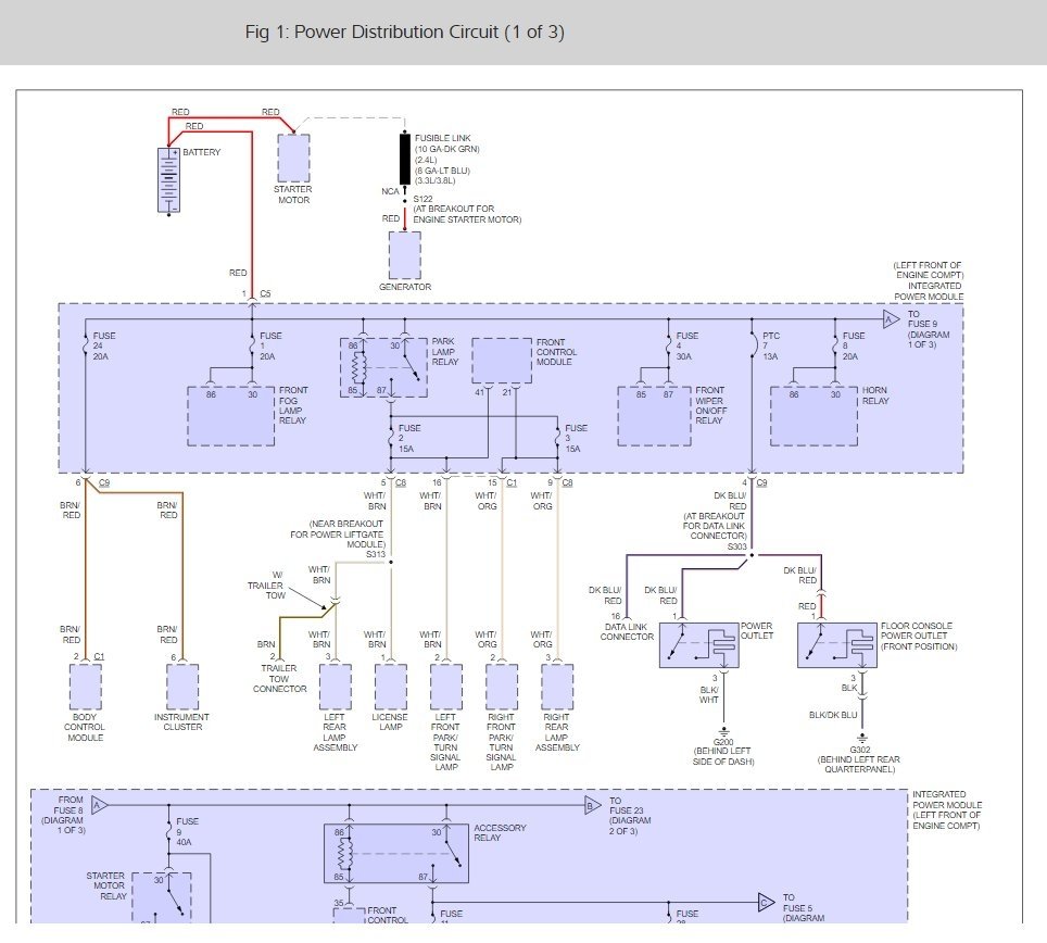
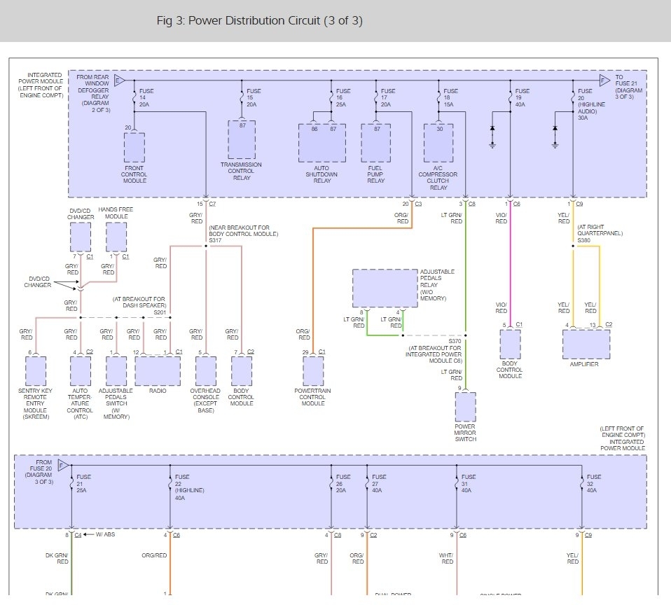
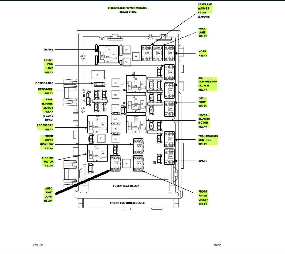
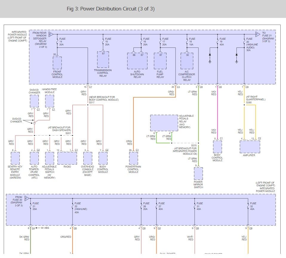
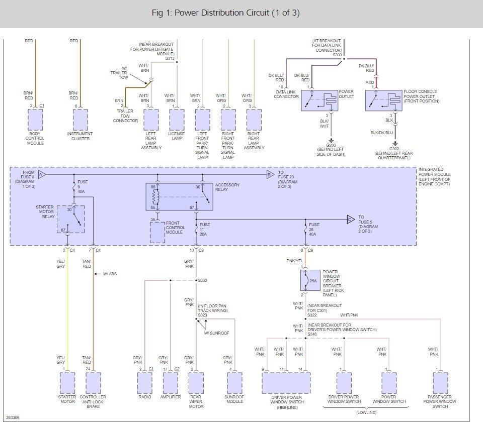
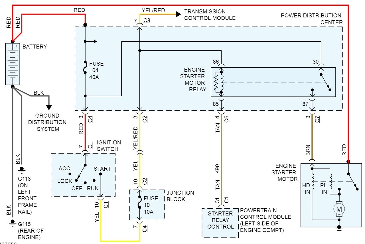
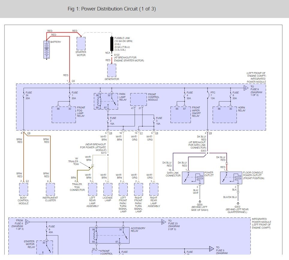
My wife just purchased this van and drove it 2,000 miles home without any problems. I drove it about a week locally without issue. My wife went to drive it but heater blower wouldn't work so she parked it and the next day I went to drive it, no heater blower, went to restart and won't crank over. I checked and 3 fuses were blown, replaced fuses and ignition switch, tried to start, starter engaged for about 1/2 second and then nothing. Lights radio and random accessories stayed on, tried moving gear shift to neutral, sometimes indicator lights would work sometimes not, sometimes the radio clock stays on sometimes not, car would still not turn over. Replaced the grounding strap on the motor mount, heater blower started working but accessories stayed on, sometimes windows will work, just tried to get car out of park and can't. I am at a loss where to start, I have looked at wire harnesses but don't see any obvious burns. Any ideas would be appreciated.
Feb 1, 2021 at 11:58 AM
(Merged)