No power

1996 FORD MUSTANG
200,000 MILES • 1.9L • 6 CYL • 2WD • AUTOMATIC
Avatar
CYNTHIA MANZELLA
  • MEMBER
  • 3 POSTS
No dash lights, no door ding.
Aug 5, 2020 at 9:35 AM
Advertisement
Avatar
KASEKENNY
  • CERTIFIED EXPERT
  • 18,907 POSTS
These issues could be related but you may have two separate issues. Does the dome light come on when you open the door? If it does not the door alarm and dome light are related and most likely the door switch.

However the cluster lights is most likely its own issue but I would start with this one if the dome light is working. Hopefully if we solve this one that it will fix the door chime as well.

If not, we can start a new post for just the door chime issue.

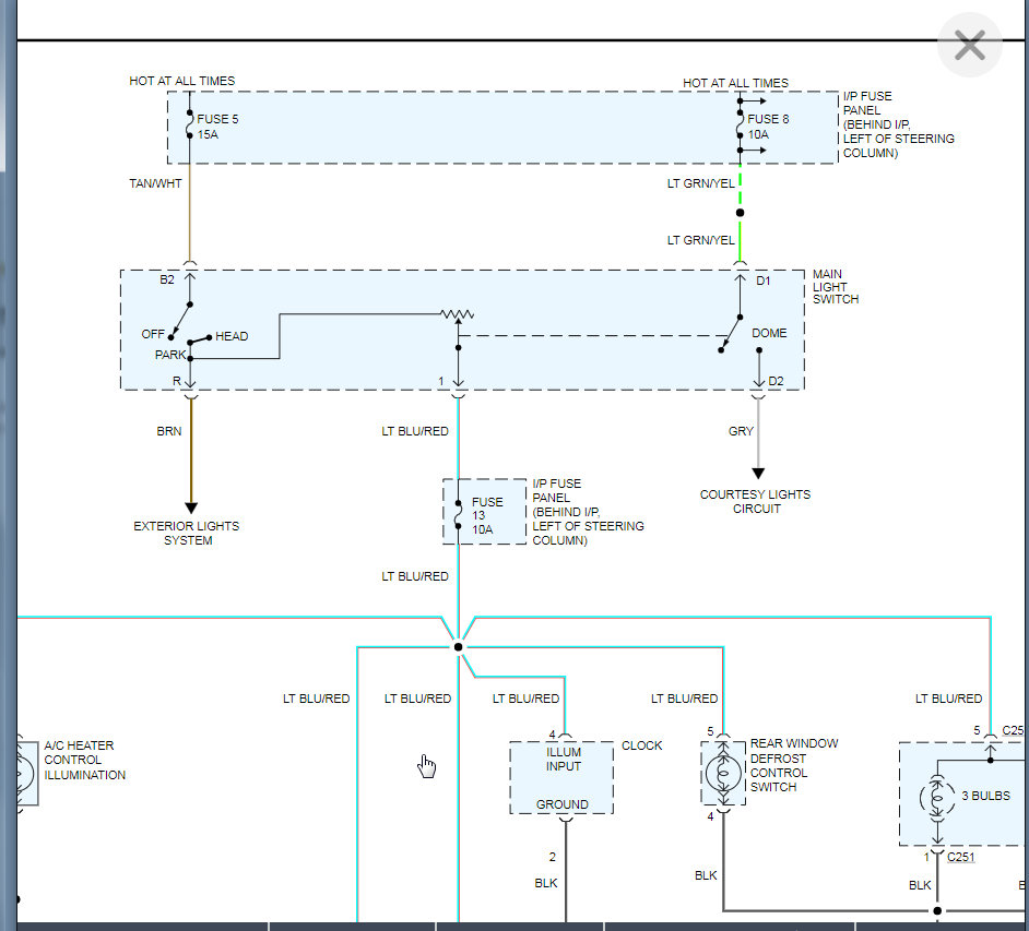
Here is a wiring diagram of the dash lights. We need to check the fuses leading the cluster lights and find out where we have power and where we don't.

https://www.2carpros.com/articles/how-to-check-a-car-fuse

Let me know and we can go from there. Thanks
Aug 5, 2020 at 5:35 PM