My parking light will not turn on when my headlight switch is on?

1998 DODGE DAKOTA
226,262 MILES • 5.2L • V8 • 2WD • AUTOMATIC
Avatar
AUSTINJHOOD
  • MEMBER
  • 3 POSTS
My parking light will not turn on when my headlight switch is on either on position however the lights will turn on if I fiddle the switch into the right spot just before it clicks into place, I have checked all the fuses and relays multiple times and they are all good, I also replaced ones that looked questionable. I also probed at the 2 wires for the circuit and with the switch off I get 12.28v through, and with the switch on the right point to turn the lights on, I get about 0.25v through, I also get another wire that gets power when the lights get turned on, and I am not sure if that wire should be getting power or not as my service manual does not tell me what wire is connected there, and what it leads to.
Feb 13, 2023 at 4:44 PM
Advertisement
Avatar
CARADIODOC
  • CERTIFIED EXPERT
  • 34,306 POSTS
Everything you described points to the head light switch itself, especially when the lights do work when the switch is held in a certain position. That proves all the rest of the wiring and fuses have to be okay. The only exception would be if the running light circuit has a switch contact that is just barely sliding over a different 12-volt supply contact for a different circuit, but that would be really unlikely.

What we need to do is pull the switch out, then start by looking at the electrical connector to see if two terminals are black / overheated, and if the plastic connector body is melted around those terminals. If they are, the only proper repair is to replace the switch and those two terminals in the connector at the same time. If either the switch or the two terminals are not replaced, they will cause a repeat failure of the new part.

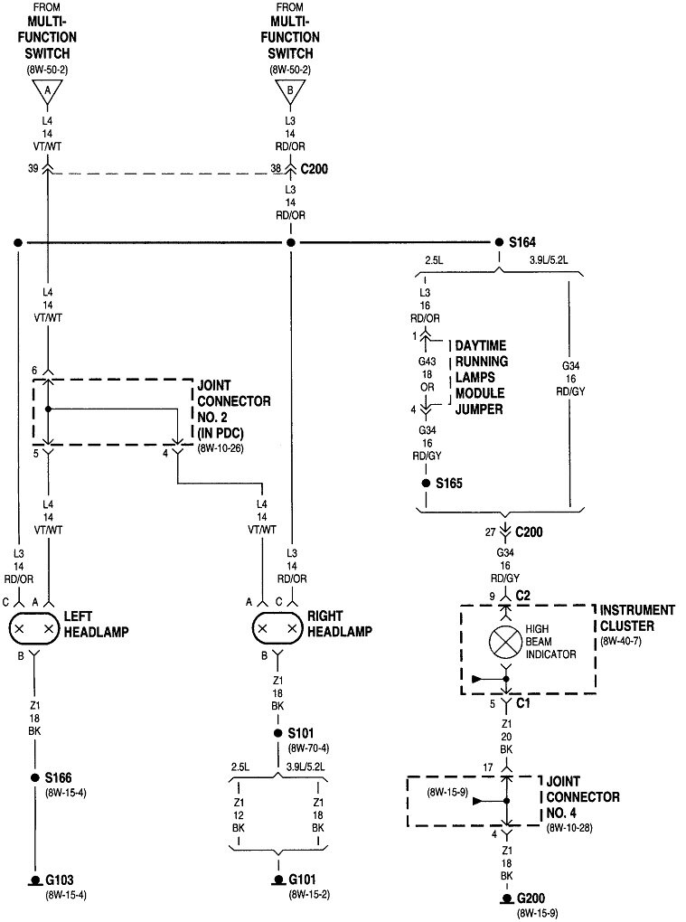
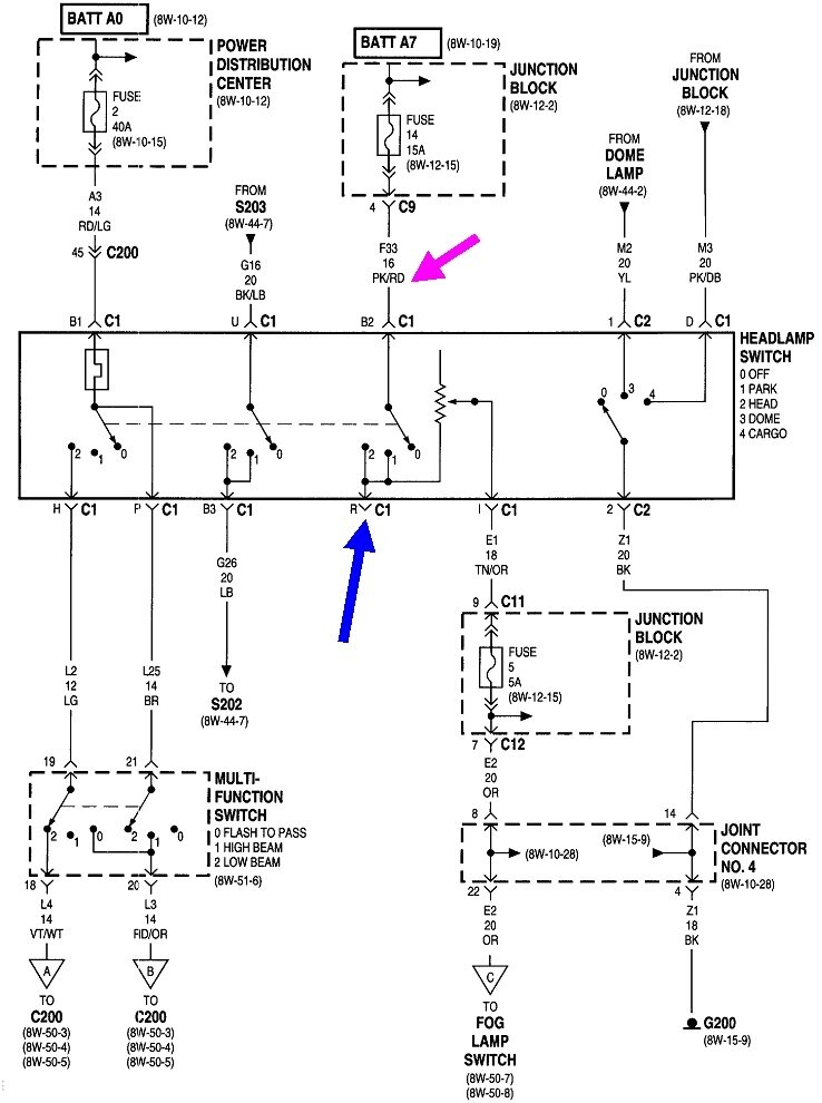
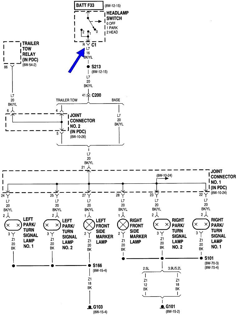
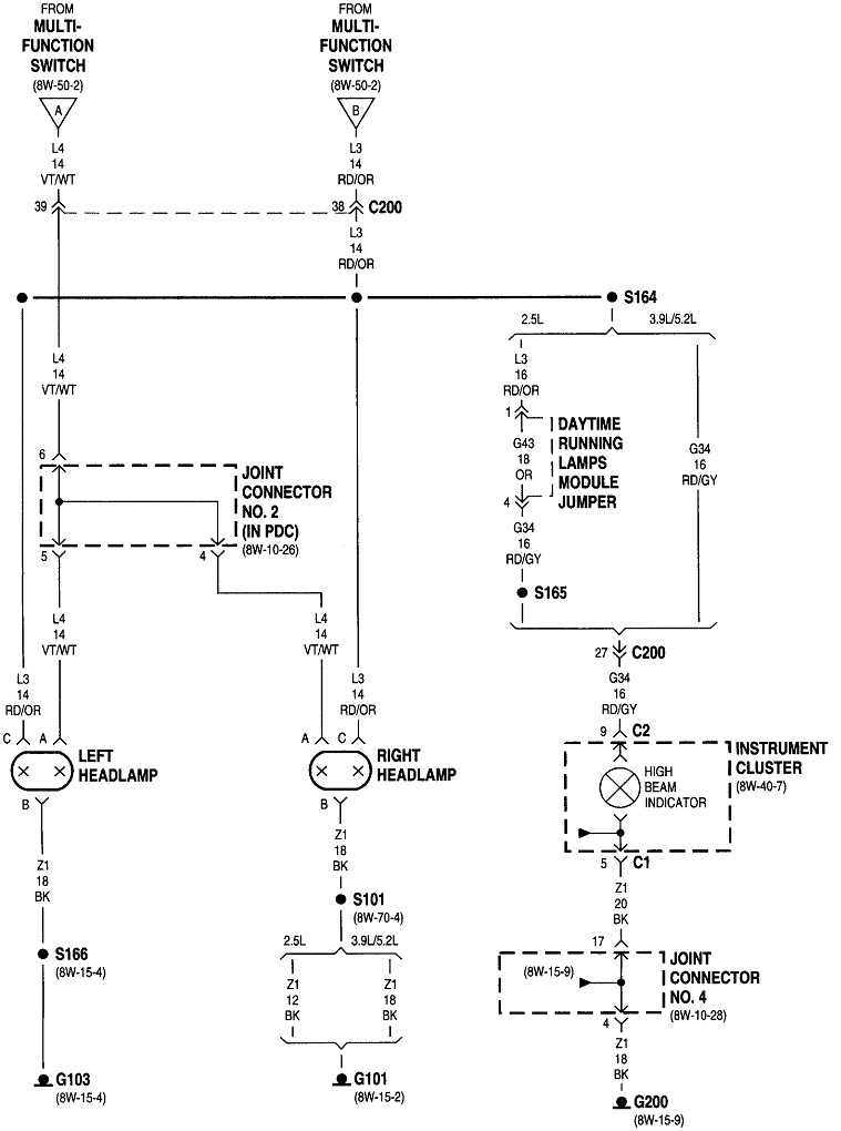
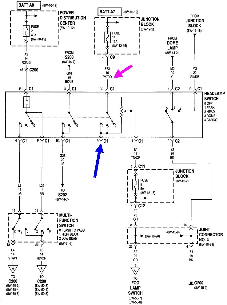
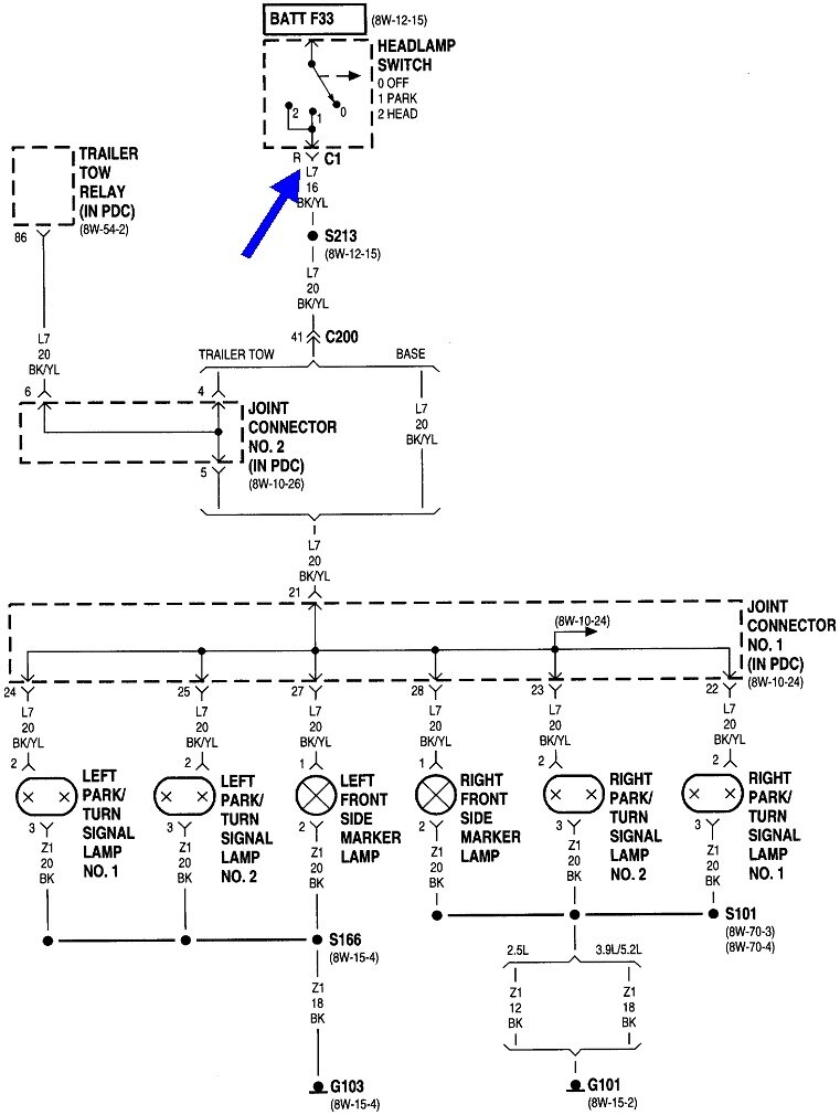
Here's the diagram. The running lights are on the first and third diagrams where I added the colored arrows. Next are the switch removal instructions, but it sounds like you may have had that out already. The last photo is of the switch terminals. I can't find terminal "R", but the red arrow is pointing to the supply terminal, "B2". That one will have a pink / red wire. The wire going to the lights is black / yellow. That circuit also feeds the dash lights. They both feed the radio display, so you'll see it doesn't dim when the head lights are turned on.

Those are the two color wires to look at for overheated terminals.

Typically by the time the lights get this bad you're going to find the terminals on the switch are black, the switch body itself is charred around their rivets, and the plastic connector body around those two terminals is melted. If that is what you find, cut those two terminals out and cut away the melted plastic around them. Plug what's left into the new switch.

The two overheated wires will be hardened from being hot and solder won't adhere to that. Cut away four or five inches of those wires, then splice in the same amount of the same gauge wire. Seal those splices with heat-shrink tubing. Don't use electrical tape in the truck as it will unravel into a gooey mess on a hot day.

At this point, if you choose, you can harvest a pair or replacement terminals from a salvage yard along with the sections of wire still attached. I prefer to use a pair of crimp-style universal spade terminals, but also solder those crimped connections for best connection. Now those two wires can be plugged onto the switch individually. I like to squeeze them first with a needle nose pliers so they make really solid contact.
If you accidentally switch them when you plug them in, no damage will occur, but the dash lights will be powered up all the time and drain the battery.

Let me know if that's what you find or if we need to go in a different direction..
Feb 13, 2023 at 5:55 PM
Avatar
JACOBANDNICKOLAS
  • CERTIFIED EXPERT
  • 110,175 POSTS
Hi,

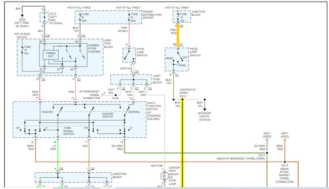
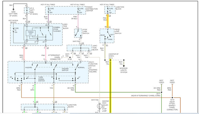
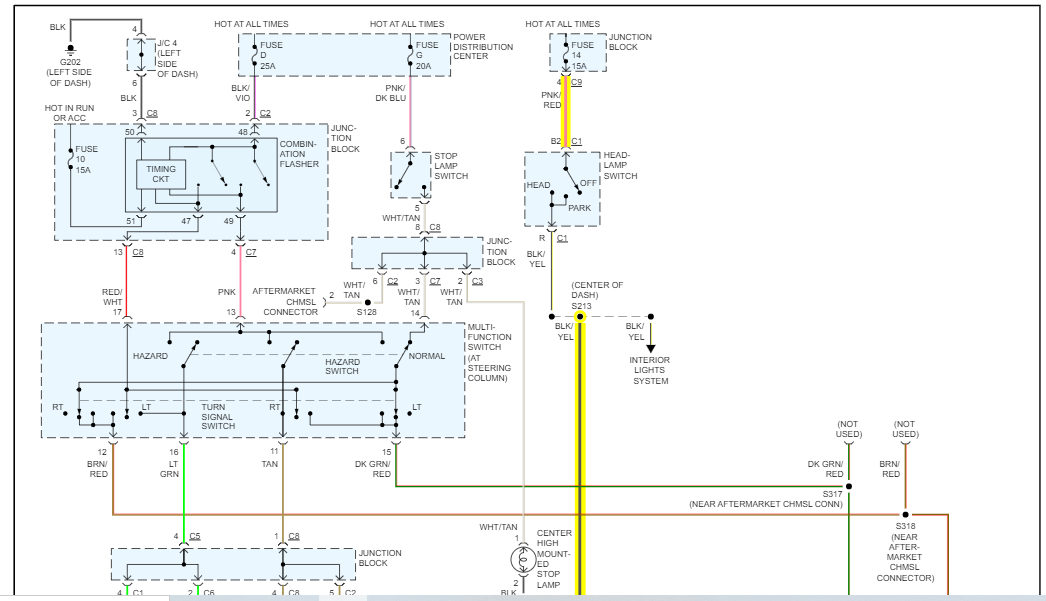
It sounds like the switch needs to be replaced. As far as the power you mentioned, power to the headlamp switch is provided by two different fuses that have power at all times, fuse 2 in the power distribution center and fuse 14 in the interior fuse box.

The parking lamps are powered via fuse 14. Have you checked it?

Let me know. Also, pic 1 below is from the headlamp wiring schematic. Pics 2 and 3 are from the exterior lamps. I had to cut the single page in two so you can read it. I did overlap the two. Note fuse 14 is present in both schematics.

Let me know if this helps or if you have questions.

Take care,

Joe

See pics below.
Feb 13, 2023 at 6:02 PM
Advertisement
Avatar
AUSTINJHOOD
  • MEMBER
  • 3 POSTS
I was able to resolve my problem. When I Decided to try each connection individually on my switch so I started removing each connection out of the socket, some wires fused to the plastic so I ended up having to cut the wires and re do some of the connectors, a few wires got way too hot and I think that prevented the current from flowing correctly, but by cutting out the bad spot on the wires and adding new wire I was able to get the parking lights to turn on in the correct position and without issue, since the old connector socket was all melted and It ended up crumbling when I pulled the wires out I know I have to buy a who new socket, but for now I know the issue was resolved.
Feb 15, 2023 at 7:31 PM
Avatar
JACOBANDNICKOLAS
  • CERTIFIED EXPERT
  • 110,175 POSTS
Hi,

Thanks for the update. I'm glad to know you found the issue.

Feel free to come back anytime in the future. You are always welcome.

Take care,

Joe
Feb 15, 2023 at 8:55 PM
Avatar
CARADIODOC
  • CERTIFIED EXPERT
  • 34,306 POSTS
Happy too to hear you found it. Remember, this is absolutely going to occur again unless you replace the switch at the same time.

"Happy Thursday to you all both".
Feb 16, 2023 at 11:28 AM