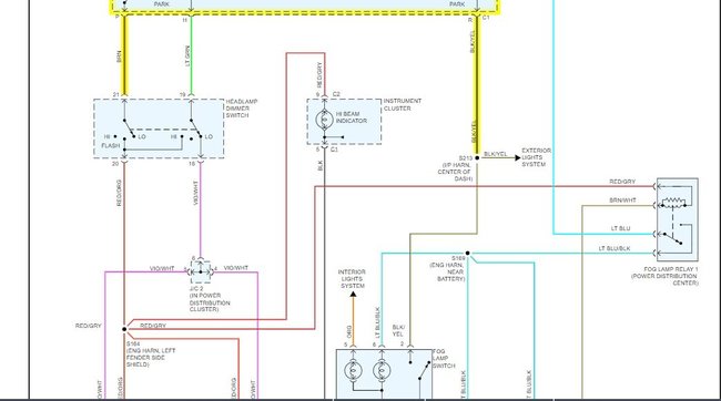
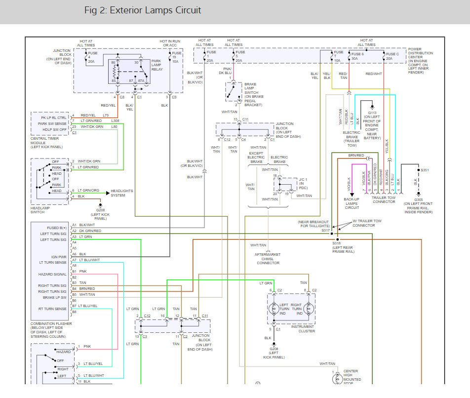
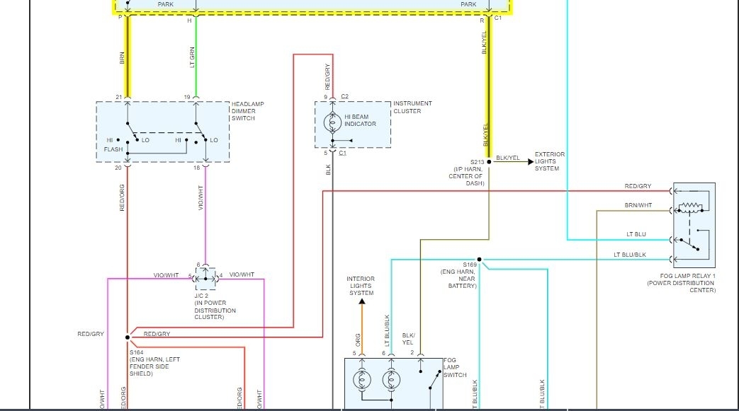
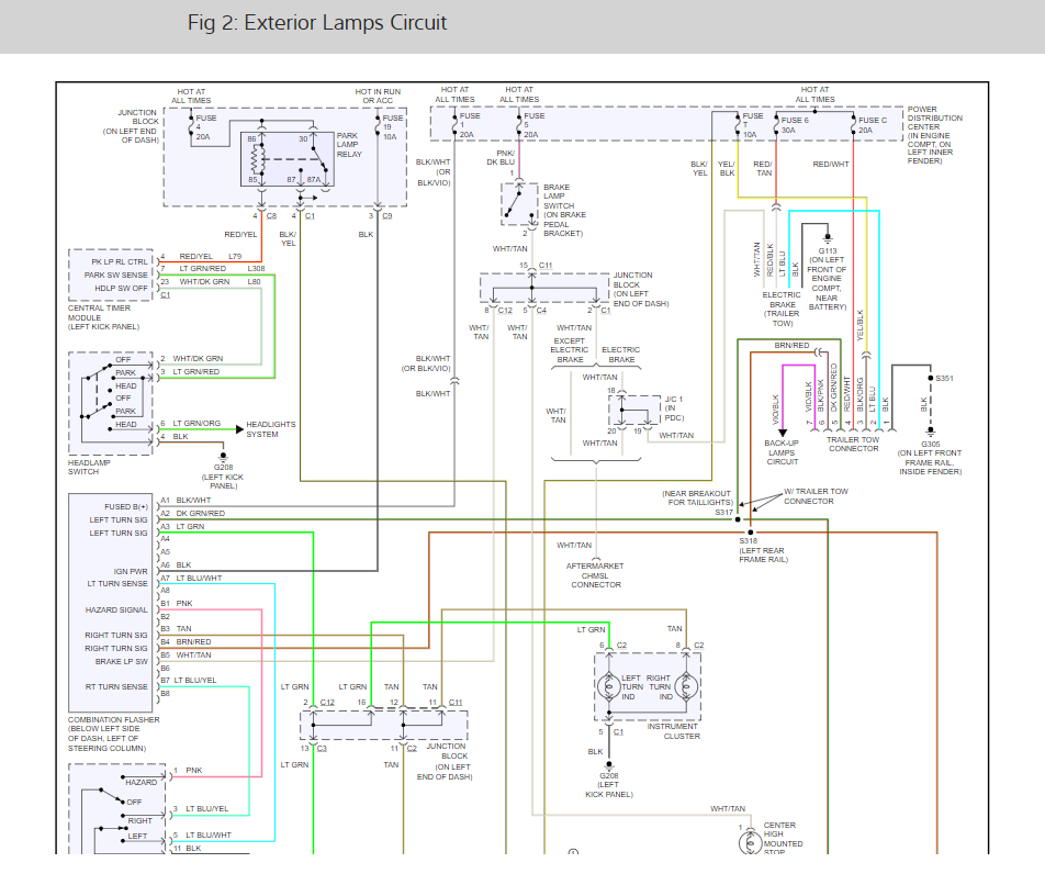
the parking lights, taillights, dash lights all work. if I barely pull the switch out but won't work when pulled into park or light position. I have used 2 new OEM switch's and the problem still exist. Headlights, turn signals, brake lights, flashers, and dome lights all work fine. What can be the problem??
Feb 23, 2020 at 6:41 AM










