No oil pressure on the gauge

2005 PORSCHE CAYENNE
55,000 MILES • 3.2L • V6 • 4WD • AUTOMATIC
Avatar
TWICEBLESSED777
  • MEMBER
  • 1 POST
Hi, replaced the oil pressure sensor and did an oil change thinking it would correct the issue of no oil pressure showing on the instrument cluster. The engine sounds great. I've checked fuses. Hoping you can point me in the direction of what to check next.
Mar 16, 2022 at 4:25 PM
Advertisement
Avatar
JACOBANDNICKOLAS
  • CERTIFIED EXPERT
  • 110,175 POSTS
Hi,

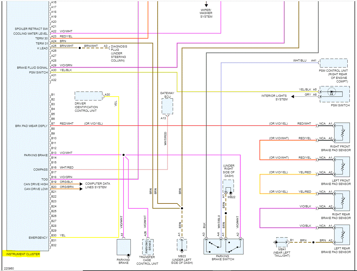
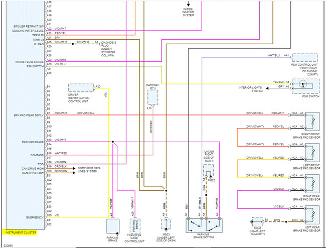
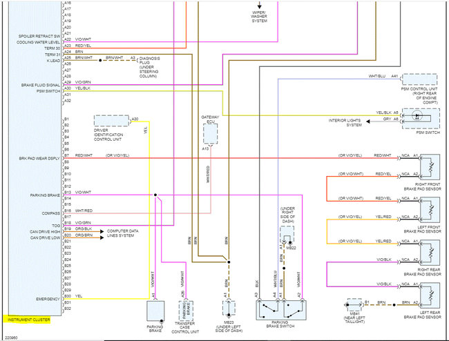
If the sensor is new, there must be a wiring issue between the sensor and the instrument panel. I attached a wiring schematic below and highlighted the connector. The blue wire with a black tracer sends voltage to the sensor. The sensor is grounded via the engine. Based on pressure, the switch adjusts and allows different voltages to pass through it.

So, what I first suggest is this. Since the sensor is new, I would disconnect it and check for a voltage signal to it with the engine on. It will likely be a 5v reference.

If there is no signal, go to the instrument panel and locate the same wire (blue/black) and confirm it has a good connection at the cluster. If it does, then you need to check for a voltage signal right at the cluster.

Here is a link you may find helpful:

https://www.2carpros.com/articles/how-to-check-wiring

Let me know if this helps.

Take care,

Joe

See pics below.
Mar 16, 2022 at 8:16 PM