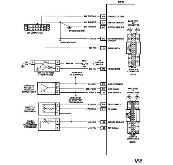
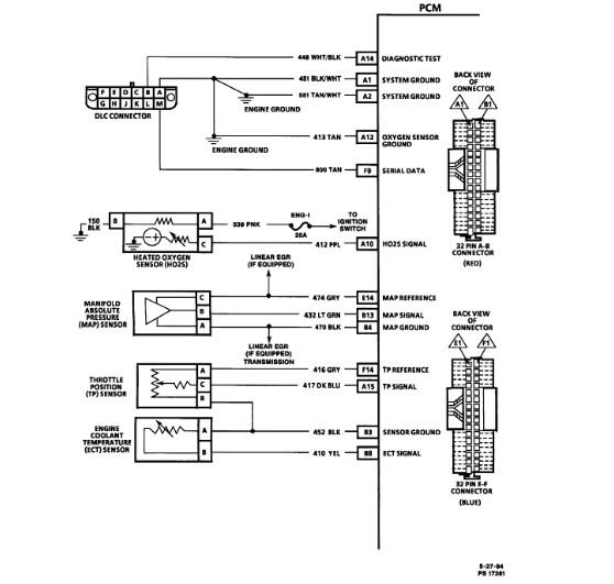
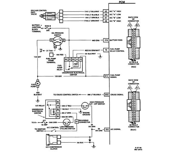
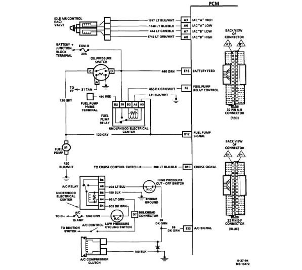
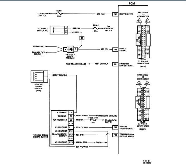
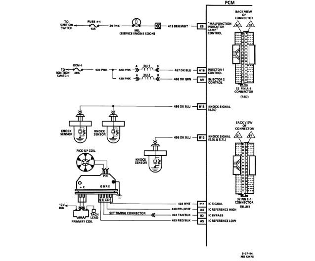
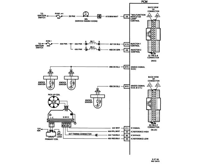
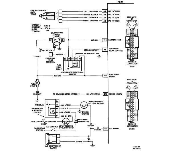
Hard start, engine seemed to big down and then starter solenoid failed, had a puff of smoke from under hood and fuel gauge pegged out even with key off. Starter replaced, but no action when I turn the key. No fuel pump sounds, starter does not turn or click. Believe I lost a fusible link to the computer but unable to locate the link.
Oct 7, 2018 at 12:33 PM




