Gear shift indicator light not working

2003 MITSUBISHI GALANT
264,432 MILES • 6 CYL • 2WD • AUTOMATIC
Avatar
BLESSING EWOBOR
  • MEMBER
  • 754 POSTS
Hello, the vehicle will illuminate at P,R and N on the dashboard but it won't on D,4,3,2 and 1. I was suspecting the transmission range switch but I don't know how to diagnose. Please could I have wire diagram for it or what could be the cause?
Could these affect the gear shift because the engine speed has to move to 3krpm before it makes attempt to move forward?
Sep 15, 2021 at 5:55 PM
Advertisement
Avatar
JACOBANDNICKOLAS
  • CERTIFIED EXPERT
  • 110,175 POSTS
Hi,

It could be related to the park/neutral position switch on the transmission. It could be a faulty switch, wiring issue, linkage adjustment issue, and so on. However, it does sound like the switch is bad.

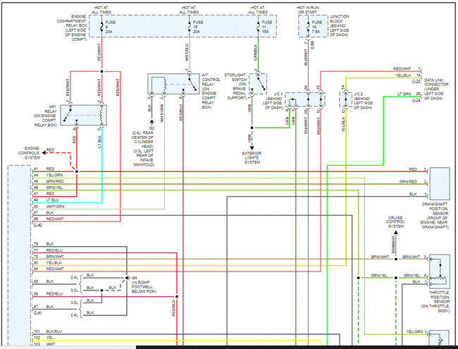
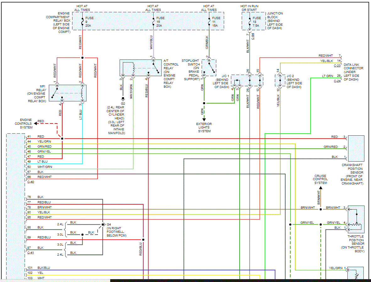
I attached the wiring schematic below. (see pics 1 and 2). I had to cut the pic in half to make it readable. I did overlap them so you can follow from one to the next. If you look at the bottom left of pic 2, you will see the switch.

The remaining pics are a continuity test on the switch. Let me know if you are comfortable doing it. Additionally, here is a link you may find helpful:

https://www.2carpros.com/articles/how-to-check-wiring


Let me know if this helps or if you have other questions

Take care,

Joe

See pics below.
Sep 16, 2021 at 9:26 PM
Avatar
BLESSING EWOBOR
  • MEMBER
  • 754 POSTS
Thank you sir.
Sep 17, 2021 at 12:52 PM
Advertisement
Avatar
JACOBANDNICKOLAS
  • CERTIFIED EXPERT
  • 110,175 POSTS
Hi,

As always, you are very welcome. I'm glad to see you keep returning. We appreciate that.

Let me know if there is anything I can do to help.

Take care,

Joe
Sep 17, 2021 at 5:02 PM