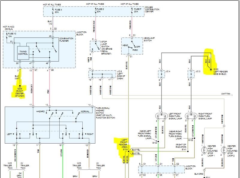
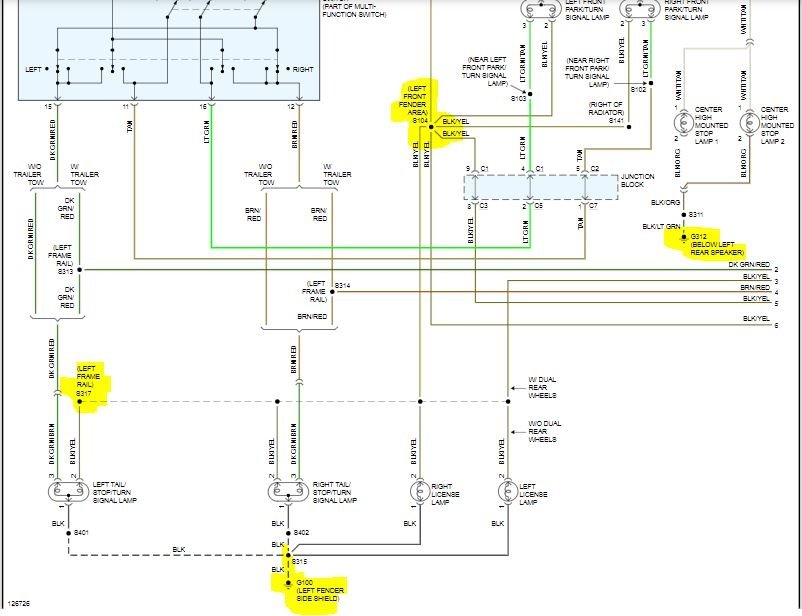
Hey guys, so I have the truck listed above 2500.
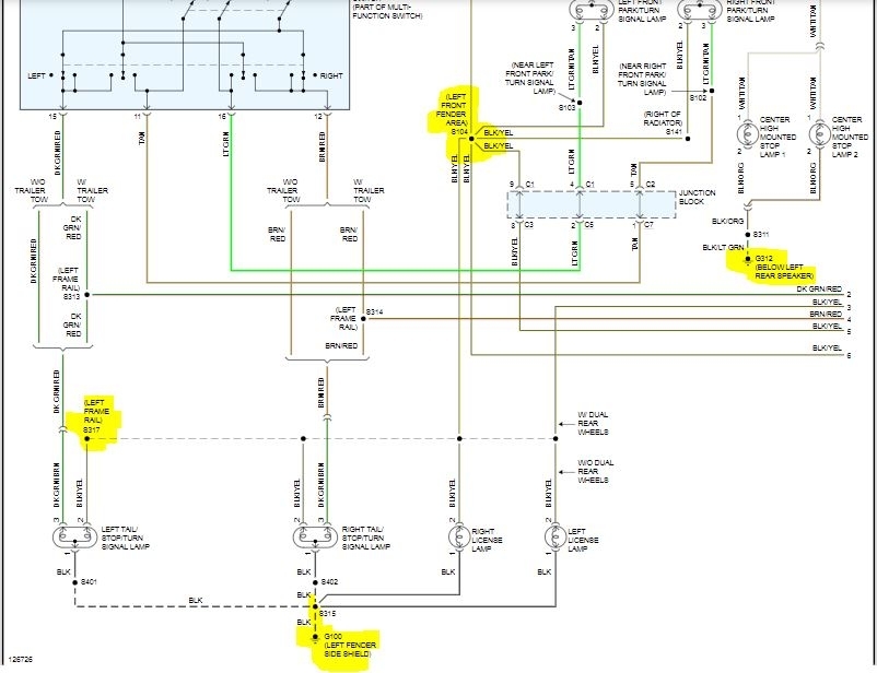
My dash lights and taillights are out , illumination fuse is getting no power, fuse is fine and even swapped the fuse and still no power. tested the box and where the fuse connects to and it's getting no power to my test light. any suggestions?
My dash lights and taillights are out , illumination fuse is getting no power, fuse is fine and even swapped the fuse and still no power. tested the box and where the fuse connects to and it's getting no power to my test light. any suggestions?
Sep 12, 2020 at 11:15 PM




