No heat on passenger side

2000 OLDSMOBILE BRAVADA
108,000 MILES • 5.3L • V6 • 2WD • AUTOMATIC
Avatar
SAMANTHA ROSE FILLION
  • MEMBER
  • 1 POST
the heat works fine on my driver's side it just seems like maybe the blender to the passenger side is broken. please give me some answers it is turning winter in Montana.
Sep 28, 2019 at 8:08 PM
Advertisement
Avatar
JACOBANDNICKOLAS
  • CERTIFIED EXPERT
  • 110,175 POSTS
Welcome to 2CarPros.

Samantha, there are actuators called blend air door actuators. These actuators open and close doors in the HVAC system based on the temperature you want in the vehicle. Since the right side isn't properly working, my first suspect is that the actuator has failed.

Here is a link that explains in general how one works, symptoms, and how one is replaced. Take a look through it.

https://www.2carpros.com/articles/replace-blend-door-motor

Here are directions specific to your vehicle for replacing the actuator. The attached pics correlate with the directions.

Here is the confusing part for me. First, since heat only comes from one side and not the other, I first assumed you have a dual climate system. However, according to my manual, that isn't an option. So, please let me know if you do or do not have dual climate control.

_________________________________

2000 Oldsmobile Truck Bravada V6-4.3L VIN W
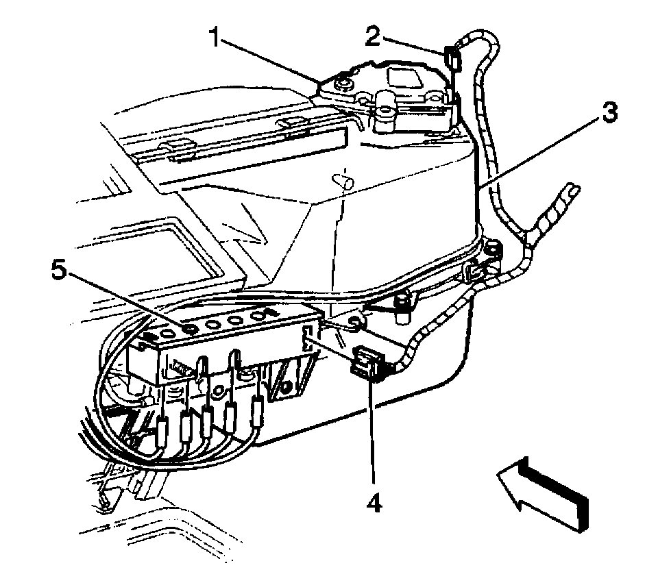
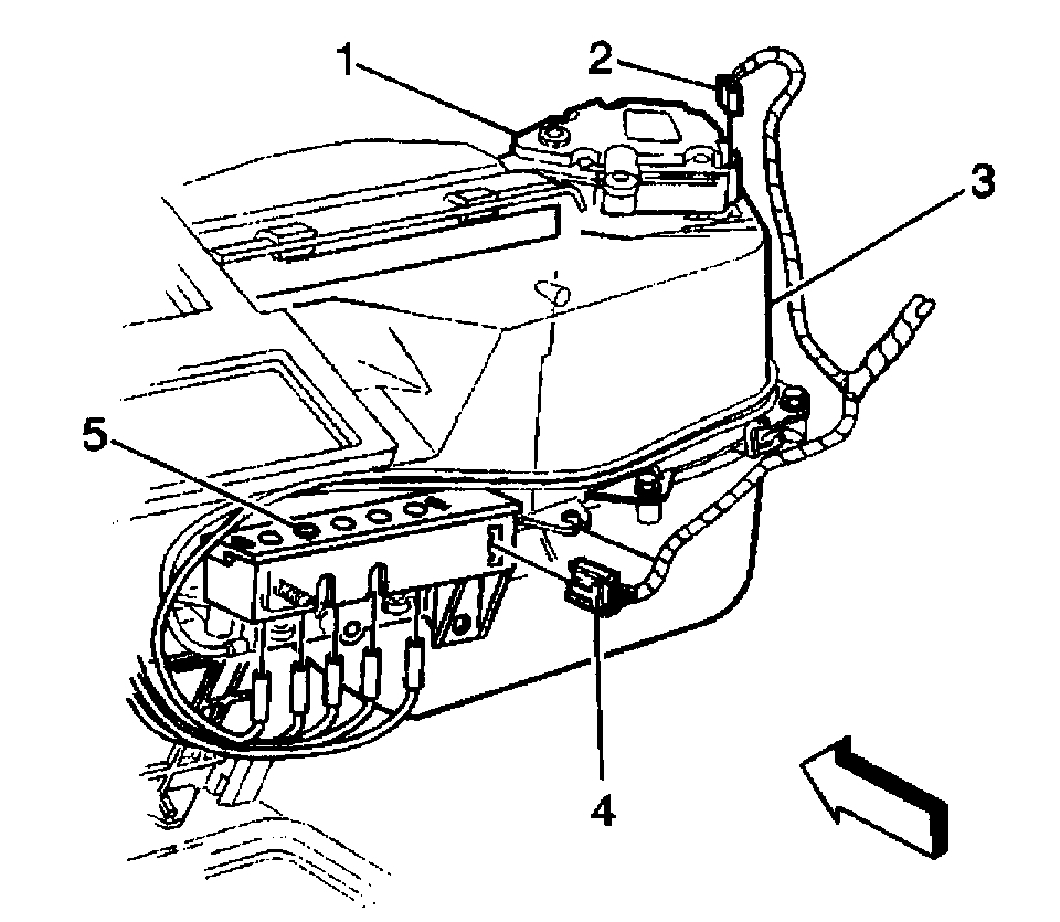
Temperature Actuator
Vehicle Heating and Air Conditioning Air Door Actuator / Motor Service and Repair Procedures Heating, Ventilation and Air Conditioning Temperature Actuator
TEMPERATURE ACTUATOR
REMOVAL PROCEDURE
The air temperature actuator is located on the top right hand side of the heater/vent module.


pic 1

1. Remove the instrument panel carrier.
2. Disconnect the electrical connector (2).


pic 2

3. Remove the air temperature actuator retaining screws.
4. Remove the air temperature actuator from the heater/vent module.

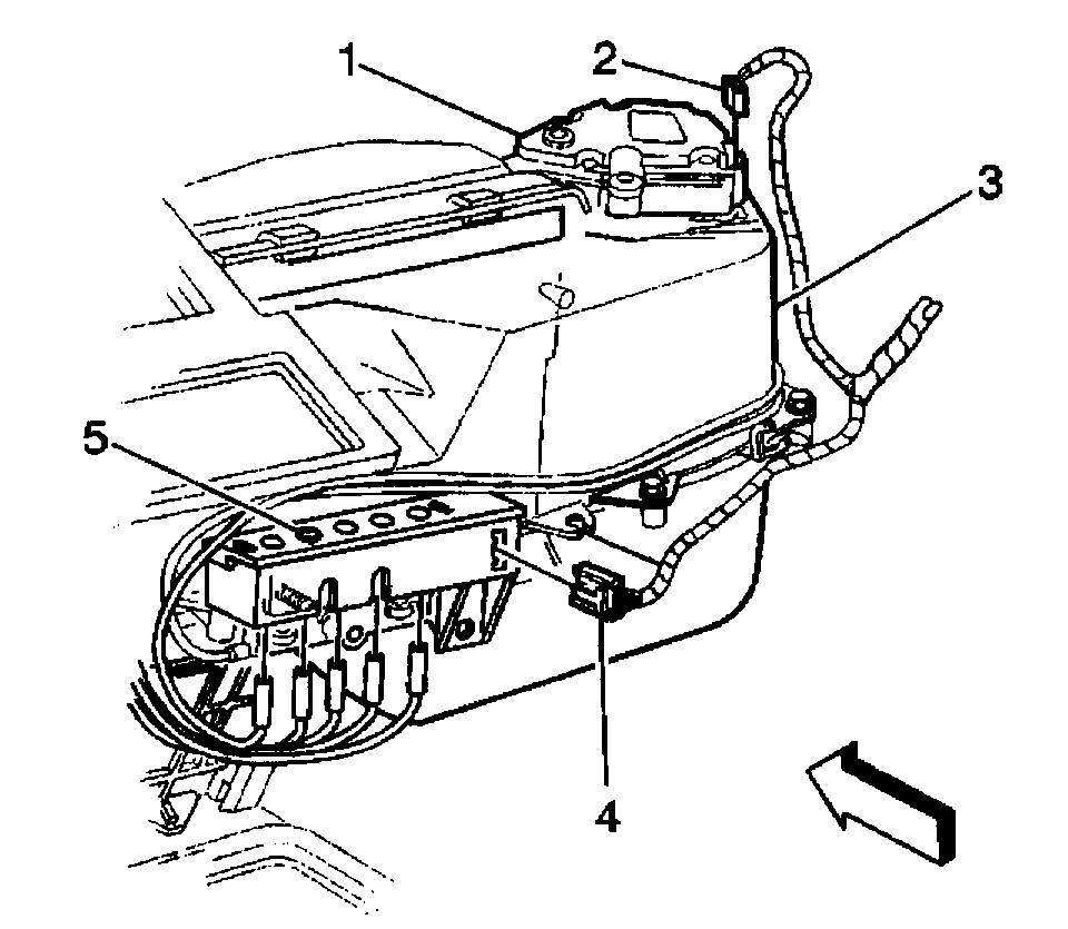
INSTALLATION PROCEDURE


pic 3

1. Install the air temperature actuator to the heater/vent module. Ensure that the actuator is seated on the locating tab.

NOTE: Refer to Fastener Notice in Service Precautions.

2. Install the air temperature actuator retaining screws.

Tighten
Tighten to 1.9 N.m (17 lb ft).


pic 4

3. Connect the electrical connector (2).
4. Install the instrument panel carrier.
5. Perform the following procedure in order to initialize the air temperature actuator on vehicles equipped with automatic climate control (C68).
5.1.Turn the ignition switch to the OFF position.
5.2.Remove the RDO BATT fuse for 10 seconds.
5.3.Reinstall the RDO BATT fuse.
5.4.Turn the ignition switch to the ON position.
5.5.Ensure that the air temperature actuator cycles through the hot and cold range.
6. Perform a heater output temperature check. Refer to Heater Output Temperature Check.

For a description of the RPO Code(s) shown in this article/image, refer to the RPO Code List found at Vehicle/Application ID.

See: Air Door Actuator / Motor, HVAC > Components > RPO Code List

Let me know if this helps or if you have other questions.

Take care,
Joe
Sep 29, 2019 at 5:35 PM