No heat controls

2013 CHEVROLET CAPTIVA
133,000 MILES • 3.0L • 6 CYL • 4WD • AUTOMATIC
Avatar
JAKE DOWDS
  • MEMBER
  • 1 POST
My heat controls won't work neither will my heated seats or defrost and it won't tell me the outside air temperature. worked fine shut car off drove it an hour later and nothing.
Nov 5, 2019 at 10:38 AM
Advertisement
Avatar
MASTERWRENCH
  • CERTIFIED EXPERT
  • 258 POSTS
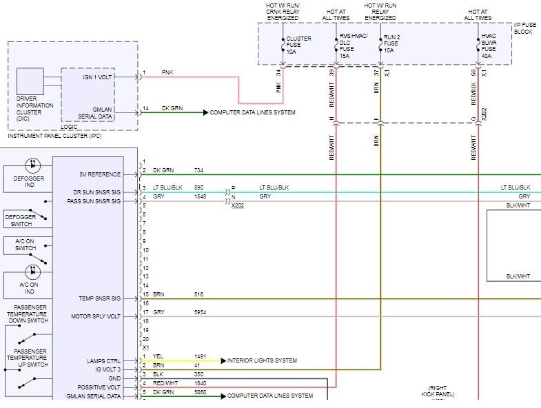
All of the systems you're experiencing issues with are controlled by the HVAC (Heating Ventilation Air Conditioning) Control Module. Since it appears to be completely unresponsive, I would start by checking the two fuses that supply power to this component. (see attached diagrams) Both fuses are located in the instrument panel fuse box. The first one is labeled XM/HVAC/DLC(on the fuse box cover) and RVS/HVAC/DLC(on the wiring diagram). The second is labeled Run 2.

Let us know what you find!
Nov 6, 2019 at 6:41 PM
Avatar
JAKE DIZZLE
  • MEMBER
  • 2 POSTS
Checked both fuses and relay all good. ambient air temperature also not registering at all no readouts.
Nov 17, 2019 at 9:38 PM
Advertisement
Avatar
MASTERWRENCH
  • CERTIFIED EXPERT
  • 258 POSTS
At this point, it sounds like the HVAC module has most likely failed. Again, it's responsible for all the systems you're having issues with.

Let us know how you make out.
Nov 18, 2019 at 7:15 PM