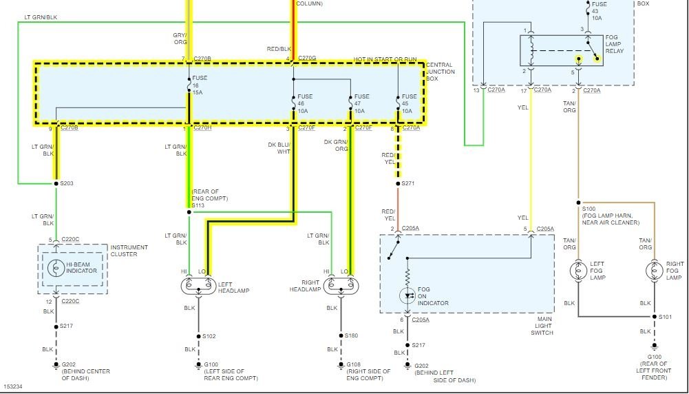
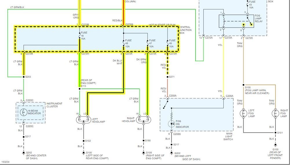
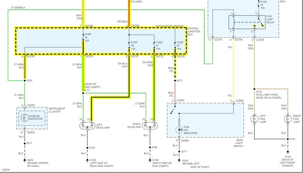
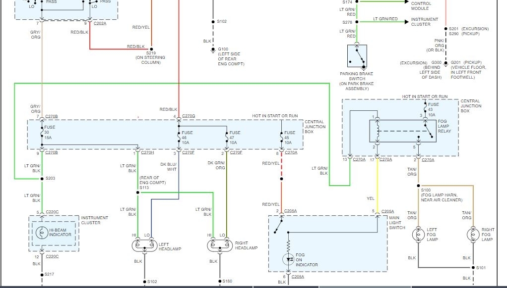
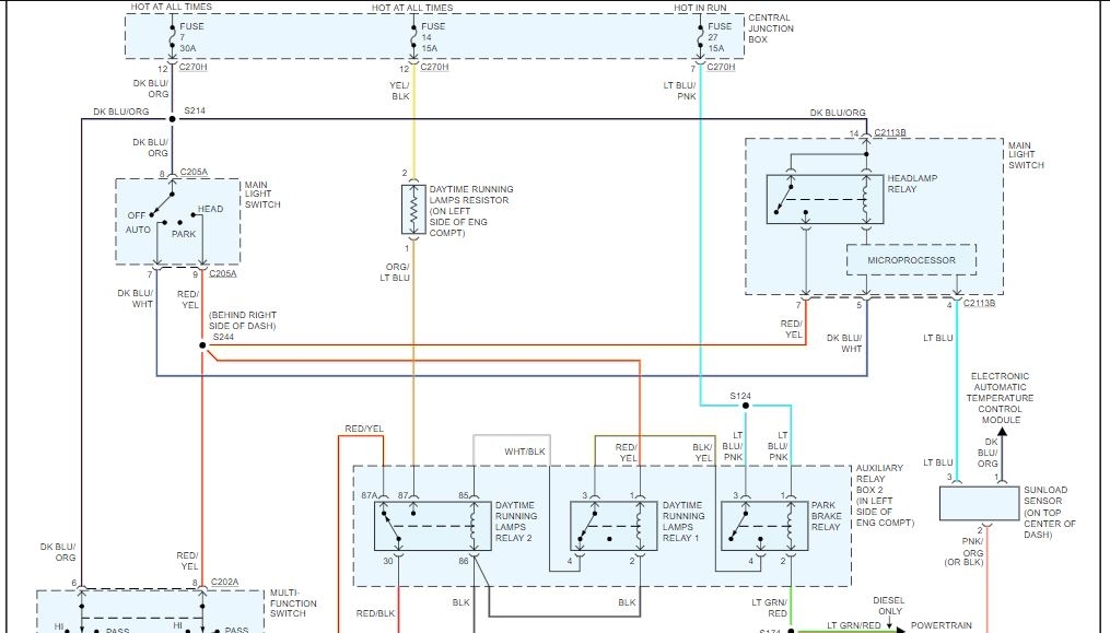
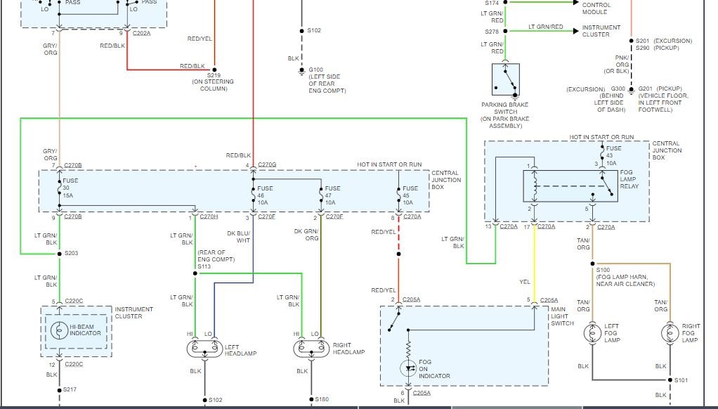
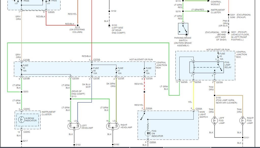
I have recently found a split ground wire from the alternator and the power cable to the starter rubbing through on the chassis. Both issues have been fixed. What I have remaining are the power door locks not working, the key-less entry not working, and the headlights do not work when toggled. I have running lights and high beams but when I switch to headlights, there is nothing. The attached picture shows the position in which the headlights do not turn on. High beams, flash to pass, and fog lights all work.
Jun 13, 2020 at 7:34 AM






