Headlights and DRLs stopped working?

2005 CHEVROLET IMPALA
329 MILES
Avatar
RANEE77
  • MEMBER
  • 1 POST
my daytime running lights aren't working and if i pull the switch out to turn my low beams on they aren't coming on. what could be the problem? replaced the bulbs and checked fuses. They were working one day and now they are not working. i have checked headlamp relay but i have my taillights and all working.
Jun 6, 2021 at 8:31 PM
Advertisement
Avatar
JACOBANDNICKOLAS
  • CERTIFIED EXPERT
  • 110,175 POSTS
Hi,

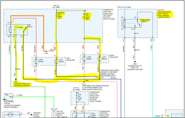
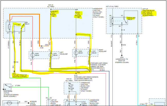
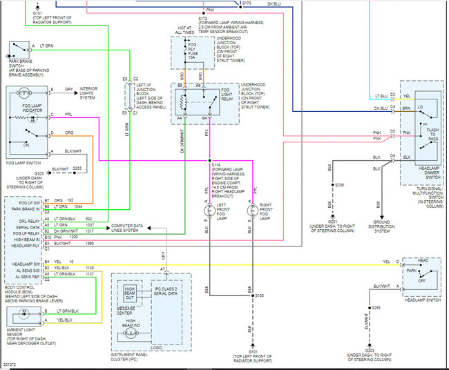
Do the high beam work? If you look below, there are two relays that can be causing an issue. Power is supplied through the bulbs and then to the DRL relay under the hood. Once the DRL is activated, it provides a ground path for the lights to operate. Did you check that relay also or only the one in the vehicle?

Do me a favor. In addition to checking the fuse condition, conform there is power to them. Here is a link you may find helpful:

https://www.2carpros.com/articles/how-to-check-a-car-fuse

Next, here is a link that shows how to test a relay:

https://www.2carpros.com/articles/how-to-check-an-electrical-relay-and-wiring-control-circuit

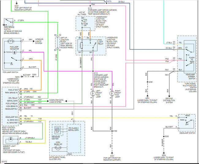
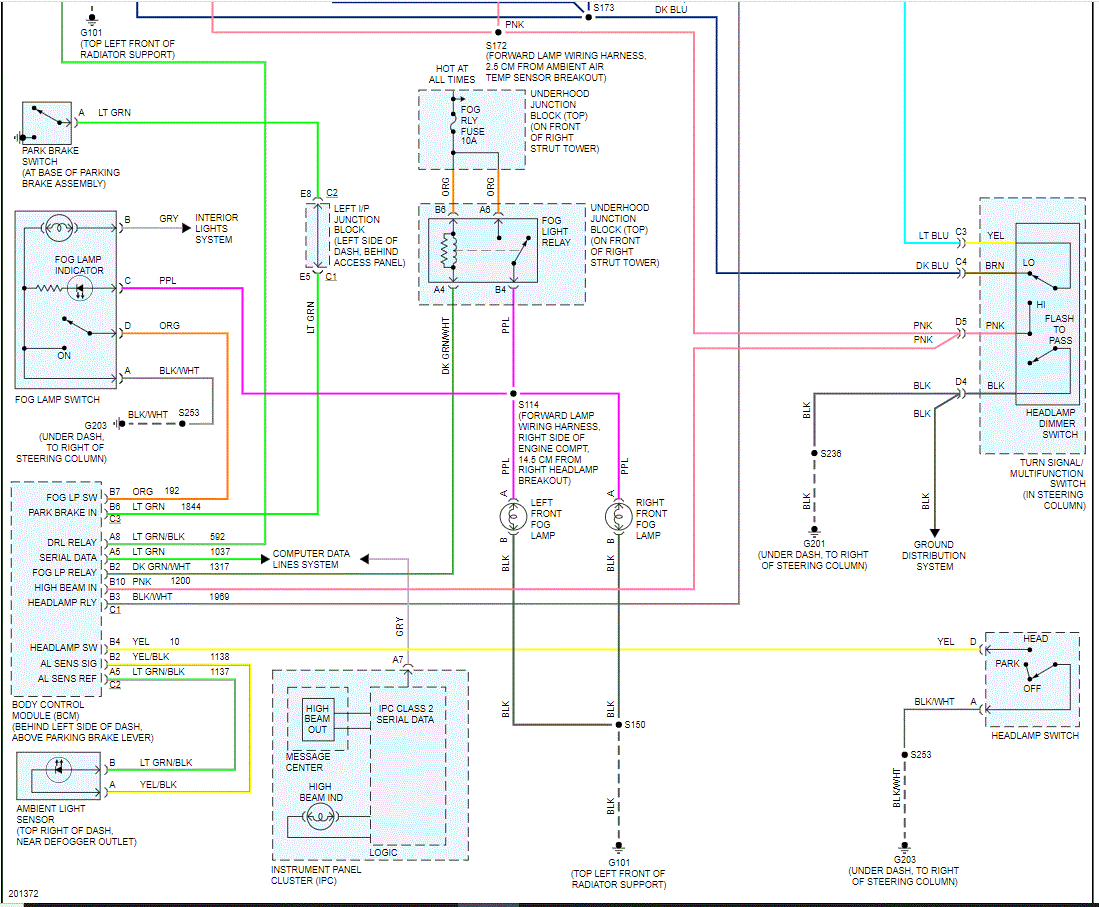
I attached the wiring schematic for the DRL and headlamps. I had to cut it in half to make it readable, but I did overlap them so you can follow from one to the next.

I highlighted fuses and the wiring which depend on the DRL relay. Also, pic 3 shows the underhood fuse box. I highlighted the fuses and the DRL relay. Pic 4 is the fuse box on the left side of the dash. it shows the headlamp relay.

Here is one more link that explains how to check the wiring. You may find it helpful as well.

https://www.2carpros.com/articles/how-to-check-wiring

Let me know what you find or if you have other questions.

Take care,

Joe

See pics below.

Jun 6, 2021 at 8:58 PM