Cranks does not start and no green security key icon in dash when key is inserted

2003 ACURA CL
145,000 MILES • 3.2L • V6 • 2WD • MANUAL
Avatar
RANCHO66
  • MEMBER
  • 3 POSTS
Winter stored vehicle. 4 year old battery went dead during storage. Charged but would not hold charge. When attempting to start car with 12.38v charged battery, it would turn over but not start. Noticed there was no green key in dash when key was turned to start car. Normally it will blink a few times and go out. Replaced battery thinking the low charge affected security/immobilizer system. Still no green key icon in dash when attempting to start car. Tried your suggestions in the "how to reset a security system" article to no avail. Ready to have car towed to Acura dealer 150 miles away. Any ideas what the problem might be? Will call Acura dealer Monday to see if they know some trick, but probably will refuse without seeing the car.
May 16, 2020 at 6:49 PM
Advertisement
Avatar
STRAILER
  • CERTIFIED EXPERT
  • 53,854 POSTS
Hello,

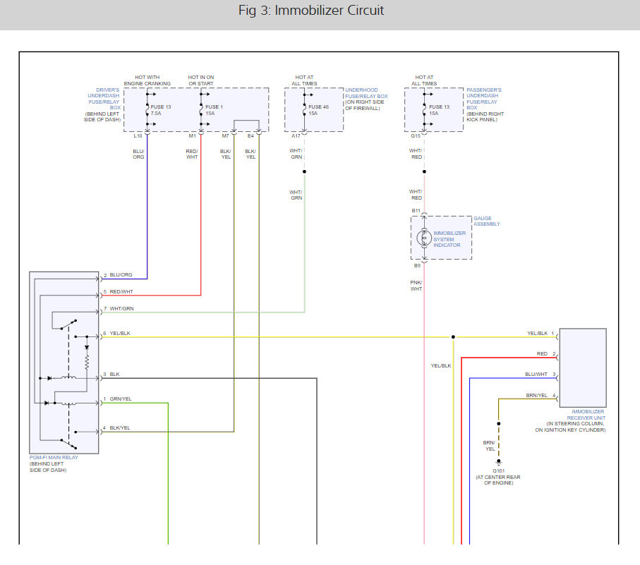
There and many fuses that need to be checked (passengers fuse panel - #12, 13 - Drivers fuse panel # 9, 13 and 1 - under hood # 46). here is a guide to help and the fuse location below:

https://www.2carpros.com/articles/how-to-check-a-car-fuse

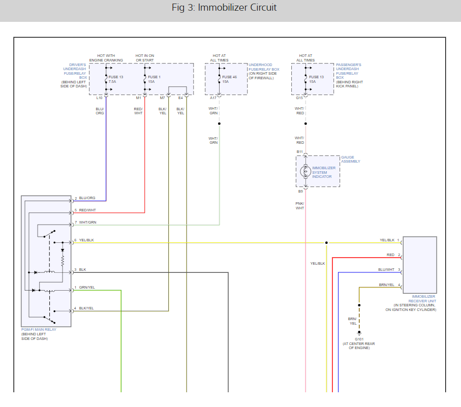
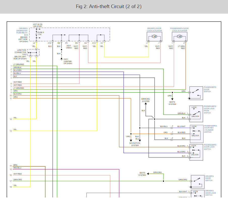
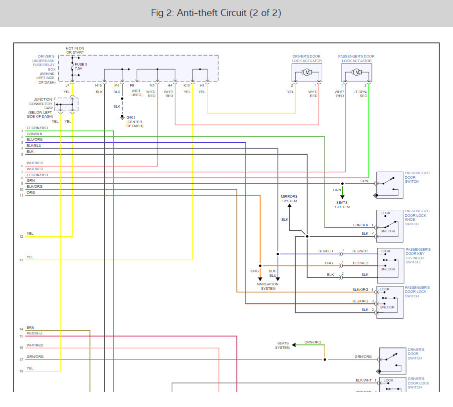
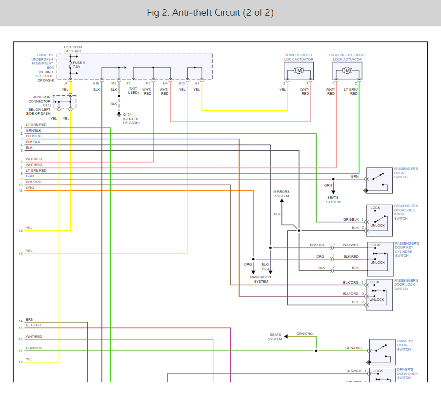
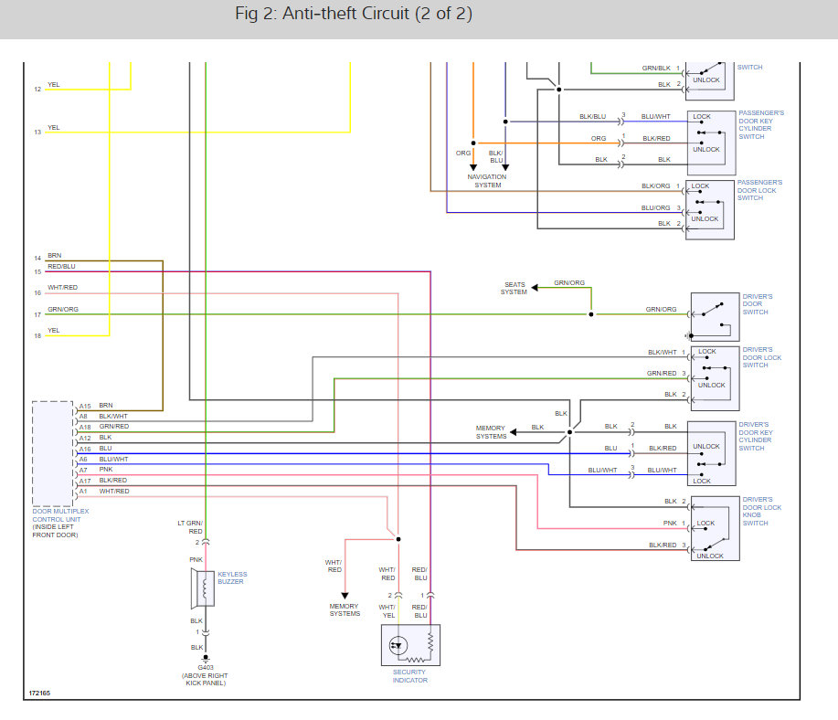
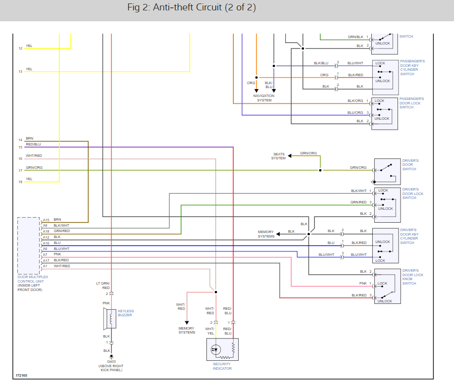
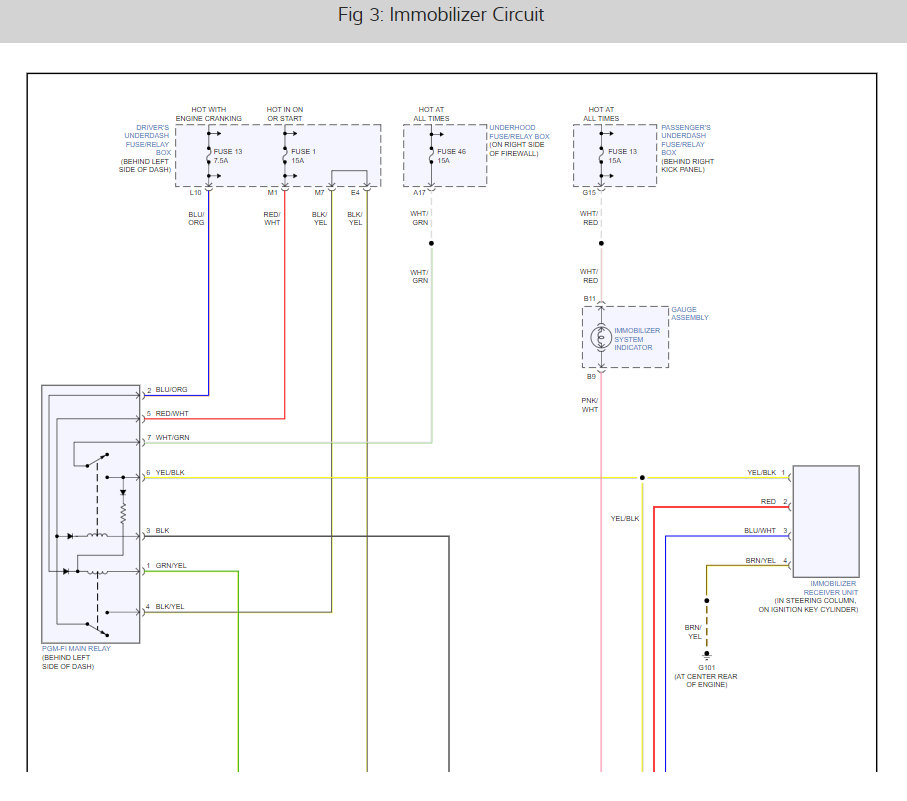
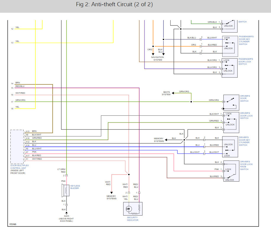
Check out the diagrams (below). Please let us know what you find. We are interested to see what it is.
May 17, 2020 at 10:38 AM
Avatar
RANCHO66
  • MEMBER
  • 3 POSTS
Checked all the fuses with a multi-meter continuity check and pulled each one and visually checked they were not blown. All checked out unfortunately for me. I would let my local mechanic check it out but he recommends the dealer because of specific Acura needed software? that the dealer has. No problem as it is not my daily driver.
Thanks for helping me out on this. Always embarrassing when a simple fuse is burnt out.

Mike
May 17, 2020 at 3:18 PM
Advertisement
Avatar
STRAILER
  • CERTIFIED EXPERT
  • 53,854 POSTS
it sounds like the passengers or driver side multiplex is out. To be sure we can do a CAN scan. this video will show you how and I have included the alarm wiring diagrams so you can see how the system works:

https://youtu.be/InIlnsjOVFA

Check out the diagrams (below). Please let us know what you find.
May 18, 2020 at 10:11 AM
Avatar
RANCHO66
  • MEMBER
  • 3 POSTS
Good news:

Locked car with key fob last night (2 button pushes to activate security) Was about to call the dealer today, but before I called went out and gave the key fob 2 pushes to unlock all doors. Decided to put key in and see if the green key showed up for some reason. Sure enough it did and the car started up.

Bad news:

The problem resolved itself without repair so will probably pop up when I am on the road some day. Intermittent problems are the worst.
Is there any checks or computer scans the dealership can do to indicate a problem? Or just a waste of time and money?
Thanks again for the diagrams. Printed them out for reference the next time.

Mike



May 18, 2020 at 11:20 AM
Avatar
STRAILER
  • CERTIFIED EXPERT
  • 53,854 POSTS
Good that it's fixed but like you said it may come back. I would get a CAN scanner and check it yourself. There about $50.00 then you will have the scanner for next time. We are here to help, please use 2CarPros anytime.
May 19, 2020 at 9:50 AM