No fuel to injectors

1993 GMC VANDURA
180,000 MILES • 5.7L • V8 • 2WD • AUTOMATIC
Avatar
HUMMANNA
  • MEMBER
  • 1 POST
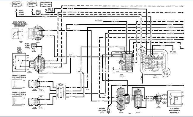
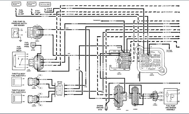
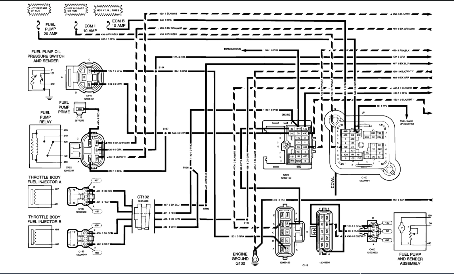
The vehicle listed above is a 3500-box van. The engine turns over no fuel going to injectors. Trying to check if it's oil pressure fuel cutoff or fuel relay switch located in engine compartment top center. How do I check, or ECM?
Dec 14, 2021 at 6:00 PM
Advertisement
Avatar
ASEMASTER6371
  • CERTIFIED EXPERT
  • 52,796 POSTS
Good morning,

The oil pressure switch is a built-in bypass for the relay if the relay fails. Disconnect it and see if it starts.

https://www.2carpros.com/articles/how-to-check-wiring

I attached a wiring diagram for you. It is an old diagram but shows the wires and colors. You need to remove the connector for the fuel pump at the tank and test for power when you turn the key on. There will be power for 2 seconds until you crank the engine. Then it should have constant voltage.

https://www.2carpros.com/articles/how-to-check-an-electrical-relay-and-wiring-control-circuit

There is a primer connector secured to the harness at the relay. Use a jumper wire from the battery positive to the connector. The fuel pump should come on as it is a direct shot to the fuel pump.

Roy
Dec 15, 2021 at 4:19 AM
Avatar
WIRENUT222
  • MEMBER
  • 3 POSTS
Have good fuel pressure and clean injectors m, but will not get enough fuel to start or run. Spraying ether will make it runs good until it burns it off.
May 23, 2022 at 9:44 AM
Advertisement