No fuel pressure

1998 BUICK PARK AVENUE
100,678,000 MILES • 3.8L • 6 CYL
Avatar
CROUSETODD
  • MEMBER
  • 1 POST
Replaced fuel pump and still no pressure. How much pressure do I need to start car?
Jan 17, 2020 at 7:29 AM
Advertisement
Avatar
ASEMASTER6371
  • CERTIFIED EXPERT
  • 52,796 POSTS
Good afternoon,

You need to verify power is going to the pump itself.

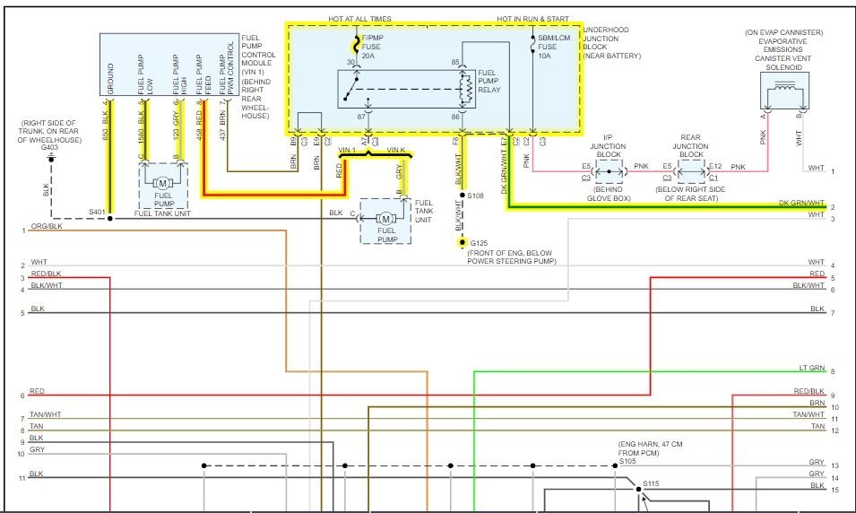
I attached the circuit for the fuel pump. The relay is under the hood and you need to verify voltage to the relay. You will need a test light or a voltmeter.

Can you hear the pump run with the key on?

The pressure is 55 pounds.

Roy
Jan 17, 2020 at 9:08 AM