There's a number of problems here. First, you had better not hear the fuel pump running with the ignition switch on. To do so would create a serious fire hazard if a fuel line got ruptured in a crash. Instead, the pump will indeed run when you turn the ignition switch on, but only for one second. That is not meant for priming the pump. That's done in case fuel pressure dropped off over days or weeks. The fuel pump will not turn back on until the Engine Computer sees engine rotation, (cranking or running).
The bigger problem here is, as is too common, no one followed up with the solution or how they reached it. That doesn't help people like you who are researching a similar problem. In addition, unlike on other forums where anyone can chime in to confuse the issue, here this becomes a private conversation that can go on for weeks or months if necessary, between just two or three people. When you add a reply to it, none of the other experts are going to see it or have a chance to help. That leaves you with just me, (because I happened to notice your comment), and that may not get you the help you need. The better approach is to start a new question specific to your vehicle. I'll try to help here, but if you need to start a new question, this link will take you there:
https://www.2carpros.com/questions/new
Before you complain about the lack of an answer, consider that we have no idea of the person's skill level or knowledge of cars or electrical systems. Some people get angry when we dare to ask those questions so we can solve this most efficiently. Some get mad when we go into detail on how to use a voltmeter. Some people seem to consider many details as top secret and they don't share their observations, test results, or clues. Some people are barely proficient at putting in gas, yet we can walk them through the diagnosis and repair if given the chance.
If you have "the exact same problem", what have you done or tried so far? Have you replaced the fuel pump multiple times? How long might the vehicle go between gas fill-ups? Could it sit for weeks at a time? How long do the pumps last? Has anything been done to diagnose the cause of the failures? Almost any details you can provide will be more to go on than was originally posted.
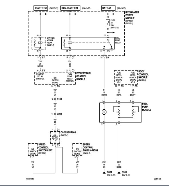
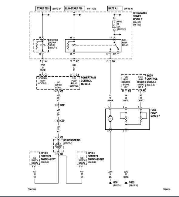
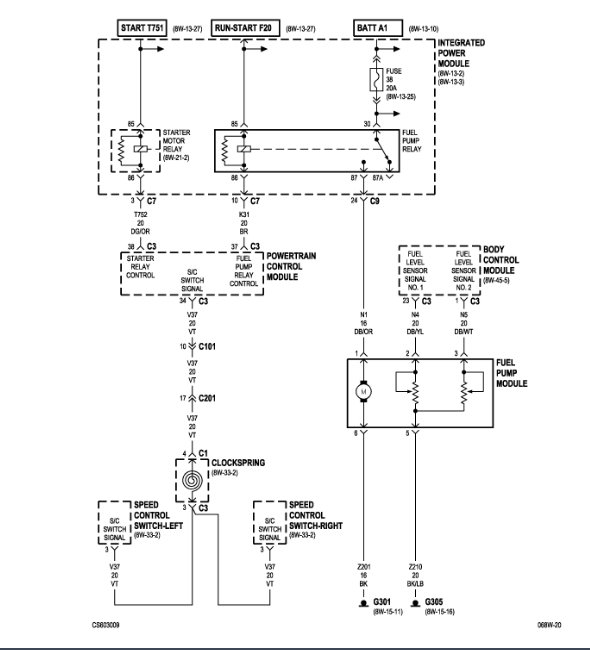
Please tell me which engine you have too in case I need to find and post a wiring diagram. Most are the same, but there can be differences between engines and other options.
Dec 24, 2024 at 12:52 PM