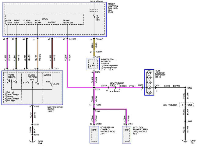
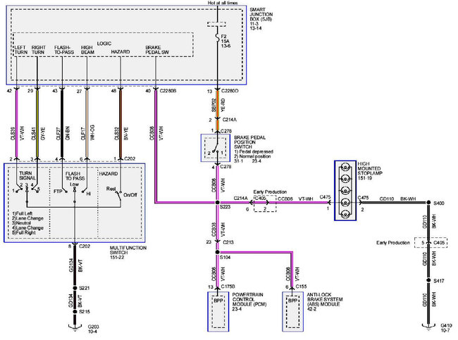
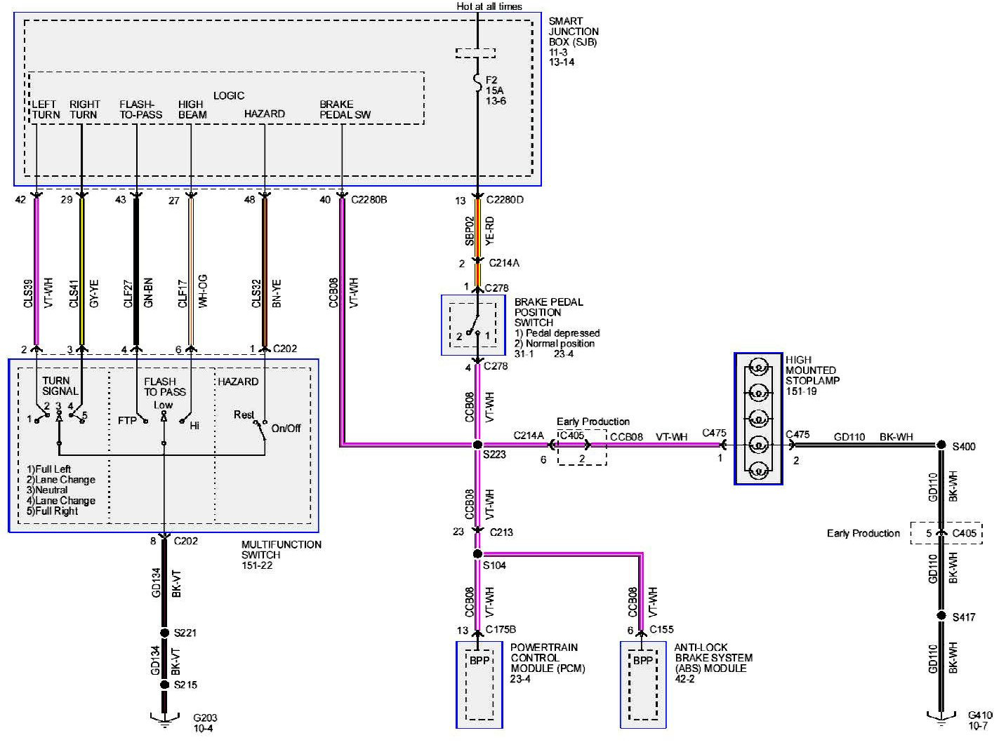
I have the car listed above SES. Back work fine, running lights work fine, front and back. Just no front blinkers... I have checked the fuses, changed out the multi-function switch, changed the front bulbs, checked for power in the front and it is getting none. I need help. Is there a relay or something that I haven't checked yet? Advanced auto parts has a multi-function relay.. But I can't find where it would be located on the car to change. Any help at this point would be appreciated. Thank you for your time and efforts in advance.
Oct 12, 2019 at 6:04 PM


