No fire to plugs

1988 FORD RANGER
14,700 MILES • 2.9L • 6 CYL • 4WD • MANUAL
Avatar
GUY68
  • MEMBER
  • 1 POST
I changed coil cap and rotor ignition mod on back of distributor, now not getting power to fuel pumps and computer. please help.
Oct 14, 2019 at 7:06 PM
Advertisement
Avatar
SCGRANTURISMO
  • CERTIFIED EXPERT
  • 4,897 POSTS
Hello,

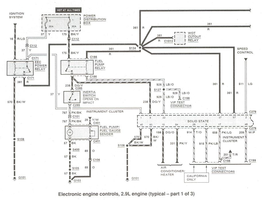
In the diagrams down below I have included the No Start Pinpoint est for your vehicle. It calls for the use of a breakout box which goes in line in between the Power-train Control Module [PCM] and the PCM connector and should be available for purchase on eBay and Amazon. Please go through these guides and get back to us with what you are able to find out.

Thanks,
Alex
2CarPros
Oct 15, 2019 at 2:02 AM
Avatar
AL514
  • CERTIFIED EXPERT
  • 5,465 POSTS
Hello just to add, the EEC relay feeds power to the fuel pump relay and many other components. Check these relays for power.
Oct 15, 2019 at 1:39 PM
Advertisement