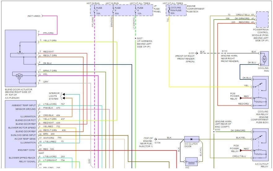
I just replaced air conditioner compressor and dryer and most other items in air conditioner system. It does not seem to be getting power to the new compressor. Where should we look?
Jun 22, 2016 at 3:36 PM




