No fire

1990 CHEVROLET STORM
170,000 MILES • 1.6L • 4 CYL • 2WD • AUTOMATIC
Avatar
3BETHMC88
  • MEMBER
  • 5 POSTS
Way home check engine come on. In apts, so went home and parked. Called a mechanic over. Went through distributor, coil, plugs, wires, rotor, ignition wire. Put a timing chain in. Has not started since. Turns over strong, just will not catch. Took screwdriver and did spark test. No fire. No cam or crank sensor correct?
Aug 28, 2019 at 3:03 PM
Advertisement
Avatar
JACOBANDNICKOLAS
  • CERTIFIED EXPERT
  • 110,175 POSTS
Welcome to 2CarPros.

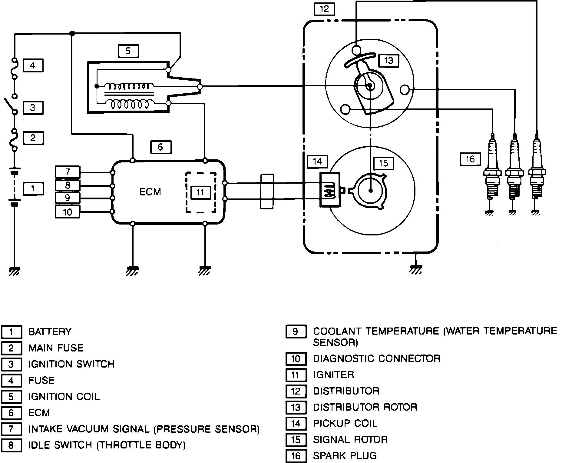
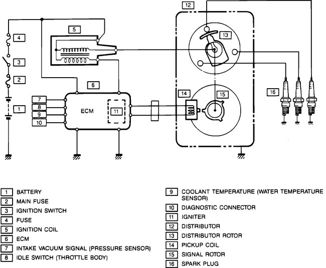
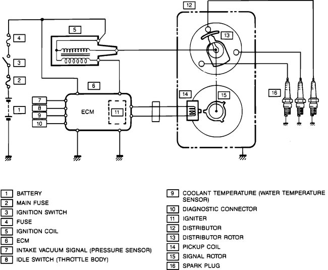
Have you checked the pick up coil in the distributor? Have you checked the coil?

When there is no spark, there should be a diagnostic trouble code stored. Here is a link that shows how to retrieve codes on this system:

https://www.2carpros.com/articles/buick-cadillac-chevy-gmc-oldsmobile-pontiac-gm-1983-1995-obd1-code-definitions-and-retrieval-method

Try that first. Also, my first suspects are either the ignition control module or the pick up coil. I attached pictures below to help you identify them.

Let me know.

Joe


Aug 28, 2019 at 5:40 PM