The brake controller on my 2001 GMC Sierra works fine with the manual control lever but not when the brake pedal is applied. The controller has four wires. Of the four, the red wire is supposed to receive power when the brake pedal is applied. However, there is no power at the red wire when the pedal is applied.
Everything else works fine. All of the lights on both the truck and trailer work as they should. I have replaced the brake light switch at the pedal but that did not solve the problem.
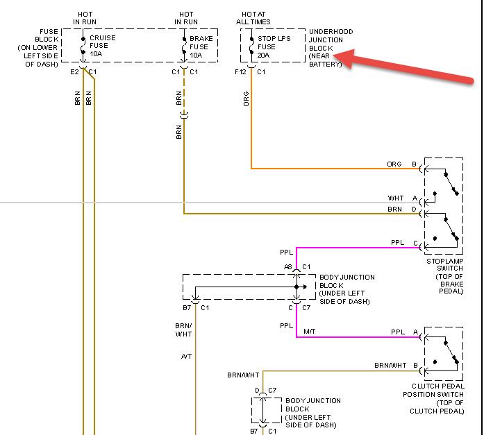
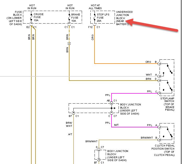
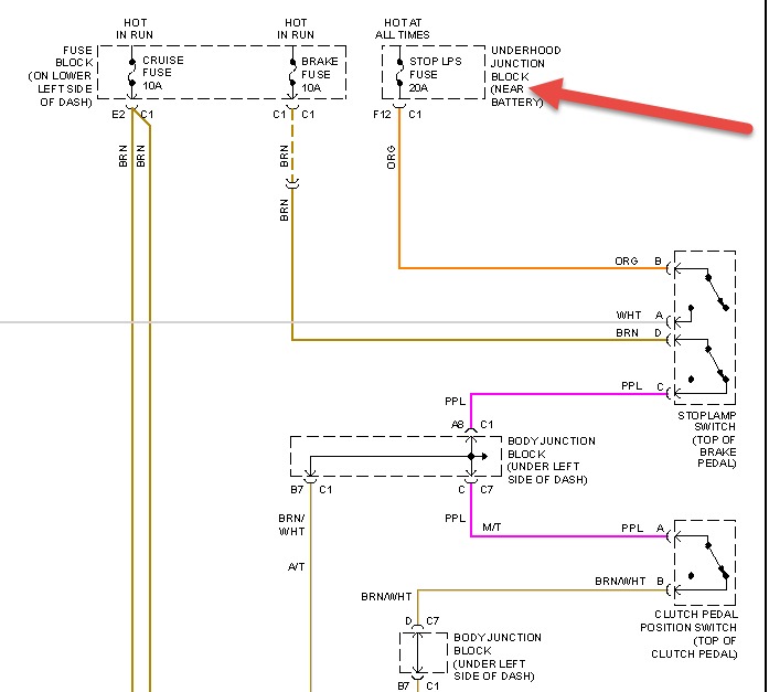
The brake light switch has six wires coming from it in these colors: Wt (grnd), Or (hot), Prp, Brn, Grn, Grn/Wt. None of the wires (except the orange wire) produce voltage when the brake pedal is applied. All of the wires (except the white ground wire) are hot when the ignition is turned on.
My questions are these: From where does the red wire on the brake controller get its power? How can I determine where the problem lies and how to fix it? Where can I find a high resolution wiring diagram?
Thanks.
Everything else works fine. All of the lights on both the truck and trailer work as they should. I have replaced the brake light switch at the pedal but that did not solve the problem.
The brake light switch has six wires coming from it in these colors: Wt (grnd), Or (hot), Prp, Brn, Grn, Grn/Wt. None of the wires (except the orange wire) produce voltage when the brake pedal is applied. All of the wires (except the white ground wire) are hot when the ignition is turned on.
My questions are these: From where does the red wire on the brake controller get its power? How can I determine where the problem lies and how to fix it? Where can I find a high resolution wiring diagram?
Thanks.
Mar 3, 2014 at 3:32 PM


