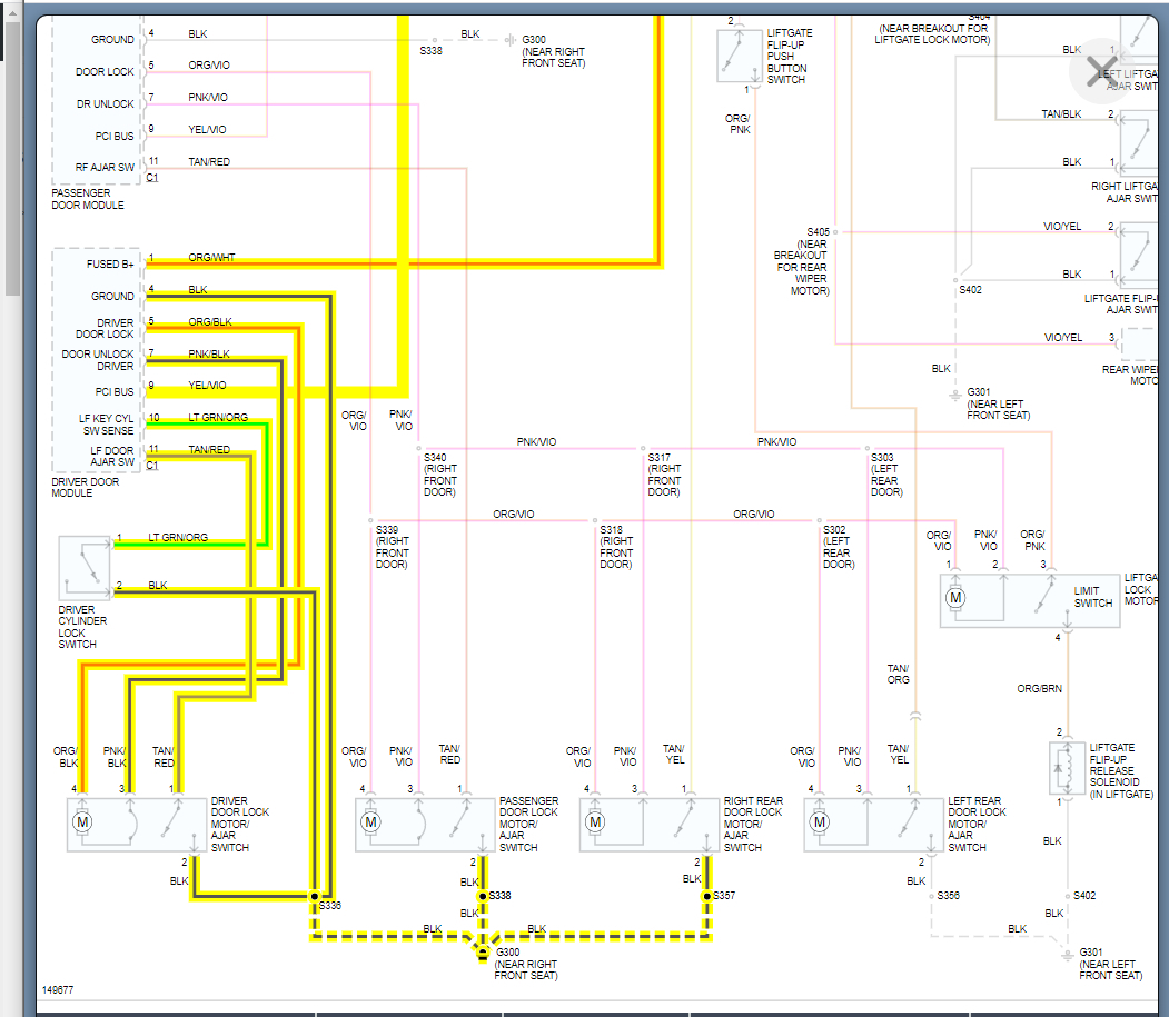
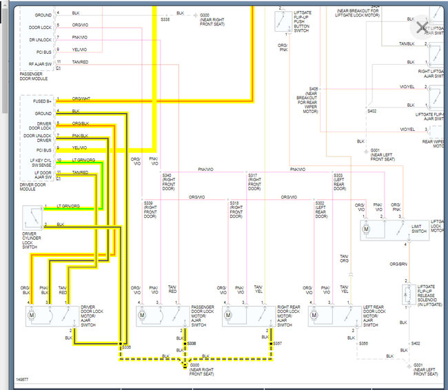
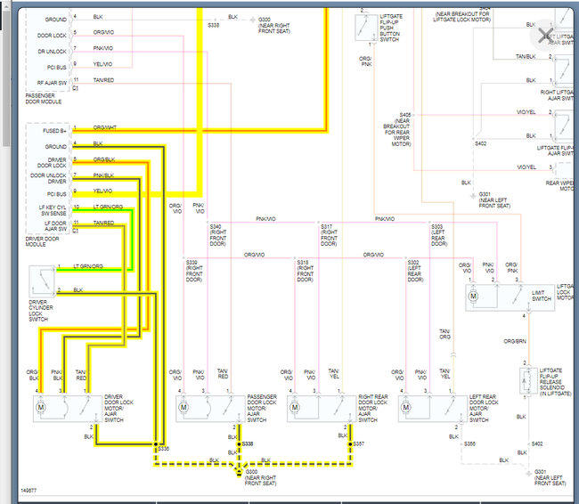
This could be a number of things but we need to start with the fuse for the driver door module and switch. This is fuse 12 in the PDC which is next to the battery. This is a shared fuse with the passenger door module so if that side is working then the fuse is fine. Just make sure you check it as some only look at one side as they are driving and don't check the other door to see if it is working.
https://www.2carpros.com/articles/how-to-check-a-car-fuse
If the fuse is fine then we need to go to the switch and check for this 12 volts and ground on the circuits labeled on the wiring diagram.
https://www.2carpros.com/articles/how-to-check-wiring
If you have both then press the button and check the voltage on the power door lock circuits at the actuator. If there is no voltage getting to the actuator the door module is likely the issue.
https://www.2carpros.com/articles/door-panel-removal
Below is the info on the wiring diagrams and the door modules which are just behind the trim panel.
Please run through this and let me know if you have questions.
Thanks
Images (Click to enlarge)
Aug 23, 2021 at 2:58 PM