headlight wiring

2014 TOYOTA COROLLA
56,000 MILES • 2WD • AUTOMATIC
Avatar
STJOHN MICHELLE
  • MEMBER
  • 1 POST
My headlights on my car stop working. I only have bright lights; no daytime running lights or low lights working. Please help!
Sep 28, 2019 at 3:29 PM
Advertisement
Avatar
STRAILER
  • CERTIFIED EXPERT
  • 53,854 POSTS
Hello,

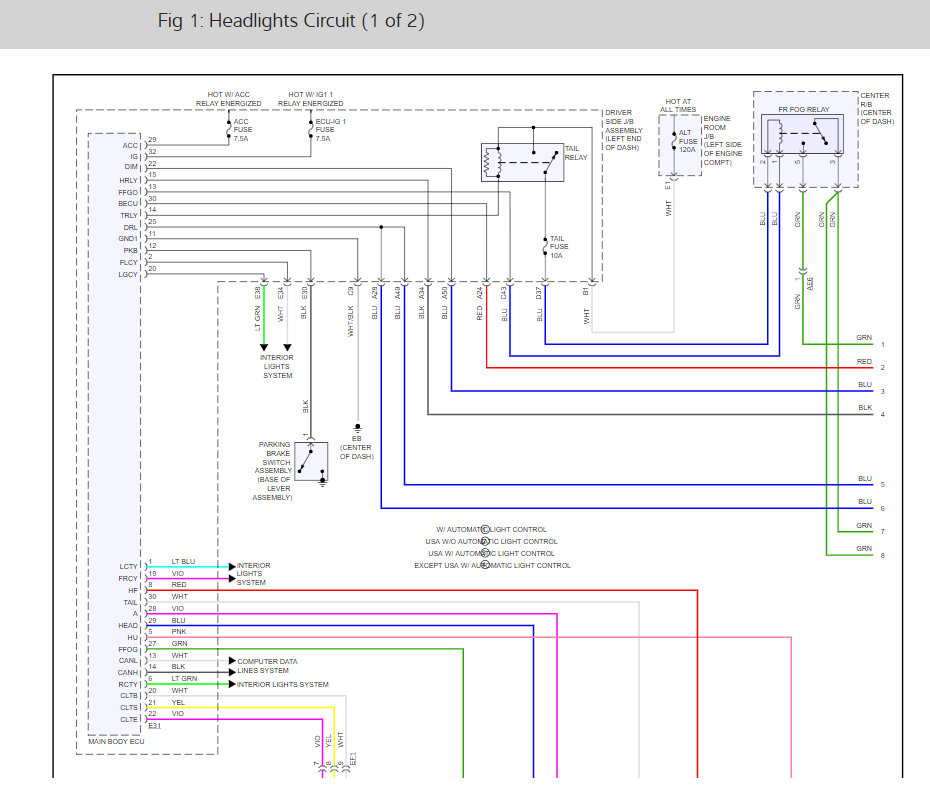
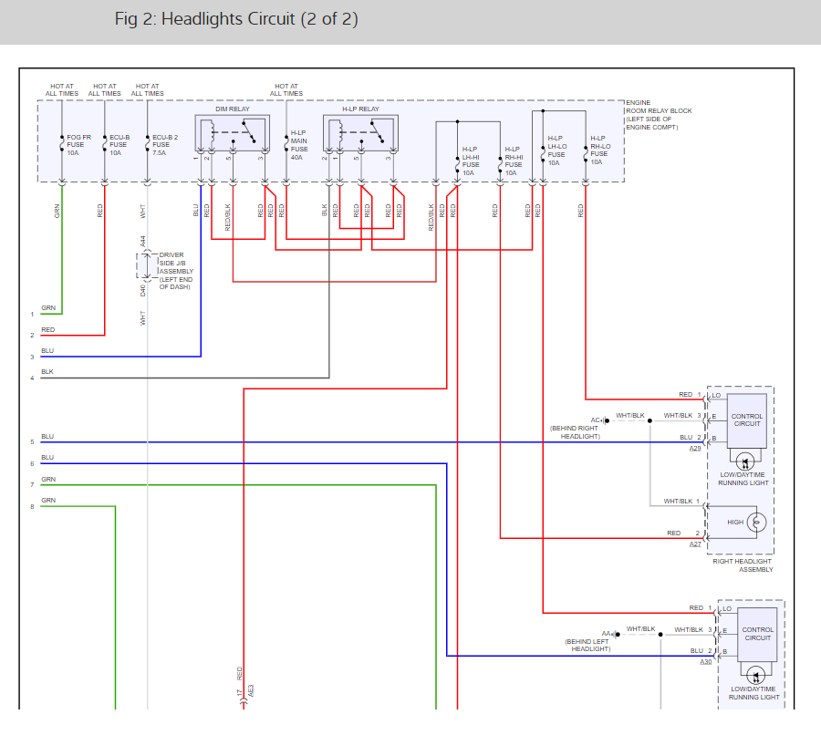
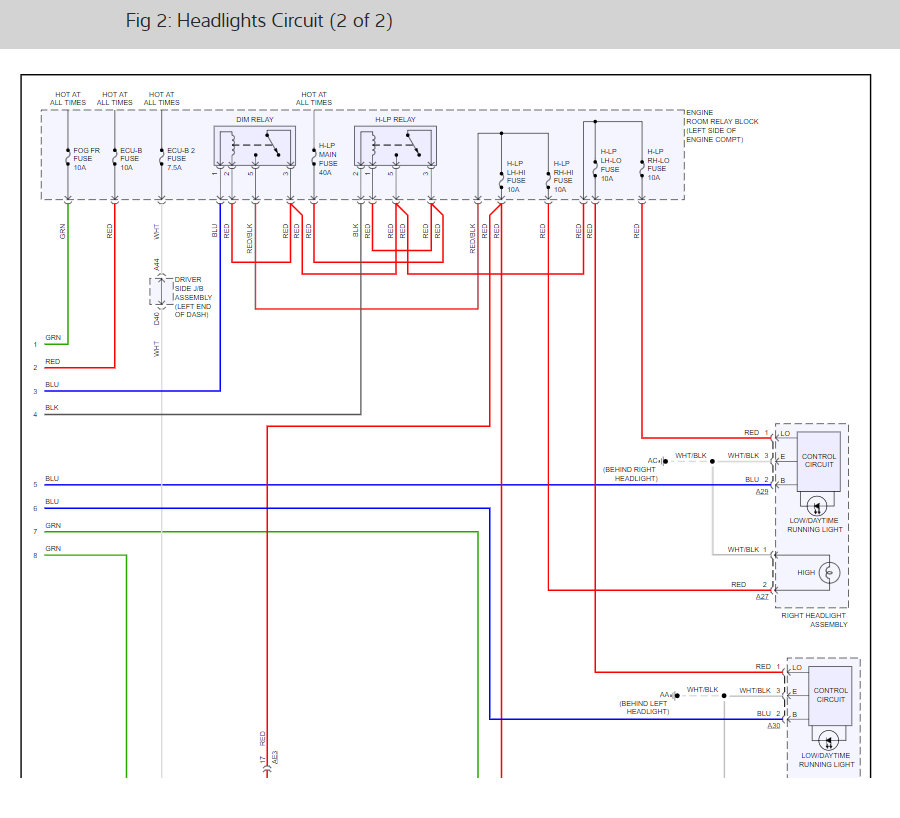
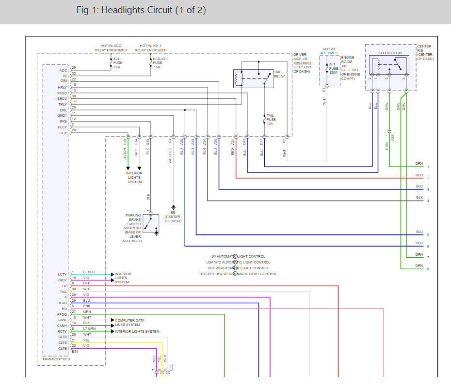
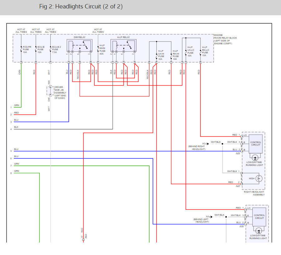
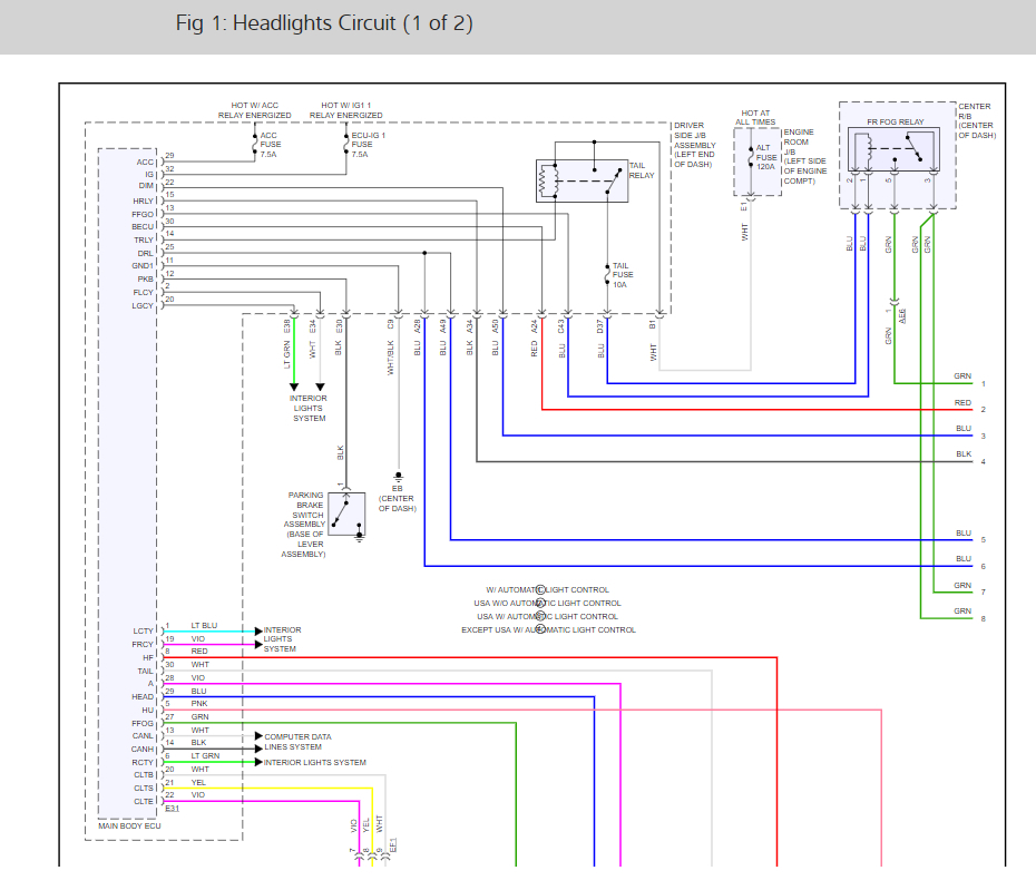
There are 10 fuses that run the headlight system through the main body ECU (BCM). Here is a guide to help check the fuses and the headlight wiring diagrams so you can see how the system works and what fuses to check:

https://www.2carpros.com/articles/how-to-check-a-car-fuse

If all fuses are good I have included how to replace the BCM. Check out the diagrams (below). Please let us know what you find. We are interested to see what it is.
Sep 29, 2019 at 4:54 PM