All dashboard lights are not working

2007 FORD BANTAM
2,600,236 MILES • 1.3L • 2WD
Avatar
VICTOR DAHWA
  • MEMBER
  • 1 POST
No dashboard lights showing at all.
Oct 20, 2021 at 12:45 PM
Advertisement
Avatar
KASEKENNY
  • CERTIFIED EXPERT
  • 18,907 POSTS
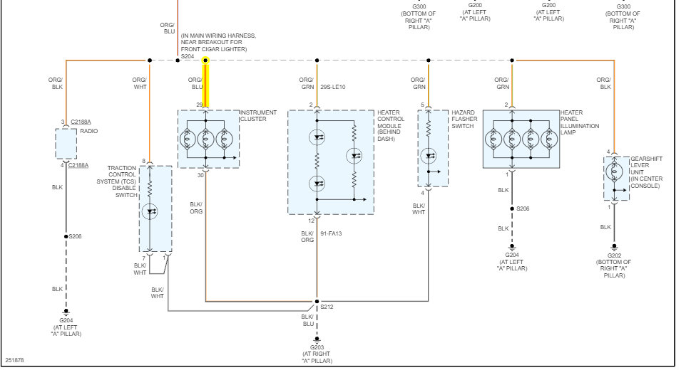
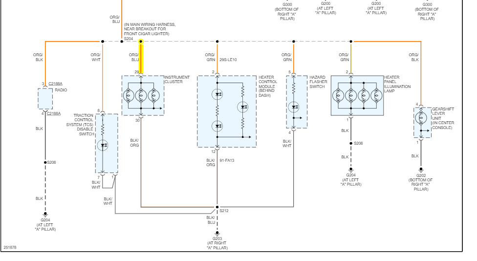
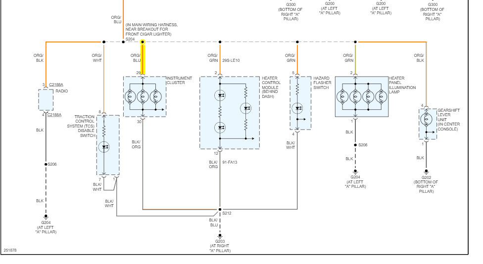
If the dash lights are the only thing not working, then we are pretty confident that we don't have a light switch or fuse issue. This circuit is spliced to many different things, so we need to check power at the cluster and find out if there is voltage. If there is no voltage, then we need to find this splice and just run a new wire to restore the voltage to the cluster.

https://www.2carpros.com/articles/how-to-check-wiring

https://www.2carpros.com/articles/how-to-use-a-voltmeter

If there is voltage, then we have an issue on the circuit board of the cluster or the bulbs are burned out.

Clearly it is not likely for all the bulbs to burn out at the same time, so I suspect there is an issue on the board of the cluster.

Please run through this info below and let us know what questions you have.

Thanks
Oct 21, 2021 at 7:09 PM
Avatar
JACOBANDNICKOLAS
  • CERTIFIED EXPERT
  • 110,175 POSTS
Hi,

This vehicle isn't offered in the US, but I will try my best to help.

First, have you checked fuses related to the instrument cluster? If you have and the fuse is good, did you confirm if there is power to it? Here is a link explaining what I'm referring to:

https://www.2carpros.com/articles/how-to-check-a-car-fuse

Have you checked to make sure the electrical connector o the rear of the instrument panel is tight, in good condition, and free of corrosion?

Let me know.

Joe
Oct 21, 2021 at 7:11 PM
Advertisement