No dash or taillights

2004 NISSAN FRONTIER
88,000 MILES • 2.4L • V6 • 2WD • AUTOMATIC
Avatar
ANTLO
  • MEMBER
  • 4 POSTS
I changed all the fuses every single one, all the 7.5-10-15 an 20s. I also change the fuses 40 amps and 30 amp fuse both under the dash and in the hood. still not working, but my headlights work and my brake lights. if anyone knows how to help me please. I'm at a loss.
Dec 15, 2019 at 9:44 AM
Advertisement
Avatar
STRAILER
  • CERTIFIED EXPERT
  • 53,854 POSTS
Hello,

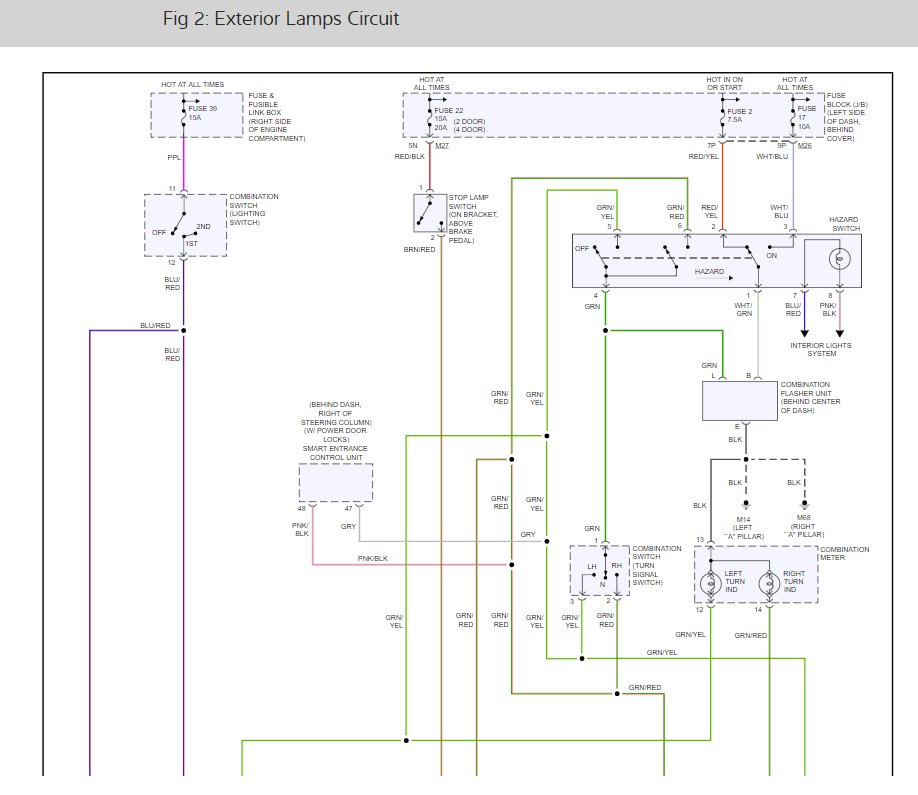
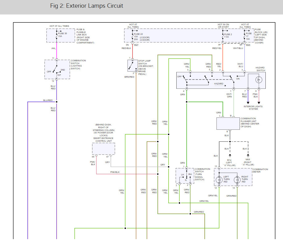
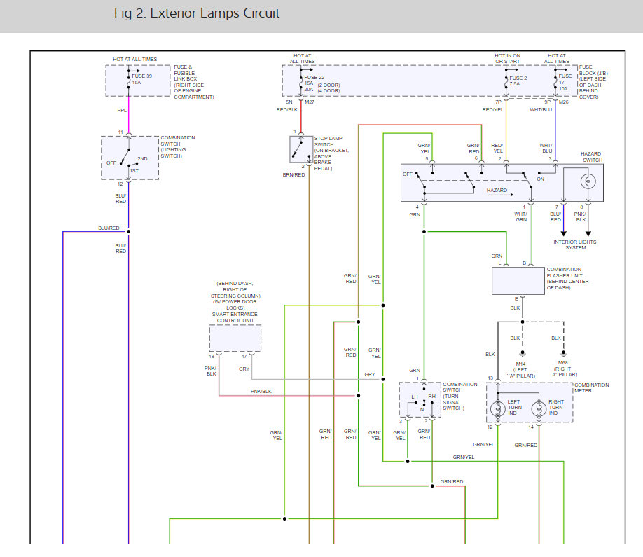
I would test the blue and red wire coming out of the combination switch for power. here is a guide to help you and the running light wiring diagrams below so you can see how the system works:

https://www.2carpros.com/articles/how-to-use-a-test-light-circuit-tester

Check out the diagrams (below). Please let us know what you find. We are interested to see what it is.
Dec 16, 2019 at 3:03 PM
Avatar
ANTLO
  • MEMBER
  • 4 POSTS
Thank you very much for responding. I forgot to mention one my front lights are on and I open up my door the dinging is not going off to let me know my front lights are still on.
Dec 16, 2019 at 7:17 PM
Advertisement
Avatar
STRAILER
  • CERTIFIED EXPERT
  • 53,854 POSTS
Front light running or headlight? Can you please shoot a quick video with your phone so we can see what's going on? that would be great. You can upload it here with your response.
Dec 17, 2019 at 11:40 AM
Avatar
ANTLO
  • MEMBER
  • 4 POSTS
I took a video I don't know if it worked?
Dec 17, 2019 at 12:45 PM
Avatar
ANTLO
  • MEMBER
  • 4 POSTS
I appreciate you and your team really trying but I figured it out it was a fuse that kept blowing because I put a aftermarket radio in hooked up the wire wrong but then I put the old radio back in and check the fuse one more time and realized what was wrong right way
Dec 17, 2019 at 7:57 PM
Avatar
STRAILER
  • CERTIFIED EXPERT
  • 53,854 POSTS
Nice work, we are here to help, please use 2CarPros anytime.
Dec 18, 2019 at 9:46 AM
Avatar
WHITE BOY
  • MEMBER
  • 1 POST
Electrical problem
2000 Nissan Frontier 6 cyl Four Wheel Drive Automatic

when driving off road I have notice my dash lights going off and my speedo will fall or freeze and odometer doesn,t count miles in this condition. Only one time has it done this on highway.
Dec 18, 2019 at 9:46 AM (Merged)
Avatar
KHLOW2008
  • CERTIFIED EXPERT
  • 41,814 POSTS
Hi white boy,

Symptoms indicates a possible loose wireharness connector somewhere and the bumping is aggravating the problem.
Dec 18, 2019 at 9:46 AM (Merged)
Avatar
DCOMPTON78
  • MEMBER
  • 1 POST
Electrical problem
1999 Nissan Frontier 6 cyl Four Wheel Drive 131500 miles

The lights for my dash, speedometer, gas gauge, etc. as well as for my gear shift are not coming on. The dimmer switch went out a year ago, so I disconnected it, and bridged the gap with some wiring. That worked, until recently, where it went out again. I am not getting a voltage reading from it. My indicator/warning lights, and stereo illumination still works. There is no specific fuse for the lights, so that is not the issue. Would you have any idea what the problem could be? Thanks.
Dec 18, 2019 at 9:47 AM (Merged)
Avatar
RASMATAZ
  • CERTIFIED EXPERT
  • 75,992 POSTS
Check fuse no. 11 10amp and fuse no. 39 10amp Check for power at the illumination control switch blue and red wire-nothing there test the combination light switch-See EWD below interior light circuit


https://www.2carpros.com/forum/automotive_pictures/12900_dimmer1_1.jpg


https://www.2carpros.com/forum/automotive_pictures/12900_dimmer2_1.jpg

Dec 18, 2019 at 9:47 AM (Merged)