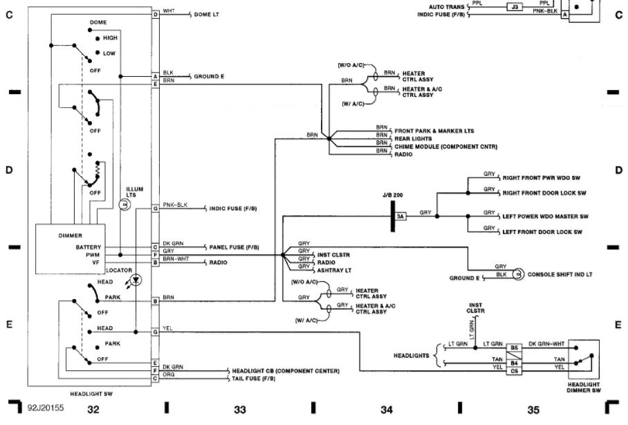
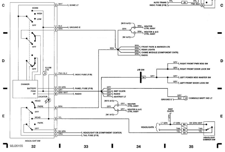
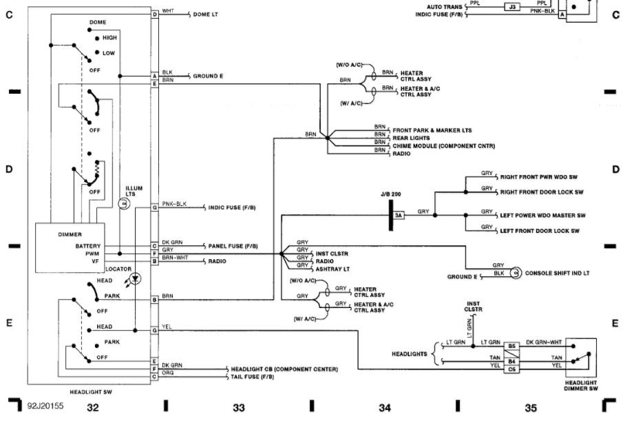
My dash lights and tail lights are not working. All other lights are working fine. Took it to a garage. They checked the fuses. All were fine. Replaced the dimmer switch. They worked for about a week then stopped again. Took it back to the garage. They worked while there and that day then went out again and have not worked since. Cannot figure out what is going on.
Apr 28, 2018 at 1:56 AM
