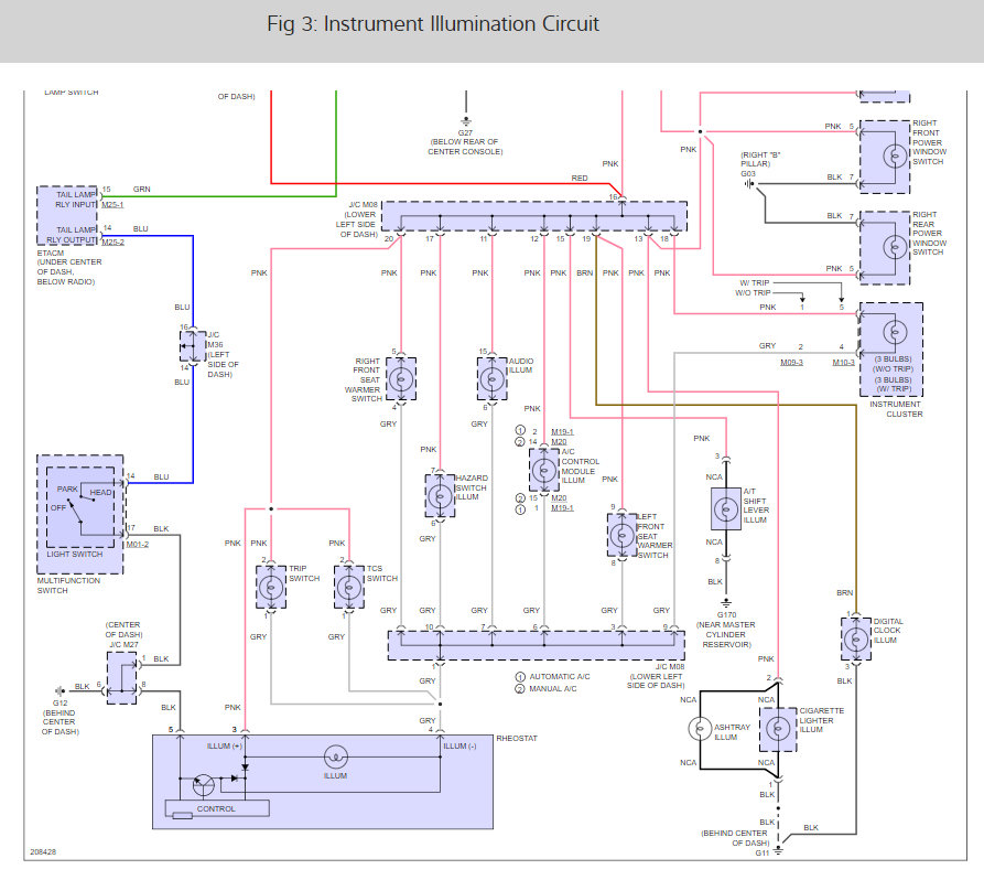
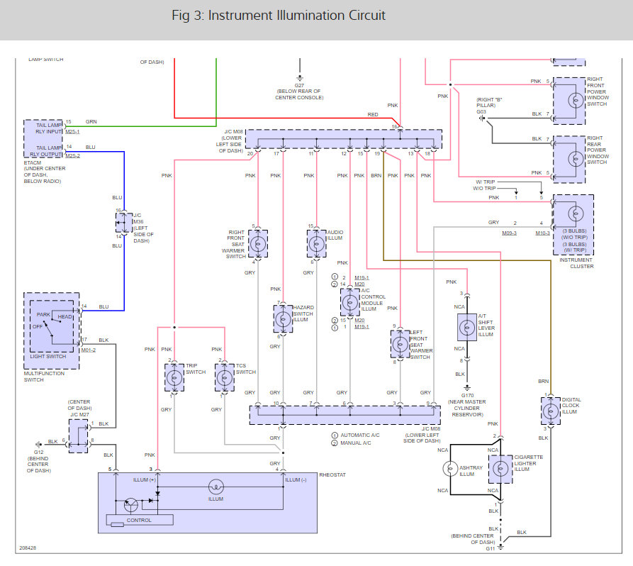
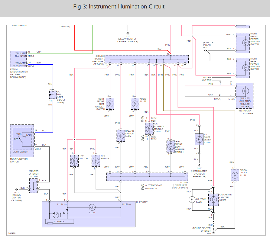
The dash lights are not working. Popped off the dash cover and removed the radio and there is a yellow wire that has a label that says battery plus and a green wire and a red wire that goes underneath the dash. All of three of theses wires look like they were connected at some point but are now loose. I am confident that this is the problem, I am having I just do not know how to wire them back together. Any advice would be appreciated. I have checked all of the fuses.
Aug 29, 2018 at 6:48 PM







