no dash lights / engine stalling after a jump start?

2000 MERCURY GRAND MARQUIS
177,000 MILES • 4.6L • V8 • 2WD • AUTOMATIC
Avatar
PHILLIP HOLLIDAY
  • MEMBER
  • 1 POST
my car had a chipped kill switch that fried so no i have to hold the starter wire together with a constant 12v wire to start it. It will run for like 5 minutes with no dash lights. only the traction ctrl and ABS light on. Then it will sputter a little bit, smoke a little bit from the back of the engine block. the idle goes up real high before it cuts off. Also, battery won't hold a charge so all of this comes after jump start.
Apr 8, 2023 at 1:05 PM
Advertisement
Avatar
AL514
  • CERTIFIED EXPERT
  • 5,465 POSTS
Hello, have you gone through and checked all the fuses? And you're saying that the Anti-theft module is not working. How did it get fried? It sounds like there is probably more damage than just the theft module. All the modules communicate on a data network with each other. The lighting control module is on the data network as well. Also have you tried to have the engine computer (ECM) scanned for any diagnostic trouble codes? If the cluster is dead, except the 2 warning lights, and the Check Engine Light is not coming on for a couple seconds at Key On, then the ECM is most likely either not being powered up, or maybe only partially powered up or has failed communications with other modules. If it only runs for 5 minutes, then the battery definitely does not have enough time to charge up or there are blown fuses not allowing it to charge. It's difficult to say exactly what's going on without knowing if the ECM is communicating or not. If you plug a scan tool in and get a No Comm message, then the ECM is down on the network. How did all this happen?
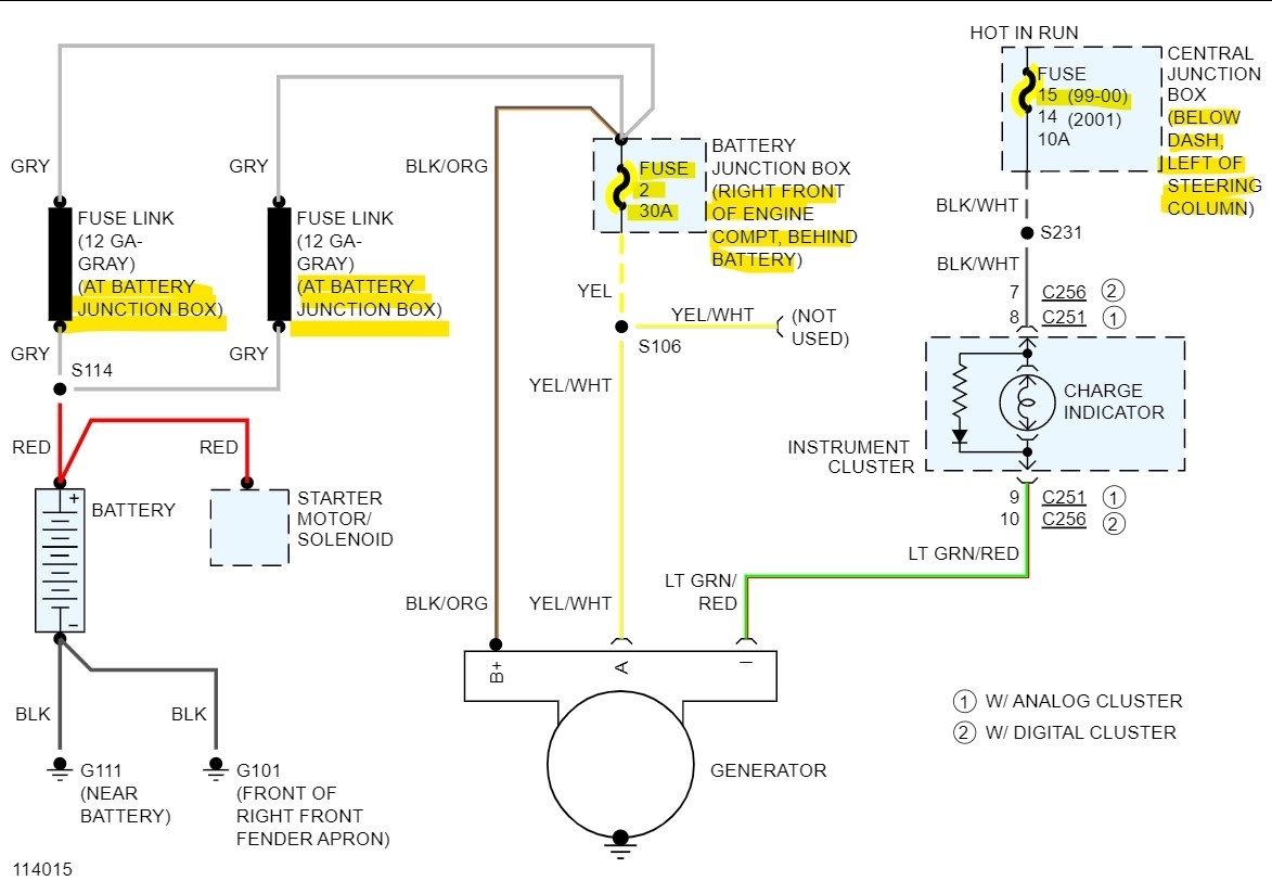
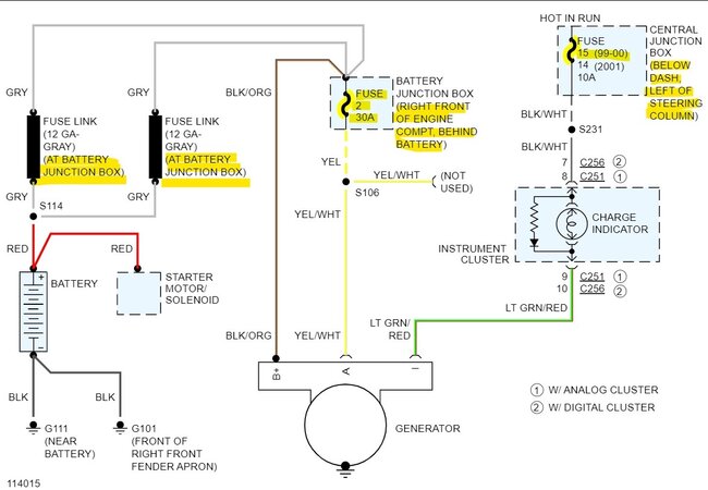
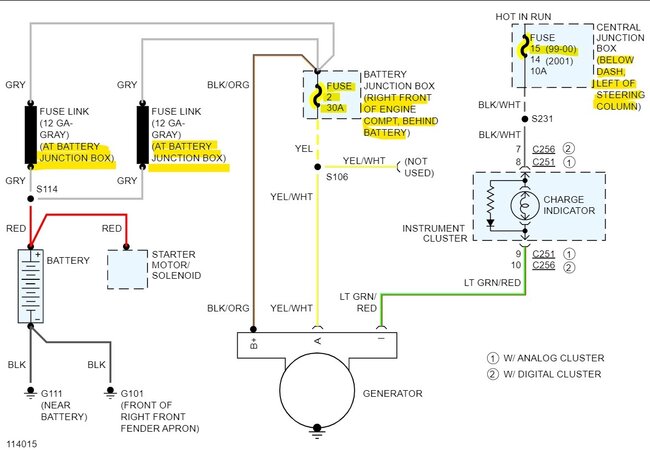
The 1st diagram below is the Cluster fuses, the 2nd is memory fuse for the engine computer it should have 12v all the time, the 3rd is the charging system fuses with 2 fusible links near the battery, they will be a thicker section of wire usually coming off of a power bus bar or directly off the battery. They are like a fuse, except a wire that burns instead if there is too much current flow (short to ground).

https://www.2carpros.com/articles/how-to-check-a-car-fuse
Apr 9, 2023 at 2:13 PM