No dash lights and tail lights

2004 CHEVROLET TRAILBLAZER
133,000 MILES • 4.2L • V6 • 4WD • AUTOMATIC
Avatar
BLESS2SUCCESS
  • MEMBER
  • 45 POSTS
Driving at night I have no dash lights and no tail lights, but the brake lights and turn signals work. Is there a certain fuse located some where in the fuse box to get this working again?
Feb 14, 2019 at 8:37 PM
Advertisement
Avatar
ASEMASTER6371
  • CERTIFIED EXPERT
  • 52,796 POSTS
Good morning,

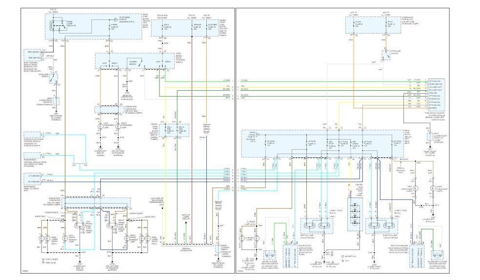
I attached a wiring diagram of the system for you to view with the fuses that need to be checked. Check for power on both sides of the fuse to be sure there is power available.

https://www.2carpros.com/articles/how-to-check-wiring

Roy
Feb 15, 2019 at 3:54 AM
Avatar
BLESS2SUCCESS
  • MEMBER
  • 45 POSTS
Thanks Roy. what about the fuse for the power windows and door locks?
Feb 15, 2019 at 6:04 AM
Advertisement
Avatar
ASEMASTER6371
  • CERTIFIED EXPERT
  • 52,796 POSTS
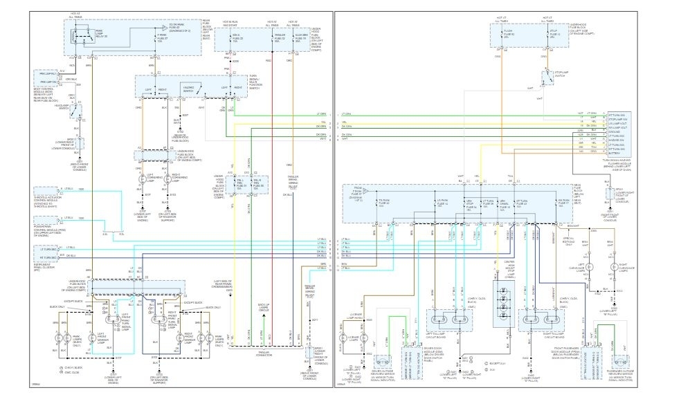
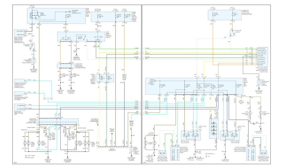
Sorry, senior moment.

attached below.

Roy
Feb 15, 2019 at 9:23 AM