Intermittent no crank, no start

2011 CHEVROLET COLORADO
60,000 MILES • 5 CYL • 2WD • AUTOMATIC
Avatar
BECK1746
  • MEMBER
  • 6 POSTS
I go out to crank the truck and nothing happens.. i wait 10 minutes and it will crank.. this may not happen again for days and then no crank/no start. any thoughts on how to fix the issue? Thanks, Pete
Aug 23, 2020 at 5:06 AM
Advertisement
Avatar
4DRTOM
  • CERTIFIED EXPERT
  • 467 POSTS
Hello,

Sounds like something in the ignition switch or battery connections. When you have the no crank issue will it always come back in 10 minutes? I would start with trying to make it happen constantly by trying to moving the key a little when you have the no start condition. Check your battery cable connections to for corrosion. Pull both of them off clean them up nicely and secure them back that may be your issue. Has anything else been happening with the truck when this began?

This guide can help us fix it

https://www.2carpros.com/articles/starter-not-working-repair

Please run down this guide and report back.

Tom
Aug 23, 2020 at 12:26 PM
Avatar
BECK1746
  • MEMBER
  • 6 POSTS
This first started in mid March just after I bought the truck. I thought, needs a new battery and I did a few days later, same thing as described above. To answer your question nothing funky went on prior to the first episode of no crank/no start. the internet is full of suggestions and possible remedies but I really want it fixed.
Aug 26, 2020 at 4:47 AM
Advertisement
Avatar
BECK1746
  • MEMBER
  • 6 POSTS
Sorry, I have tried wiggling and slightly moving the key during the no start, but nothing changes..
Aug 26, 2020 at 4:51 AM
Avatar
4DRTOM
  • CERTIFIED EXPERT
  • 467 POSTS
Hi Pete,

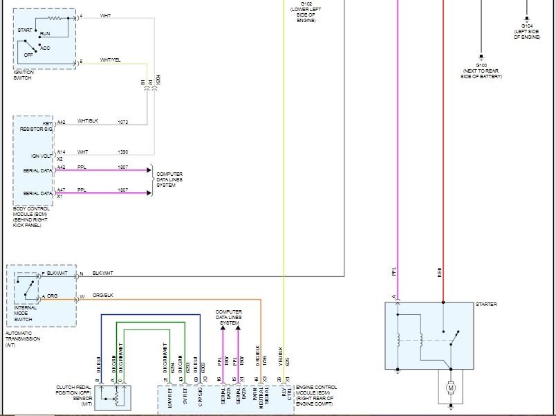
It's okay, we now know it's not likely to be the key or the bend spot on the ignition harness there. It's a start but changing the battery seemed to help for two days or not really.Can I get the engine size that's in it and we can dig a little deeper in your issue. I just want to confirm when you bought the truck this problem already existed, correct. I'm taking it there is no check engine light on. If you can get it scanned anyway maybe their are stored codes in there from the past. A problem that doesn't happen all the time can be a little tricky to identify there are a lot of things it could be. Something like this when it works most of the time leads me to checking for a bad or corroded electrical connection. Has it ever turn off while driving? Try to make it fail, start the car open the hood and while doing a visual inspection of the vacuum lines and wiring start to move wires in there and see if you get any skip, stall or any change at all. Some sensors that have not completely failed can be temperature sensitive, even sensitive to humidity and weather. See about any stored codes and maybe go back in your memory for anything that coincides with the no crank. Both the BCM (Body Control Module)and the ECU (computer) have control in your system. I've attached the wiring diagram for the circuit that's acting up, Sorry about having to split it sometimes we need to, to get it all. Do you have a test light?
Tom
Aug 26, 2020 at 2:53 PM
Avatar
4DRTOM
  • CERTIFIED EXPERT
  • 467 POSTS
Pete,

With the BCM and the ECU both involved they're is a good chance we will have stored codes so be sure to get it scanned and let me know if anything comes up.
Tom
Aug 26, 2020 at 3:49 PM
Avatar
BECK1746
  • MEMBER
  • 6 POSTS
Dropping the truck off at our mechanic in a couple of weeks while out town and get him to check codes and see what he comes up with. thanks for your thoughts and will give a report.. Pete
Aug 26, 2020 at 8:06 PM
Avatar
BECK1746
  • MEMBER
  • 6 POSTS
and by the way it has never gone out while driving.
Aug 26, 2020 at 8:08 PM
Avatar
DANNY L
  • CERTIFIED EXPERT
  • 5,648 POSTS
Hello, I'm Danny.

If I can add my 2 cents. it sounds like you might be having a starter motor or starter motor electrical connection issue. That would seem to more likely due to your truck not wanting start but after getting started it won't shut off while driving. Here are a few tutorials to view:

https://www.2carpros.com/articles/how-a-starter-and-solenoid-works

https://www.2carpros.com/articles/how-to-replace-a-starter-motor

https://www.2carpros.com/articles/starter-not-working-repair

It sounds to me like a connection or the starter motor solenoid is starting to fail.Hope this helps and thanks again for using 2CarPros.
Aug 28, 2020 at 4:18 PM
Avatar
4DRTOM
  • CERTIFIED EXPERT
  • 467 POSTS
HI Pete,

Yes, I think Danny has something there, It's definitely worth verifying those connections are solid.
Tom
Aug 28, 2020 at 9:03 PM
Avatar
BECK1746
  • MEMBER
  • 6 POSTS
Thanks again to the both of you. will add this to the list of things to check when at the mechanic!
Aug 29, 2020 at 6:18 AM
Avatar
DANNY L
  • CERTIFIED EXPERT
  • 5,648 POSTS
You're welcome !
Keep us updated. We thank you for using 2CarPros and we hope you will continue to use us in the future.

Danny-
Aug 29, 2020 at 10:36 AM