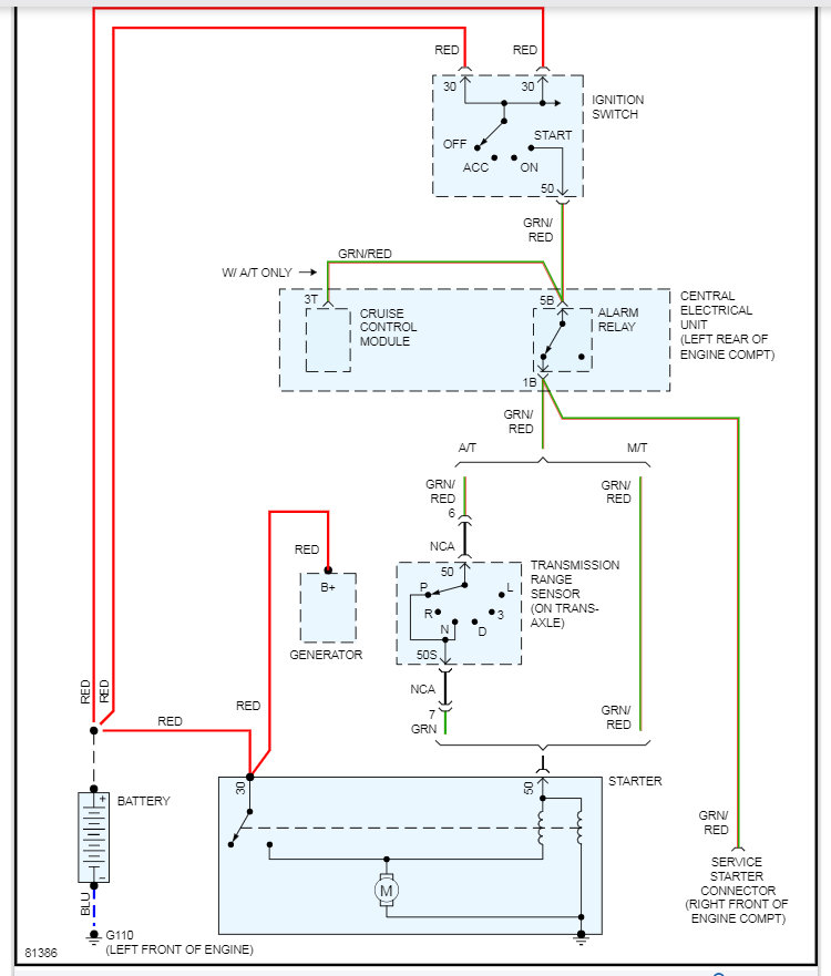
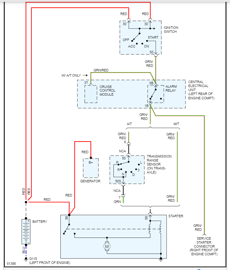
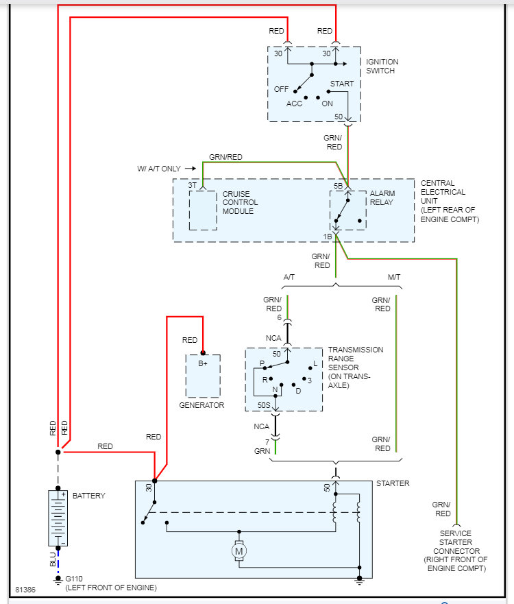
Couple things. Take a look at the wiring diagram. We need to check voltage at the starter on the two wires. You should have 12 volts on both wires when cranking the engine. If you don't have voltage on the red wire then we need to check wiring to the battery. If you don't have it on the green/red wire then we need to go before the range sensor and see if there is voltage coming in. If not, keep working backwards until you find voltage.
If you do have voltage going into the TRS and nothing at the starter, I suspect it is the issue.
Let me know if you have questions.
Mar 3, 2020 at 4:39 PM