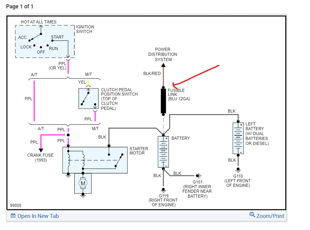
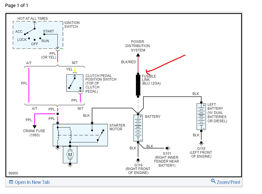
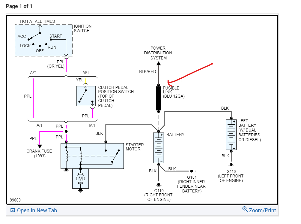
I have the truck listed above that cut out while driving. At first thought a fuse and checked all under dash and they are all good. same with junction block under hood getting 12.77 V same as battery there. I was thinking ignition switch but it does not explain why electric door locks don't work either as they are not switchable. Any ideas on what to test would be appreciated.
Jan 9, 2023 at 4:18 PM



