No crank, no start, no codes

2008 CHRYSLER SEBRING
86,000 MILES • 2.4L • 4 CYL • 2WD • AUTOMATIC
Avatar
BJM4002
  • MEMBER
  • 2 POSTS
Engine will not crank, no codes from PCM. starter has been bench checked good, battery load tested good, all lights on dash work, radio works and headlights work. when you turn the key nothing; no click, no nothing, does not dim the headlights when turning to start.
Aug 18, 2020 at 7:13 AM
Advertisement
Avatar
ASEMASTER6371
  • CERTIFIED EXPERT
  • 52,796 POSTS
Good morning,

Do you have a test light or voltmeter to do some checks as to why it will not start?

I attached a starting diagram for you to view. Let me know when you are ready to do some testing.

https://www.2carpros.com/articles/how-to-check-wiring

Roy
Aug 18, 2020 at 7:23 AM
Avatar
BJM4002
  • MEMBER
  • 2 POSTS
Yep, I have a test light and a VOM.
Aug 18, 2020 at 7:57 AM
Advertisement
Avatar
ASEMASTER6371
  • CERTIFIED EXPERT
  • 52,796 POSTS
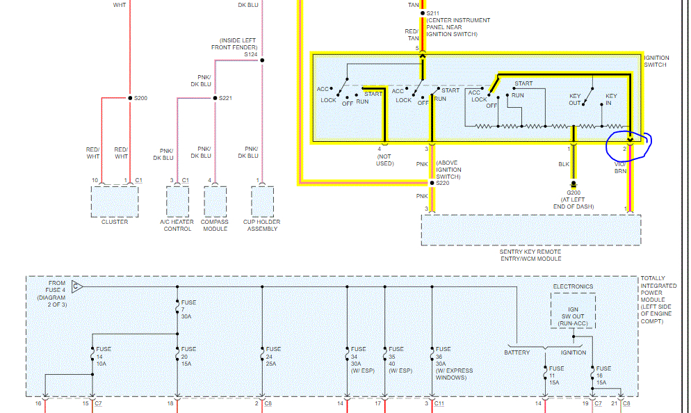
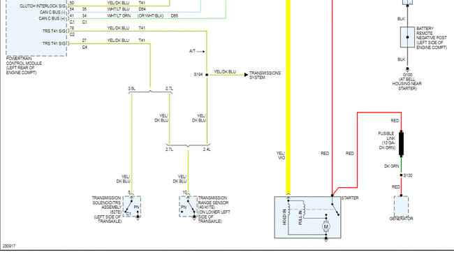
Okay, I need you to check and be sure voltage is being sent to the ECM for starting. You need to test the terminal I circled on the ignition switch for power with the key in the start position.

Roy

REMOVAL


imageOpen In New TabZoom/Print


1. Ignition switch location.

imageOpen In New TabZoom/Print


2. Remove radio bezel, See: Dashboard / Instrument Panel > Removal and Replacement > Instrument Panel Center Bezel - Removal

imageOpen In New TabZoom/Print


3. Disconnect negative battery cable.
4. Remove instrument cluster bezel, See: Instrument Cluster / Carrier > Removal and Replacement > Instrument Panel Cluster Bezel - Removal.
5. Remove the knee bolster, See: Dashboard / Instrument Panel > Removal and Replacement > Removal.

imageOpen In New TabZoom/Print


6. Disconnect two electrical connectors from the back of instrument cluster.

imageOpen In New TabZoom/Print


7. Relocate instrument cluster to the left.

imageOpen In New TabZoom/Print


8. Remove the two front mounting screws for ignition switch.

imageOpen In New TabZoom/Print


9. Remove one rear mounting screw and washer from ignition switch.

imageOpen In New TabZoom/Print


10. Use a thin screw driver and unclip ignition switch from mounting position. Push switch back to remove.

imageOpen In New TabZoom/Print


11. Push switch back and down to opening from knee bolster area.
Aug 18, 2020 at 8:07 AM