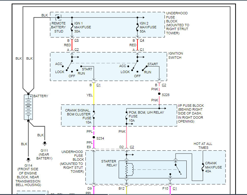
Checked relays and fuses, changed ignition switch, starter tested. Starter engages when jumped at relay, but will not fire. When trying to crank the car with the key, gauge cluster goes out. No engine light and no codes. I've tested everything I know to check, the only thing I can think of is there's either a short in the wiring, or the PCM has failed.
Nov 7, 2019 at 2:46 PM






