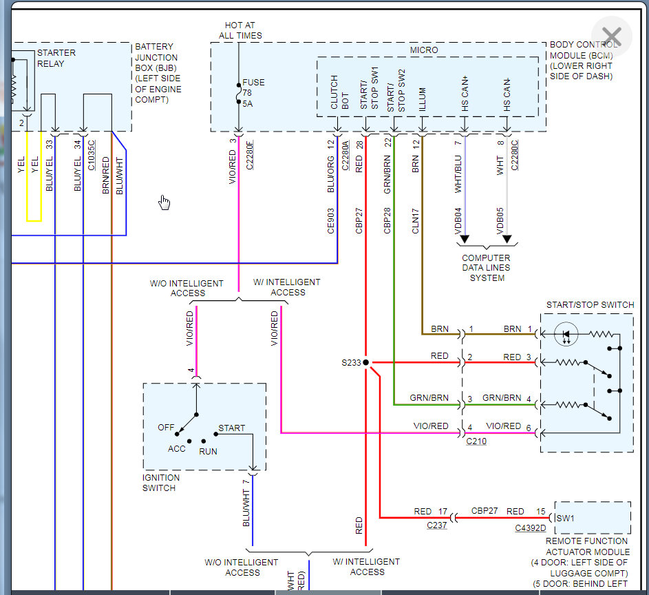
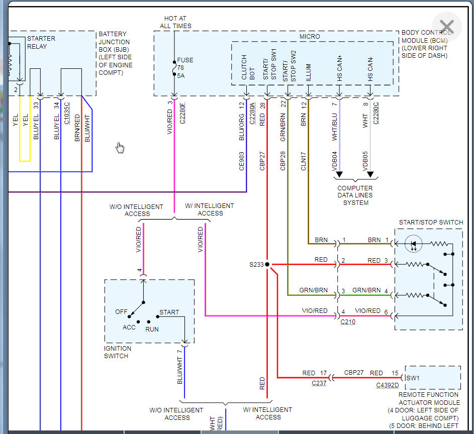
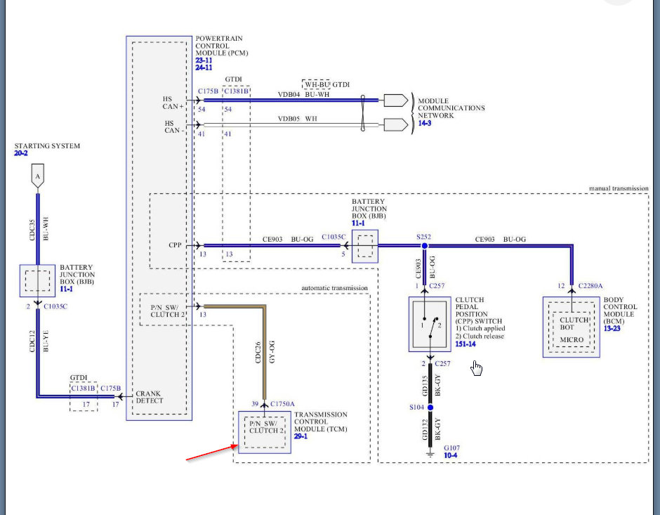
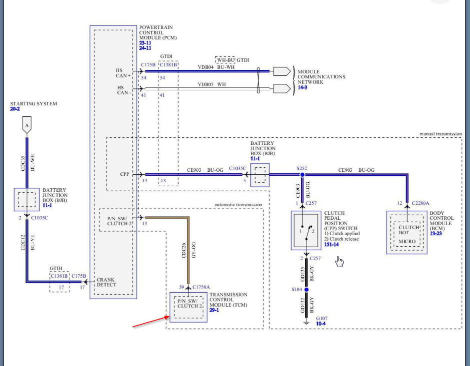
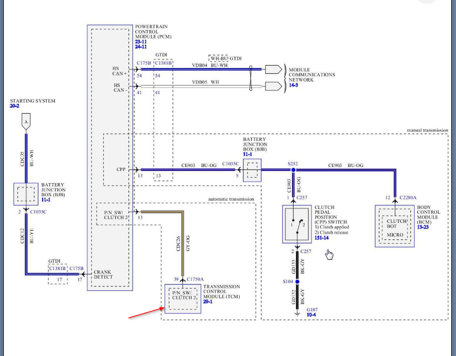
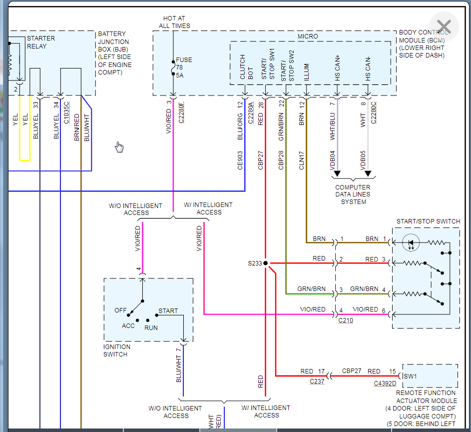
Good battery, all fuses and relays check good. getting 3.4 volts to control side of starter solenoid, 12 v to battery side. i am wondering if this is something that is common as i see that Focus seems all model years have some electrical problems, but have not found any with exact problem and it be solved. i have tested starter and circuit to starter as i have been a mechanic for 30 plus years i have went through all steps that lead to common no crank issue. i am getting ready to drop driver's airbag and test ignition switch and circuit to solenoid. any color coded wiring diagrams and experienced insight would be greatly appreciated.
Jun 4, 2020 at 5:54 PM















